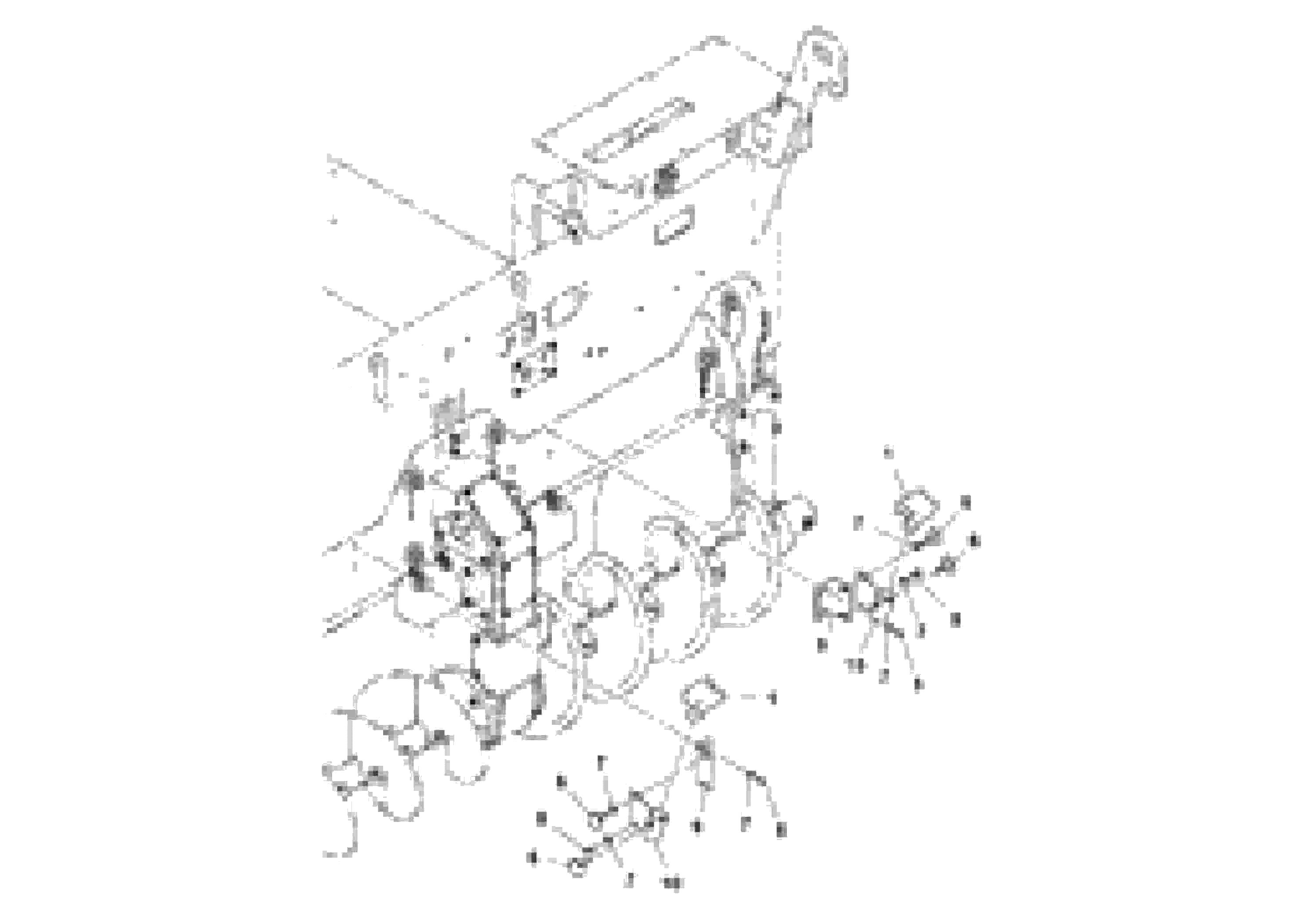
Запчасти Volvo PF6110 51297 Feeder Control Installation PF6110 S/N 197474 -

Схема запчастей Volvo PF6110 - 51297 Feeder Control Installation PF6110 S/N 197474 -
FIT
1:1
100%

Артикул

Название

Примечание

Количество

1

RM 43933647

Sensor

1шт.

1

RM 43933647

Sensor

1шт.

10

RM 43898576

Mounting Plate

1шт.

10

RM 43898576

Mounting Plate

1шт.

5

RM 96702279

Винт шестигранник

1шт.

5

RM 96702279

Винт шестигранник

1шт.

6

RM 13909494

Star Grip

1шт.

6

RM 13909494

Star Grip

1шт.

7

RM 96711833

Шайба

1шт.

7

RM 96711833

Шайба

1шт.

8

RM 96702287

Винт шестигранник

1шт.

8

RM 96702287

Винт шестигранник

1шт.

9

RM 19311539

Mounting Plate

1шт.

9

RM 19311539

Mounting Plate

1шт.

Выбрано товаров: 14