Запчасти Volvo PF6110 68566 Grid Heater Installation PF6110 S/N 197474 -

Схема запчастей Volvo PF6110 - 68566 Grid Heater Installation PF6110 S/N 197474 -
FIT
1:1
100%

Артикул

Название

Примечание

Количество

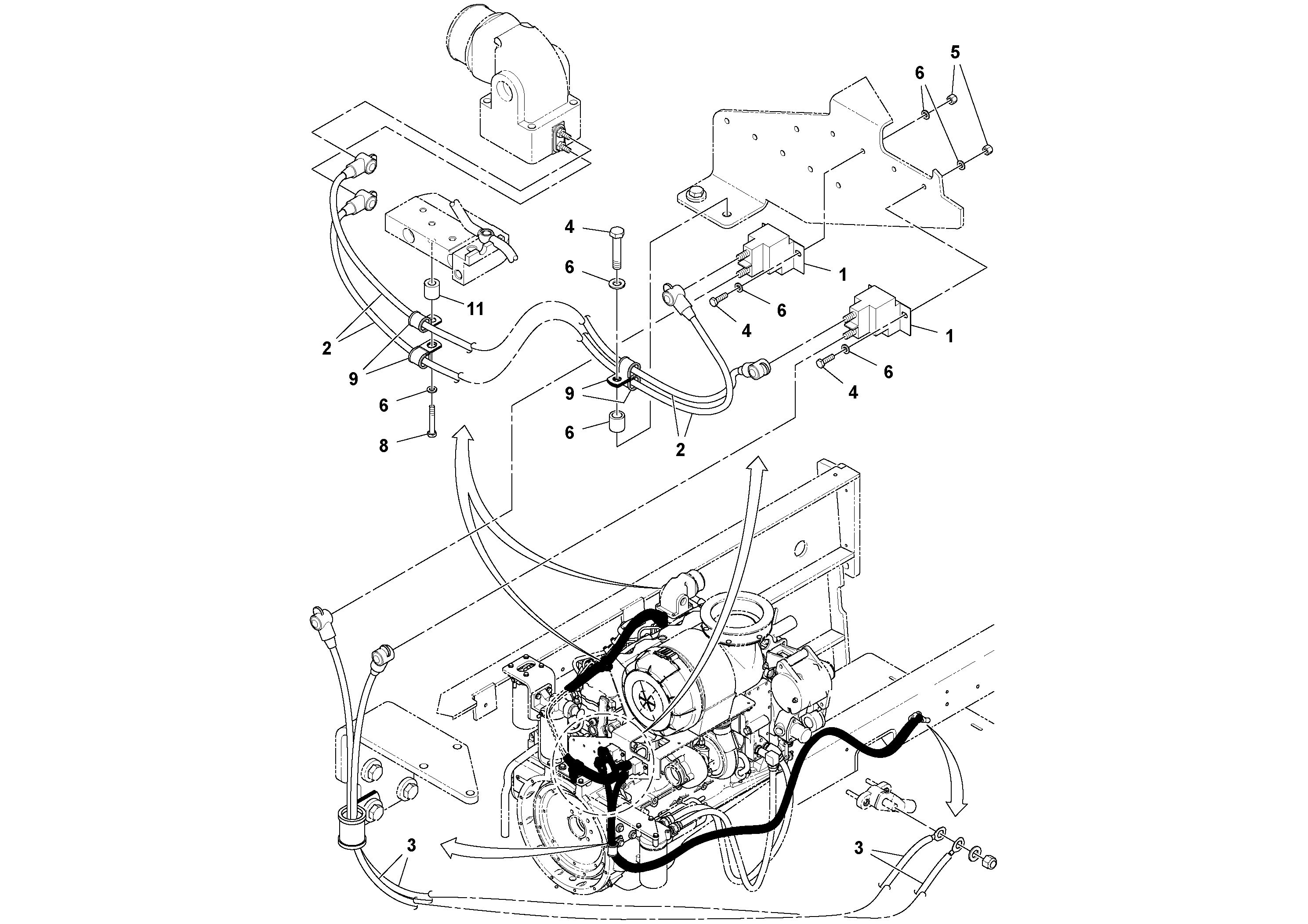
1

RM 13324181

Соленоид (электромагнитный клапан)

1шт.

10

RM 13292354

Вставка

1шт.

11

RM 20292470

Трубка

1шт.

11

RM 20292470

Трубка

1шт.

12

RM 96741046

Плоская шайба

1шт.

12

RM 96741046

Плоская шайба

1шт.

2

RM 18009613

Cable

1шт.

3

RM 18010082

Cable

1шт.

4

RM 96704564

Винт шестигранник

1шт.

4

RM 96704564

Винт шестигранник

1шт.

5

RM 96704598

Lock nut

1шт.

5

RM 96704598

Lock nut

1шт.

6

RM 96741053

Шайба

1шт.

6

RM 96741053

Шайба

1шт.

7

RM 96719265

Винт шестигранник

1шт.

8

RM 96706809

Винт шестигранник

1шт.

8

RM 96706809

Винт шестигранник

1шт.

9

RM 59117333

Зажим

1шт.

Выбрано товаров: 18