Запчасти Volvo PF6110 49123 Harness Installation PF6110 S/N 197474 -

Схема запчастей Volvo PF6110 - 49123 Harness Installation PF6110 S/N 197474 -
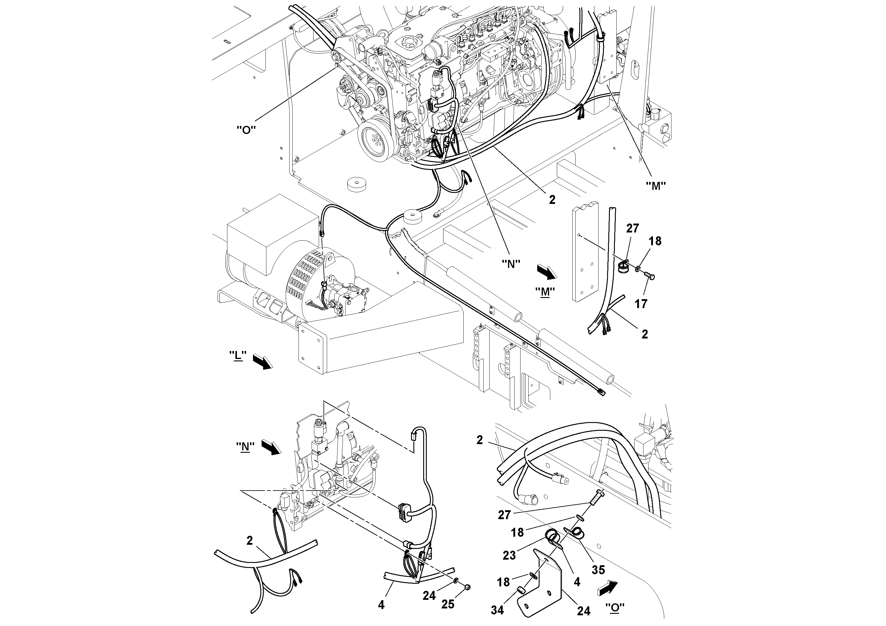
FIT
1:1
100%

Артикул

Название

Примечание

Количество

17

RM 96701917

Винт шестигранник

1шт.

17

RM 96701917

Винт шестигранник

1шт.

18

RM 96741046

Плоская шайба

1шт.

18

RM 96741046

Плоская шайба

1шт.

2

RM 43899343

Cable harness

1шт.

2

RM 43899343

Cable harness

1шт.

23

RM 59462945

Зажим

1шт.

23

RM 59462945

Зажим

1шт.

24

RM 43832823

Dust Cap

1шт.

24

RM 43832823

Dust Cap

1шт.

25

RM 96704606

Lock nut

1шт.

25

RM 96704606

Lock nut

1шт.

26

RM 96741038

Шайба

1шт.

26

RM 96741038

Шайба

1шт.

27

RM 96702279

Винт шестигранник

1шт.

27

RM 96702279

Винт шестигранник

1шт.

4

RM 13490024

Cable harness

1шт.

4

RM 13490024

Cable harness

1шт.

Выбрано товаров: 18