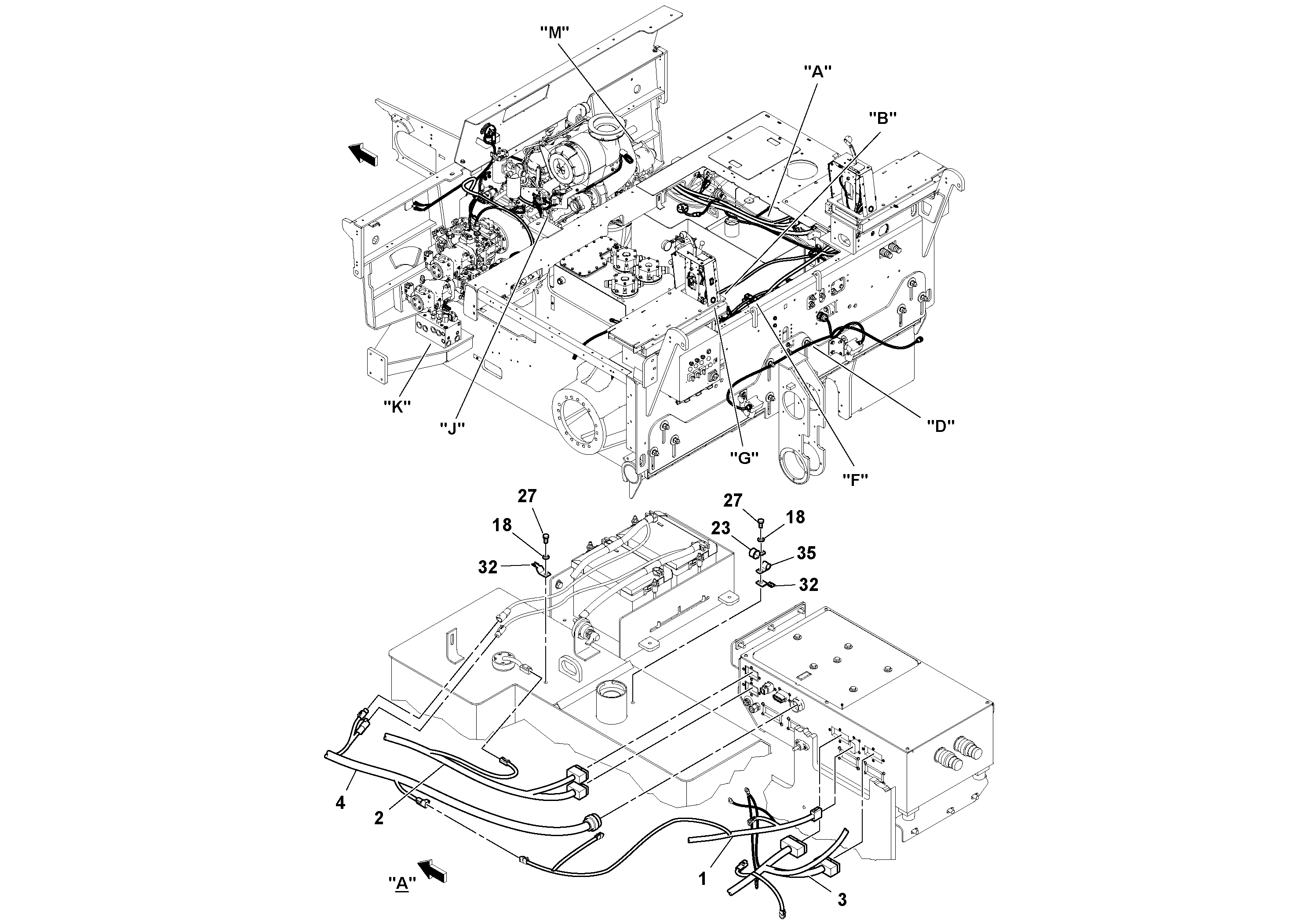
Запчасти Volvo PF6110 50773 Harness Installation PF6110 S/N 197474 -

Схема запчастей Volvo PF6110 - 50773 Harness Installation PF6110 S/N 197474 -
FIT
1:1
100%

Артикул

Название

Примечание

Количество

RM 19281351

Cable harness

1шт.

RM 19281351

Cable harness

1шт.

RM 19281344

Cable harness

1шт.

RM 19281344

Cable harness

1шт.

1

RM 18002493

Cable harness

1шт.

1

RM 18002493

Cable harness

1шт.

18

RM 96741046

Плоская шайба

1шт.

18

RM 96741046

Плоская шайба

1шт.

2

RM 43899343

Cable harness

1шт.

2

RM 43899343

Cable harness

1шт.

23

RM 59462945

Зажим

1шт.

23

RM 59462945

Зажим

1шт.

27

RM 96702279

Винт шестигранник

1шт.

27

RM 96702279

Винт шестигранник

1шт.

3

RM 43829522

Cable harness

1шт.

3

RM 43829522

Cable harness

1шт.

4

RM 13490024

Cable harness

1шт.

4

RM 13490024

Cable harness

1шт.

Выбрано товаров: 18