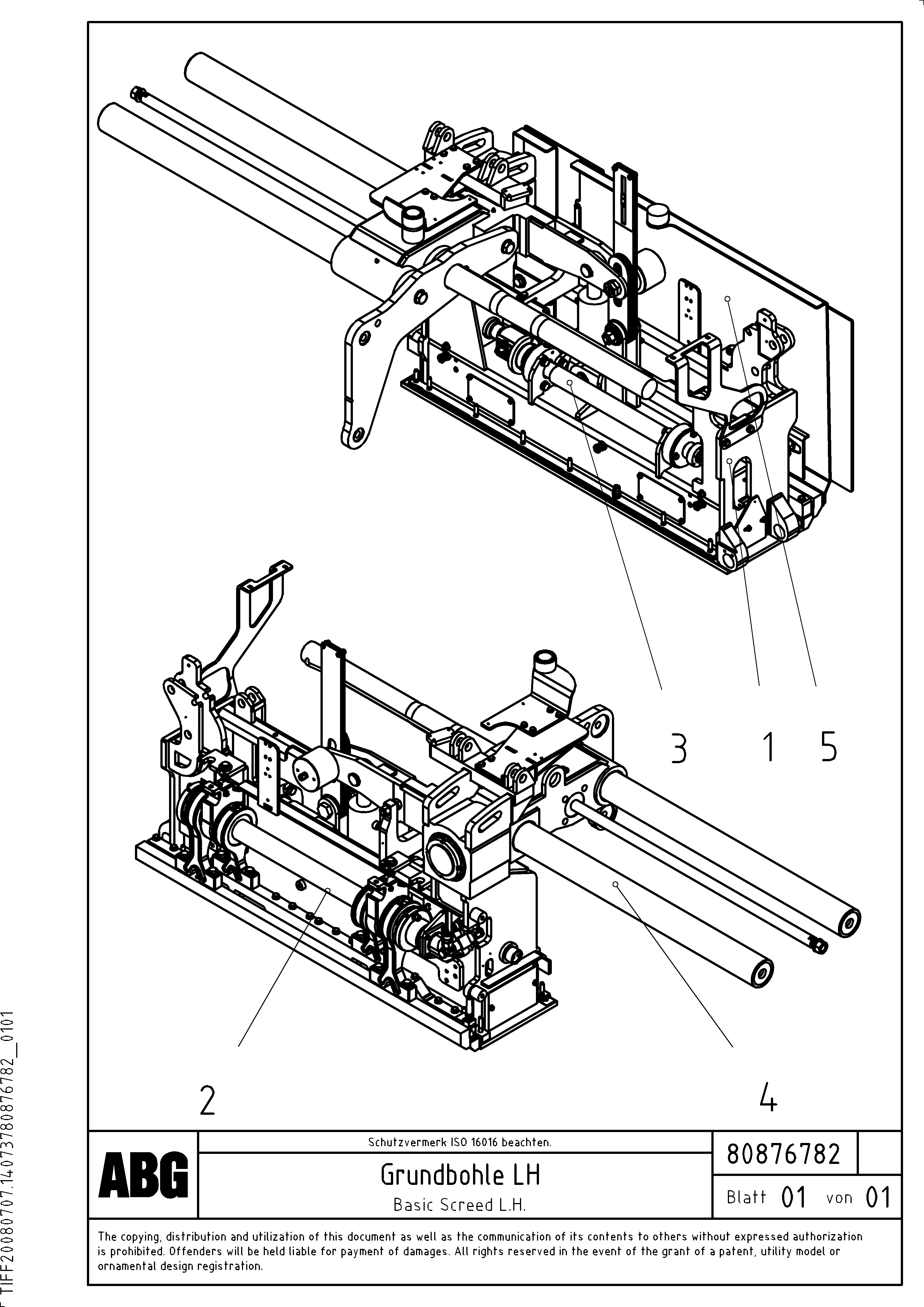
Запчасти Volvo PF6110 91362 Basic screed OMNI 1021 ATT. SCREEDS 3,0 - 9,0M PF6110 PF6160/PF6170

Схема запчастей Volvo PF6110 - 91362 Basic screed OMNI 1021 ATT. SCREEDS 3,0 - 9,0M PF6110 PF6160/PF6170
FIT
1:1
100%

Артикул

Название

Примечание

Количество

1

RM 80876188

Screed

1шт.

1

RM 80876766

Screed

1шт.

2

RM 80876725

Tamper

1шт.

2

RM 80876147

Tamper

1шт.

3

RM 80872435

Vibration

1шт.

3

RM 80872443

Vibration

1шт.

4

RM 80846967

Guide

1шт.

4

RM 80856875

Guide

1шт.

5

RM 80870413

Пластина

1шт.

5

RM 80870405

Пластина

1шт.

Выбрано товаров: 10