Запчасти Volvo ABG3870 47583 Hydraulic diagram ABG3870 S/N 20538 -

Схема запчастей Volvo ABG3870 - 47583 Hydraulic diagram ABG3870 S/N 20538 -
FIT
1:1
100%

Артикул

Название

Примечание

Количество

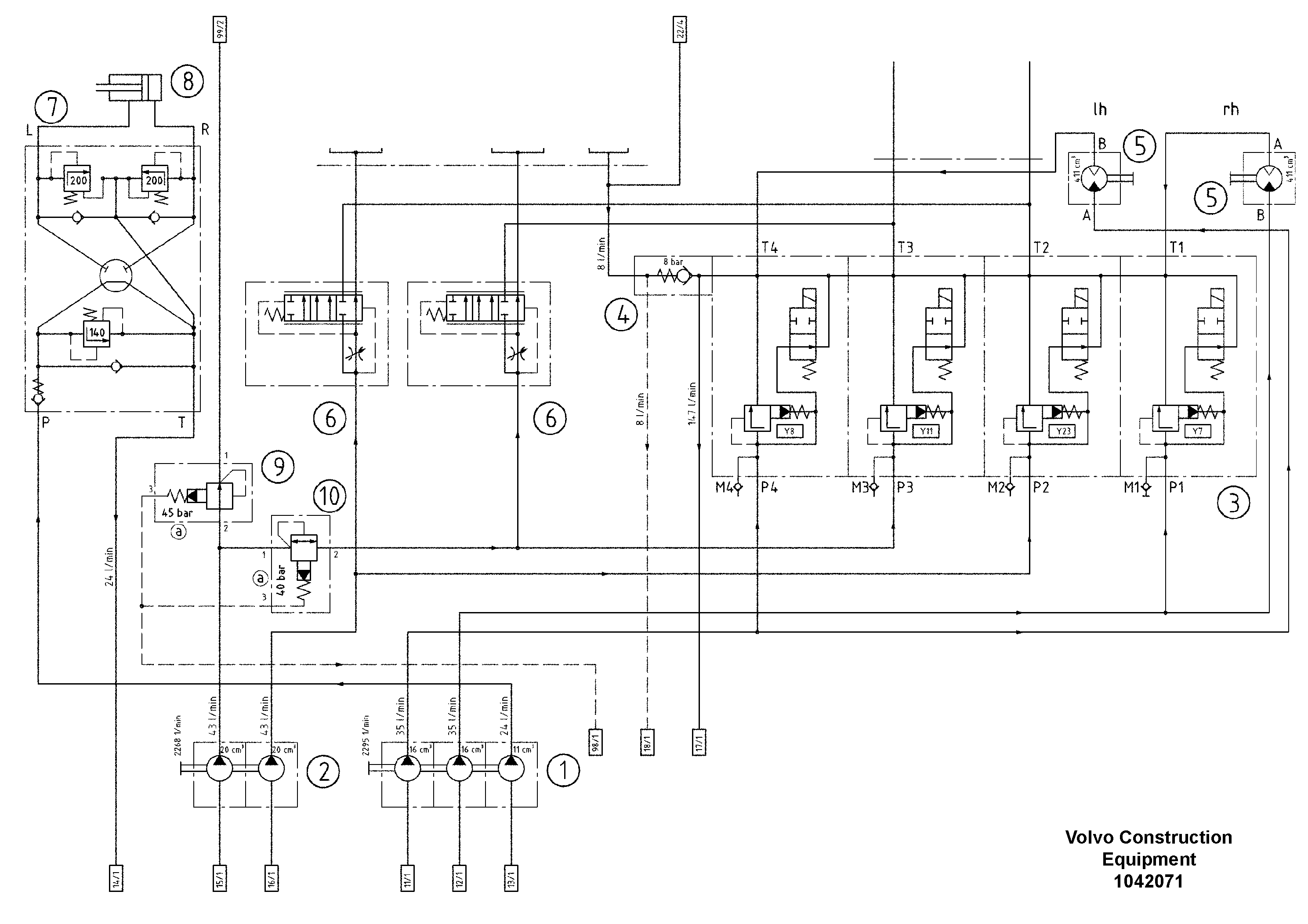
1

RM 80679210

Пилотный (шестерёнчатый) насос

1шт.

1

RM 80679210

Пилотный (шестерёнчатый) насос

1шт.

10

RM 80710148

Sequence Valve

S/N 16243-

1шт.

10

RM 80710148

Sequence Valve

S/N 16243-

1шт.

2

RM 80684582

Пилотный (шестерёнчатый) насос

1шт.

2

RM 80684582

Пилотный (шестерёнчатый) насос

1шт.

3

RM 14202980

Клапан

210BAR

1шт.

4

RM 80675739

Non-return valve

1шт.

5

RM 13976576

Гидромотор

400W WITH CYL.SHAFT

1шт.

5

RM 13976576

Гидромотор

400W WITH CYL.SHAFT

1шт.

6

RM 54494547

Клапан регулирующий (распределительный)

1шт.

6

RM 54494547

Клапан регулирующий (распределительный)

1шт.

7

RM 80472764

Hydraulic Steering

1шт.

7

RM 80472764

Hydraulic Steering

1шт.

8

RM 13910492

Гидроцилиндр рулевой

1шт.

8

RM 13910492

Гидроцилиндр рулевой

1шт.

9

RM 80710155

Pressure Reducing Valve

S/N 16243-

1шт.

9

RM 80710155

Pressure Reducing Valve

S/N 16243-

1шт.

Выбрано товаров: 18