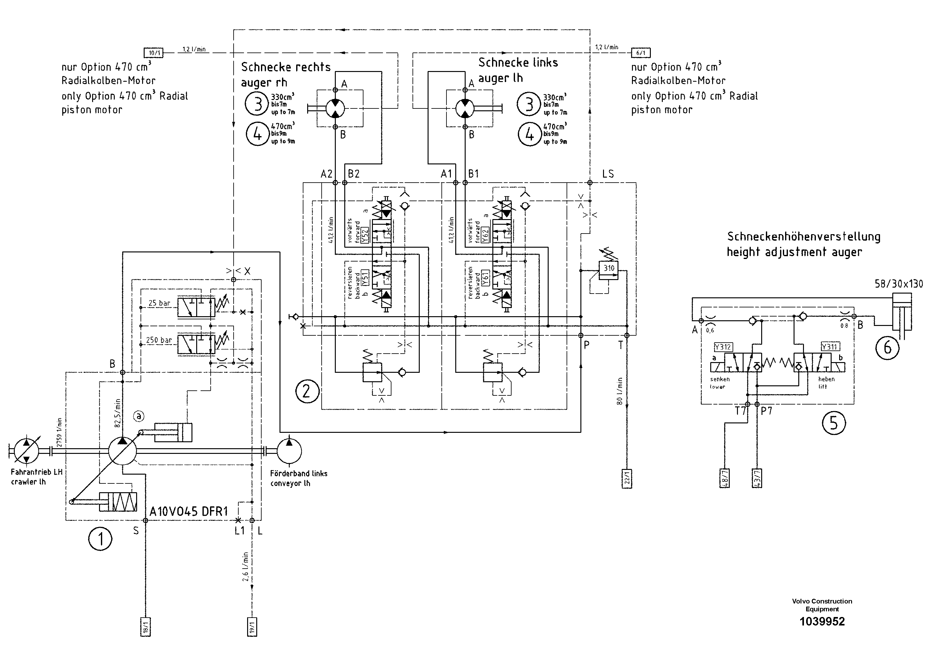
Запчасти Volvo ABG5770 93052 Hydraulic diagram ABG5770 S/N 20740 -

Схема запчастей Volvo ABG5770 - 93052 Hydraulic diagram ABG5770 S/N 20740 -
FIT
1:1
100%

Артикул

Название

Примечание

Количество

1

RM 80790074

Гидронасос (основной насос)

1шт.

1

RM 80790074

Гидронасос (основной насос)

1шт.

2

RM 80625015

Valve block

1шт.

2

RM 80625015

Valve block

1шт.

3

RM 14201800

Гидромотор

1шт.

3

RM 14201800

Гидромотор

1шт.

4

RM 80625023

Гидромотор

1шт.

4

RM 80625023

Гидромотор

1шт.

5

RM 54717038

Valve block

1шт.

5

RM 54717038

Valve block

1шт.

6

RM 87985321

Гидроцилиндр

1шт.

6

RM 87985321

Гидроцилиндр

1шт.

Выбрано товаров: 12