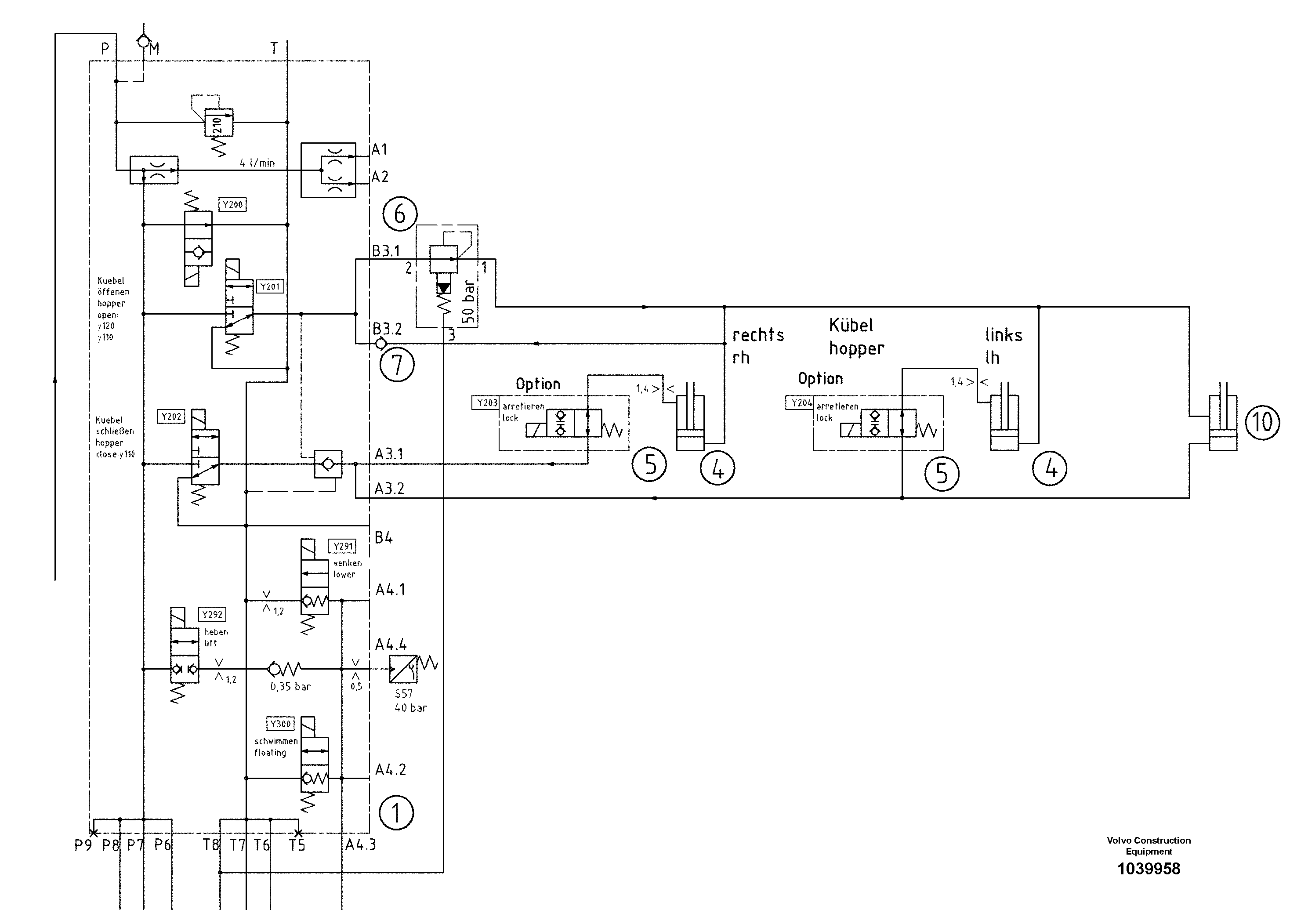
Запчасти Volvo ABG5770 93975 Hydraulic diagram ABG5770 S/N 20740 -

Схема запчастей Volvo ABG5770 - 93975 Hydraulic diagram ABG5770 S/N 20740 -
FIT
1:1
100%

Артикул

Название

Примечание

Количество

1

RM 80613920

Valve block

1шт.

1

RM 80613920

Valve block

1шт.

10

RM 80808272

Гидроцилиндр

1шт.

10

RM 80808272

Гидроцилиндр

1шт.

4

RM 80670185

Гидроцилиндр

1шт.

4

RM 80670185

Гидроцилиндр

1шт.

5

RM 80702137

Клапан

1шт.

5

RM 80702137

Клапан

1шт.

6

RM 80710155

Pressure reducing valve

1шт.

6

RM 80710155

Pressure reducing valve

1шт.

7

RM 54530696

Клапан

1шт.

7

RM 54530696

Клапан

1шт.

Выбрано товаров: 12