Запчасти Volvo ABG5770 87189 Inspection Kit ABG5770 S/N 20740 -

Схема запчастей Volvo ABG5770 - 87189 Inspection Kit ABG5770 S/N 20740 -
FIT
1:1
100%

Артикул

Название

Примечание

Количество

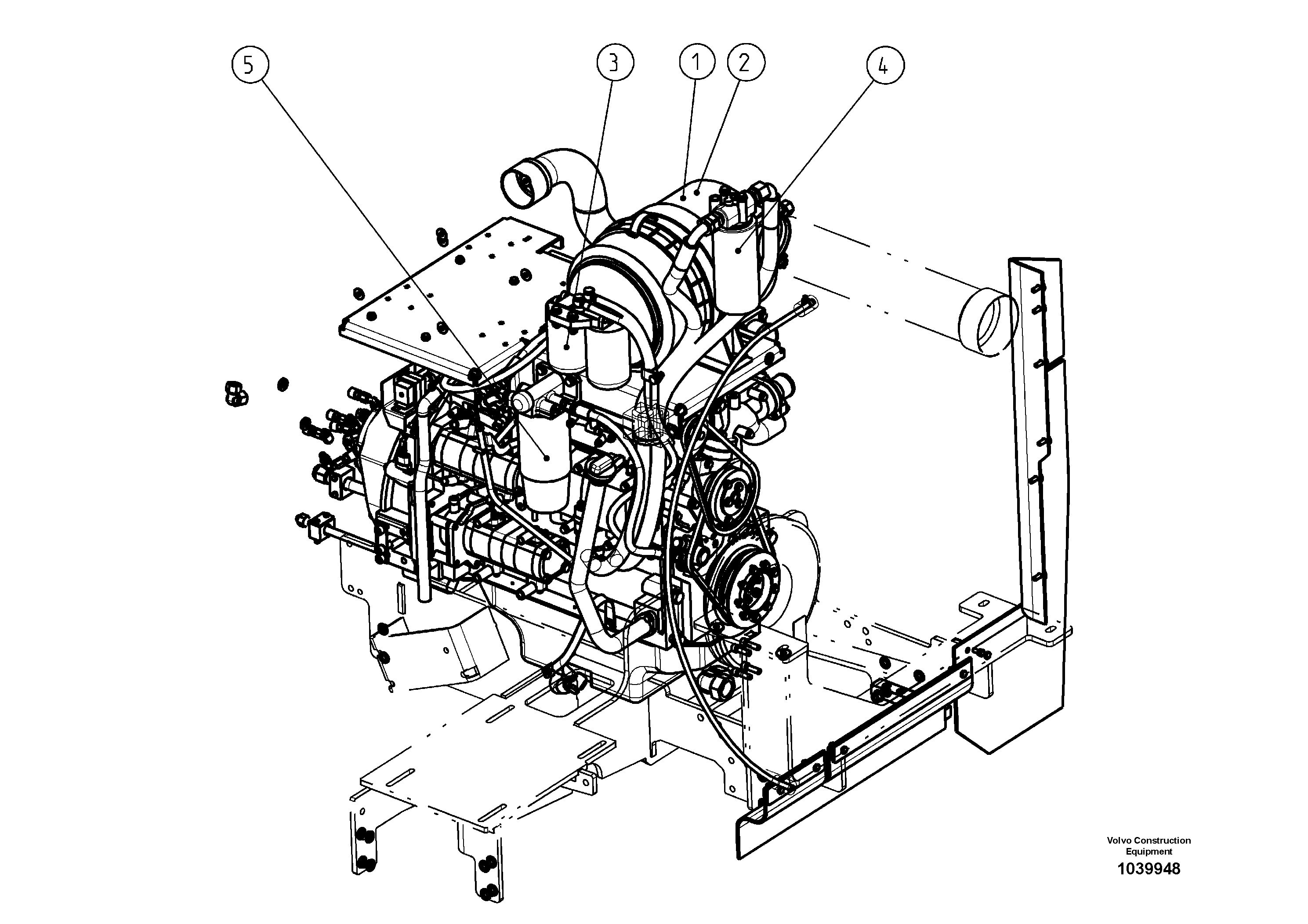
1

RM 80813884

Air filter insert

1шт.

2

RM 80813892

Air filter insert

1шт.

3

RM 80813462

Filter cartridge

1шт.

30

RM 80829286

Decal

1шт.

4

RM 58832932

Filter insert

1шт.

4

RM 58832932

Filter insert

1шт.

5

RM 80766454

Filter cartridge

1шт.

Выбрано товаров: 7