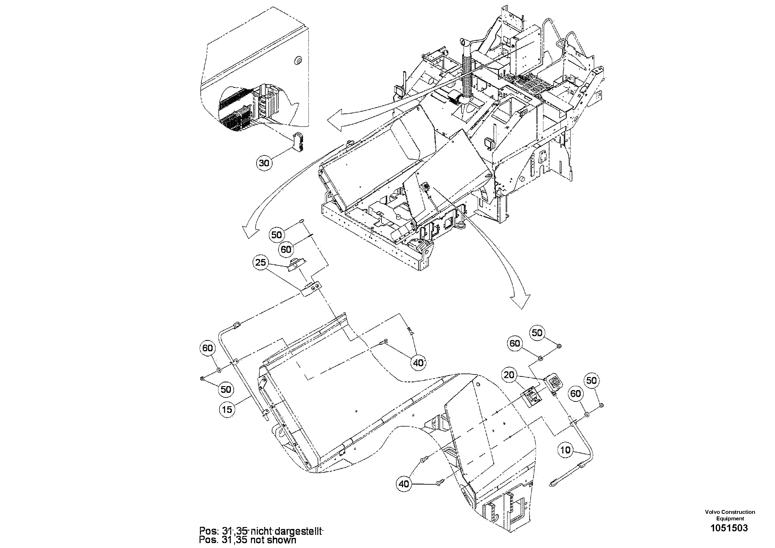
Запчасти Volvo ABG5770 96313 Traction Isolator Switch ABG5770 S/N 20740 -

Схема запчастей Volvo ABG5770 - 96313 Traction Isolator Switch ABG5770 S/N 20740 -
FIT
1:1
100%

Артикул

Название

Примечание

Количество

10

RM 80879570

Cable sheating

LH

1шт.

15

RM 80879604

Cable sheating

RH

1шт.

20

RM 80879877

Disconnector

S/N - 22069 LH

1шт.

20

RM 80888373

Disconnector

S/N 22070 - LH

1шт.

25

RM 80888381

Disconnector

S/N 22070 - RH

1шт.

25

RM 80888381

Disconnector

S/N - 22069 RH

1шт.

30

RM 80879653

Kit

1шт.

31

RM 14280457

Cable wrapping tape

1шт.

31

RM 14280457

Cable wrapping tape

1шт.

35

RM 80880453

Sign

1шт.

40

RM 96712948

Болт

1шт.

40

RM 96712948

Болт

1шт.

50

RM 96712799

Hexagon nut

1шт.

50

RM 96712799

Hexagon nut

1шт.

60

RM 58854316

Стопорная шайба (кольцо)

1шт.

60

RM 58854316

Стопорная шайба (кольцо)

1шт.

Выбрано товаров: 16