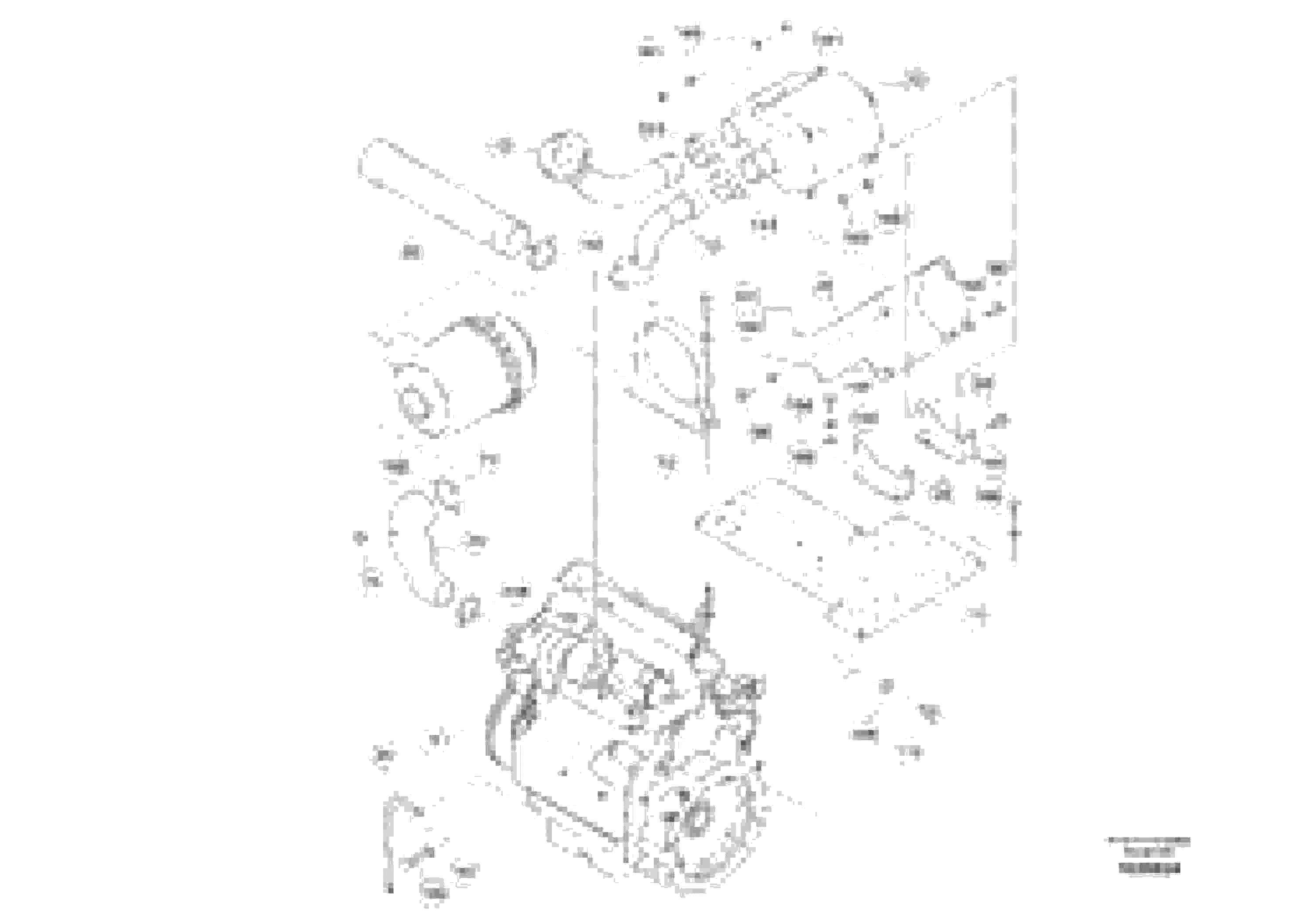
Запчасти Volvo ABG5870 75706 Basic Engine ABG5870 S/N 22058 -

Схема запчастей Volvo ABG5870 - 75706 Basic Engine ABG5870 S/N 22058 -
FIT
1:1
100%

Артикул

Название

Примечание

Количество

1

RM 80787096

Двигатель в сборе

1шт.

101

RM 96713052

Винт шестигранник

1шт.

101

RM 96713052

Винт шестигранник

1шт.

103

RM 96713193

Винт шестигранник

S/N 20743-

1шт.

103

RM 96713193

Винт шестигранник

S/N 20743-

1шт.

104

RM 96718820

Винт шестигранник

S/N -19477

1шт.

104

RM 96718820

Винт шестигранник

S/N -19477

1шт.

104

RM 96718820

Винт шестигранник

S/N 19478-19651

1шт.

104

RM 96718820

Винт шестигранник

S/N 19478-19651

1шт.

104

RM 96718820

Винт шестигранник

S/N 19652-20742

1шт.

104

RM 96718820

Винт шестигранник

S/N 19652-20742

1шт.

105

RM 96718838

Винт шестигранник

S/N -19477

1шт.

105

RM 96718838

Винт шестигранник

S/N -19477

1шт.

105

RM 96718838

Винт шестигранник

S/N 19652-

1шт.

105

RM 96718838

Винт шестигранник

S/N 19652-

1шт.

105

RM 96718838

Винт шестигранник

S/N 19478-19651

1шт.

105

RM 96718838

Винт шестигранник

S/N 19478-19651

1шт.

11

RM 80785181

Engine bracket

1шт.

112

RM 96718861

Винт шестигранник

1шт.

112

RM 96718861

Винт шестигранник

1шт.

12

RM 80785199

Exhaust pipe

S/N -19699

1шт.

12

RM 80839814

Exhaust pipe

S/N 19700-

1шт.

13

RM 80845290

Exhaust pipe

S/N - 21486

1шт.

13

RM 80845290

Exhaust pipe

S/N 21487 -

1шт.

151

RM 80826167

Hose clamp

S/N 19478-

1шт.

151

RM 14305734

Hose clamp

S/N -19477

1шт.

152

RM 80749401

Hose clamp

1шт.

164

RM 58867052

Шайба

S/N 19652-20742

1шт.

164

RM 58867052

Шайба

S/N 19652-20742

1шт.

164

RM 58867052

Шайба

S/N 20743-

1шт.

164

RM 58867052

Шайба

S/N 20743-

1шт.

166

RM 58854316

Стопорная шайба (кольцо)

S/N 19478-19651

1шт.

166

RM 58854316

Стопорная шайба (кольцо)

S/N 19478-19651

1шт.

166

RM 58854316

Стопорная шайба (кольцо)

S/N -19477

1шт.

166

RM 58854316

Стопорная шайба (кольцо)

S/N -19477

1шт.

166

RM 58854316

Стопорная шайба (кольцо)

S/N 19652-

1шт.

166

RM 58854316

Стопорная шайба (кольцо)

S/N 19652-

1шт.

167

RM 13907761

Стопорная шайба (кольцо)

1шт.

167

RM 13907761

Стопорная шайба (кольцо)

1шт.

168

RM 14261002

Стопорная шайба (кольцо)

1шт.

168

RM 14261002

Стопорная шайба (кольцо)

1шт.

180

RM 58833898

Hexagon nut

S/N 20743-

1шт.

180

RM 58833898

Hexagon nut

S/N 20743-

1шт.

180

RM 58833898

Hexagon nut

S/N -20742

1шт.

180

RM 58833898

Hexagon nut

S/N -20742

1шт.

181

RM 96712799

Hexagon nut

S/N 19652-20742

1шт.

181

RM 96712799

Hexagon nut

S/N 19652-20742

1шт.

181

RM 96712799

Hexagon nut

S/N 20743-

1шт.

181

RM 96712799

Hexagon nut

S/N 20743-

1шт.

181

RM 96712799

Hexagon nut

S/N -19651

1шт.

181

RM 96712799

Hexagon nut

S/N -19651

1шт.

26

RM 80785207

Кронштейн

1шт.

28

RM 80801079

Heat shield

1шт.

29

RM 80804628

Air duct

1шт.

29

RM 80789415

Reducer

1шт.

35

RM 56285406

Strap

W/O TERMINAL

1шт.

35

RM 56285406

Strap

W/O TERMINAL

1шт.

70

RM 80732779

Silencer

1шт.

71

RM 80784770

Air cleaner

1шт.

72

RM 80793789

Кронштейн

1шт.

76

RM 14025308

Contact

1шт.

76

RM 14025308

Contact

1шт.

86

RM 80799471

Шланг

1шт.

98

RM 96720271

Винт шестигранник

1шт.

Выбрано товаров: 64