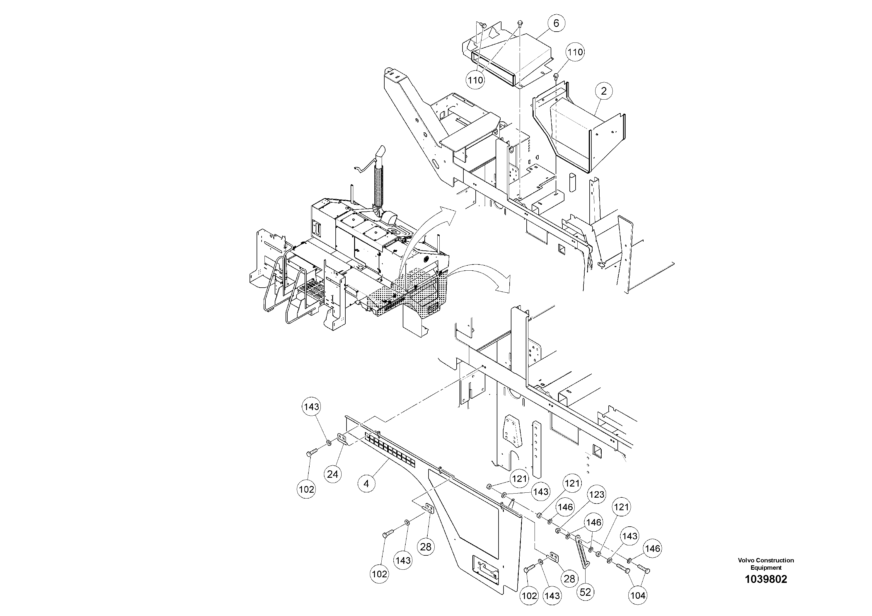
Запчасти Volvo ABG5870 48143 Outer Mounting Parts ABG5870 S/N 22058 -

Схема запчастей Volvo ABG5870 - 48143 Outer Mounting Parts ABG5870 S/N 22058 -
FIT
1:1
100%

Артикул

Название

Примечание

Количество

102

RM 96713193

Винт шестигранник

S/N 19747-

1шт.

102

RM 96713193

Винт шестигранник

S/N 19747-

1шт.

102

RM 96713193

Винт шестигранник

S/N 19651-19746

1шт.

102

RM 96713193

Винт шестигранник

S/N 19651-19746

1шт.

102

RM 96713193

Винт шестигранник

S/N -19650

1шт.

102

RM 96713193

Винт шестигранник

S/N -19650

1шт.

104

RM 96713219

Винт шестигранник

1шт.

104

RM 96713219

Винт шестигранник

1шт.

110

RM 96720263

Болт

S/N 19651-19746

1шт.

110

RM 96720263

Болт

S/N 19651-19746

1шт.

110

RM 96720263

Болт

S/N -19650

1шт.

110

RM 96720263

Болт

S/N -19650

1шт.

110

RM 96720263

Болт

S/N 19747-

1шт.

110

RM 96720263

Болт

S/N 19747-

1шт.

121

RM 96712799

Hexagon Nut

1шт.

121

RM 96712799

Hexagon Nut

1шт.

123

RM 58833898

Hexagon Nut

1шт.

123

RM 58833898

Hexagon Nut

1шт.

143

RM 58854316

Стопорная шайба (кольцо)

1шт.

143

RM 58854316

Стопорная шайба (кольцо)

1шт.

146

RM 96712898

Плоская шайба

1шт.

146

RM 96712898

Плоская шайба

1шт.

2

RM 80791213

Картер (корпус)

1шт.

24

RM 87985792

Hinge

LH

1шт.

24

RM 87985792

Hinge

LH

1шт.

28

RM 87985800

Hinge

RH

1шт.

28

RM 87985800

Hinge

RH

1шт.

4

RM 80790124

Пластина

RH

1шт.

52

RM 80611551

Intermediate Lever

1шт.

52

RM 80611551

Intermediate Lever

1шт.

6

RM 80810823

Air Inlet

1шт.

Выбрано товаров: 31