Запчасти Volvo ABG5870 52925 Hydraulic diagram ABG5870 S/N 22058 -

Схема запчастей Volvo ABG5870 - 52925 Hydraulic diagram ABG5870 S/N 22058 -
FIT
1:1
100%

Артикул

Название

Примечание

Количество

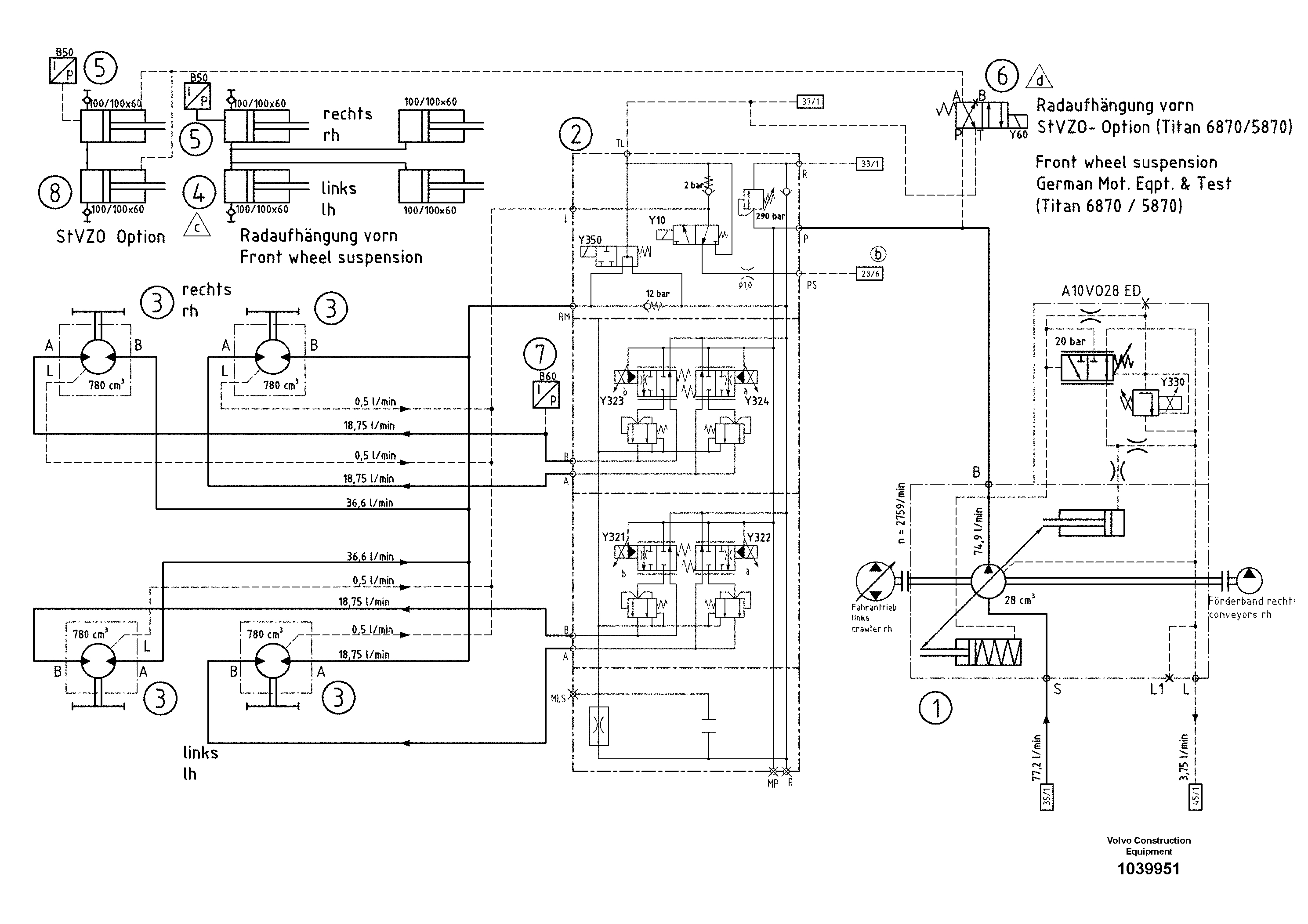
1

RM 80790066

Гидронасос (основной насос)

1шт.

1

RM 80790066

Гидронасос (основной насос)

1шт.

2

RM 80804511

Valve block

LVS

1шт.

2

RM 80804511

Valve block

LVS

1шт.

3

RM 14069264

Гидромотор

1шт.

3

RM 14069264

Гидромотор

1шт.

4

RM 80630783

цилиндр

S/N -20457

1шт.

4

RM 80630783

цилиндр

S/N -20457

1шт.

4

RM 80842628

цилиндр

S/N 20458-

1шт.

4

RM 80842628

цилиндр

S/N 20458-

1шт.

5

RM 14079933

Transformer

1шт.

5

RM 14079933

Transformer

1шт.

6

RM 14034128

Клапан регулирующий (распределительный)

S/N -20939, W/EMERGENCY

1шт.

6

RM 14034128

Клапан регулирующий (распределительный)

S/N -20939, W/EMERGENCY

1шт.

6

RM 80845324

Клапан регулирующий (распределительный)

S/N 20940-

1шт.

7

RM 54465414

Transducer

1шт.

7

RM 54465414

Transducer

1шт.

8

RM 80808793

цилиндр

S/N 19478-

1шт.

8

RM 80808793

цилиндр

S/N 19478-

1шт.

Выбрано товаров: 19