Запчасти Volvo ABG5870 55724 Hydraulic diagram ABG5870 S/N 22058 -

Схема запчастей Volvo ABG5870 - 55724 Hydraulic diagram ABG5870 S/N 22058 -
FIT
1:1
100%

Артикул

Название

Примечание

Количество

1

RM 80621493

Пилотный (шестерёнчатый) насос

S/N -19477

1шт.

1

RM 80621493

Пилотный (шестерёнчатый) насос

S/N -19477

1шт.

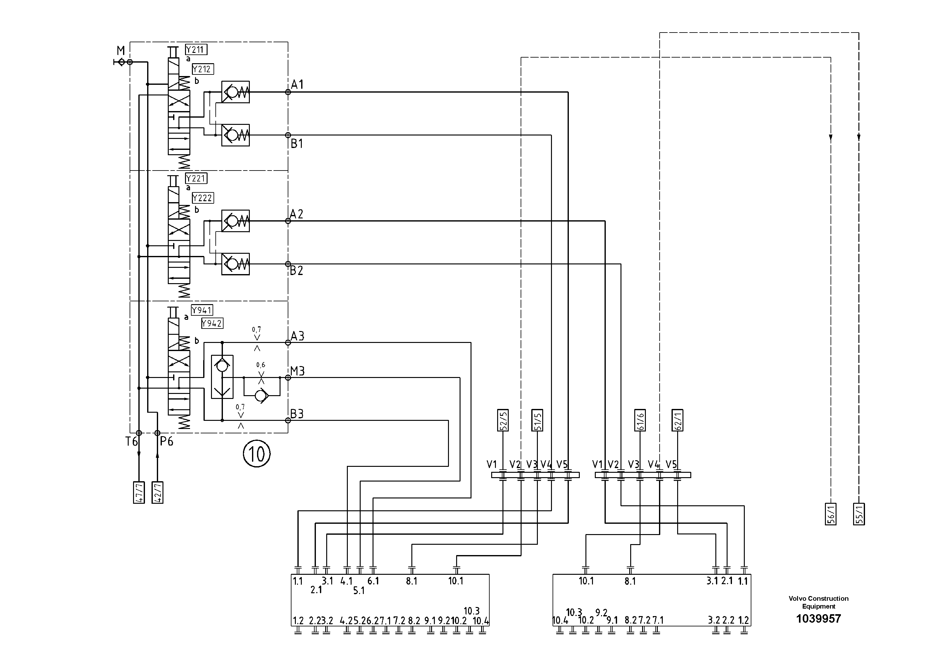
10

RM 80762214

Valve block

1шт.

10

RM 80762214

Valve block

1шт.

2

RM 14324966

Клапан

S/N -19477

1шт.

2

RM 14324966

Клапан

S/N -19477

1шт.

3

RM 54494554

Гидромотор

S/N -19477

1шт.

3

RM 54494554

Гидромотор

S/N -19477

1шт.

Выбрано товаров: 8