Запчасти Volvo ABG5870 56639 Inspection kit Small ABG5870 S/N 22058 -

Схема запчастей Volvo ABG5870 - 56639 Inspection kit Small ABG5870 S/N 22058 -
FIT
1:1
100%

Артикул

Название

Примечание

Количество

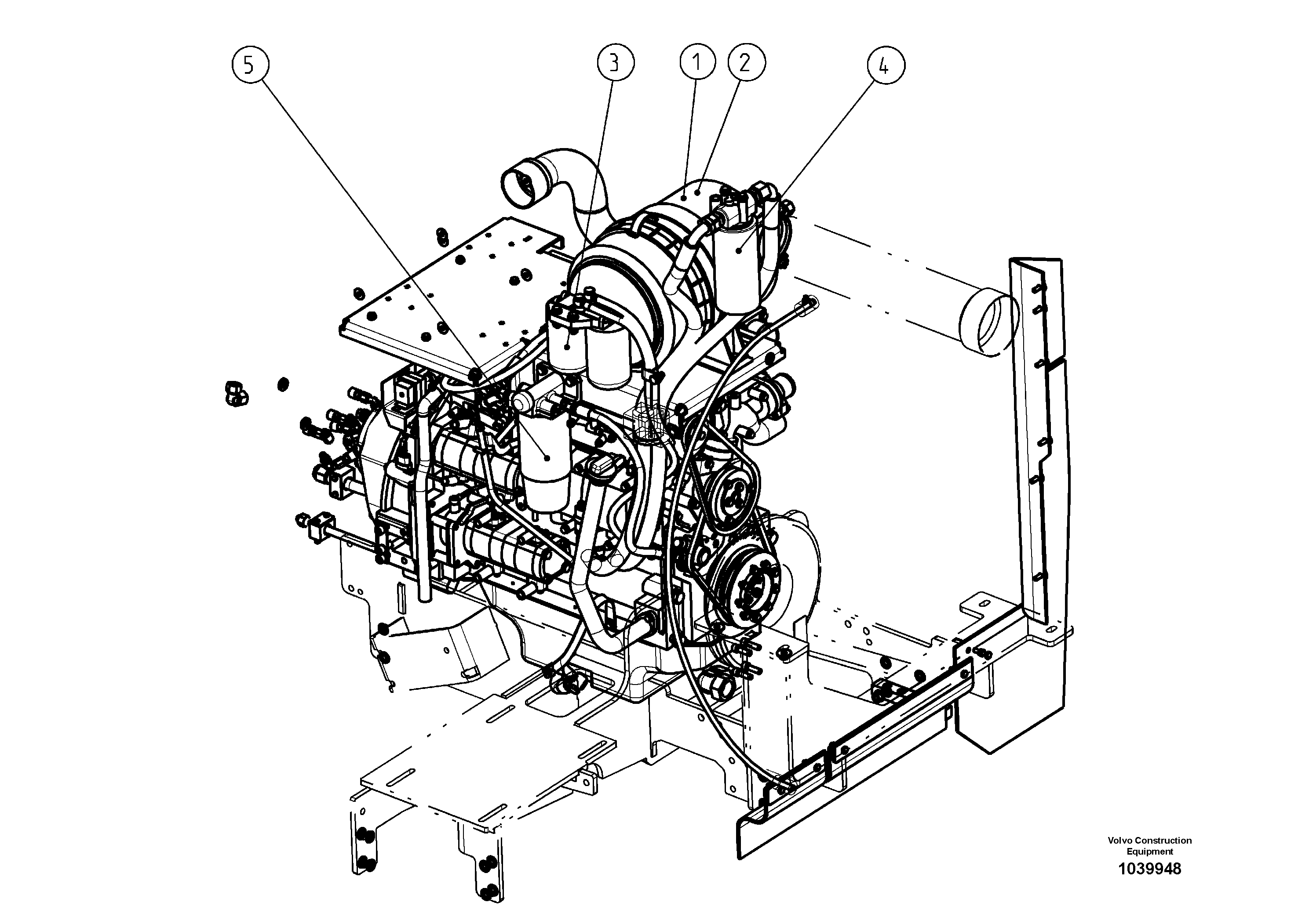
1

RM 80813884

Air filter insert

ELEMENT

1шт.

2

RM 80813892

Air filter insert

ELEMENT

1шт.

3

RM 80813462

Filter cartridge

1шт.

30

RM 80829286

Decal

INSPECTION

1шт.

4

RM 58832932

Filter insert

1шт.

4

RM 58832932

Filter insert

1шт.

5

RM 80766454

Filter cartridge

1шт.

Выбрано товаров: 7