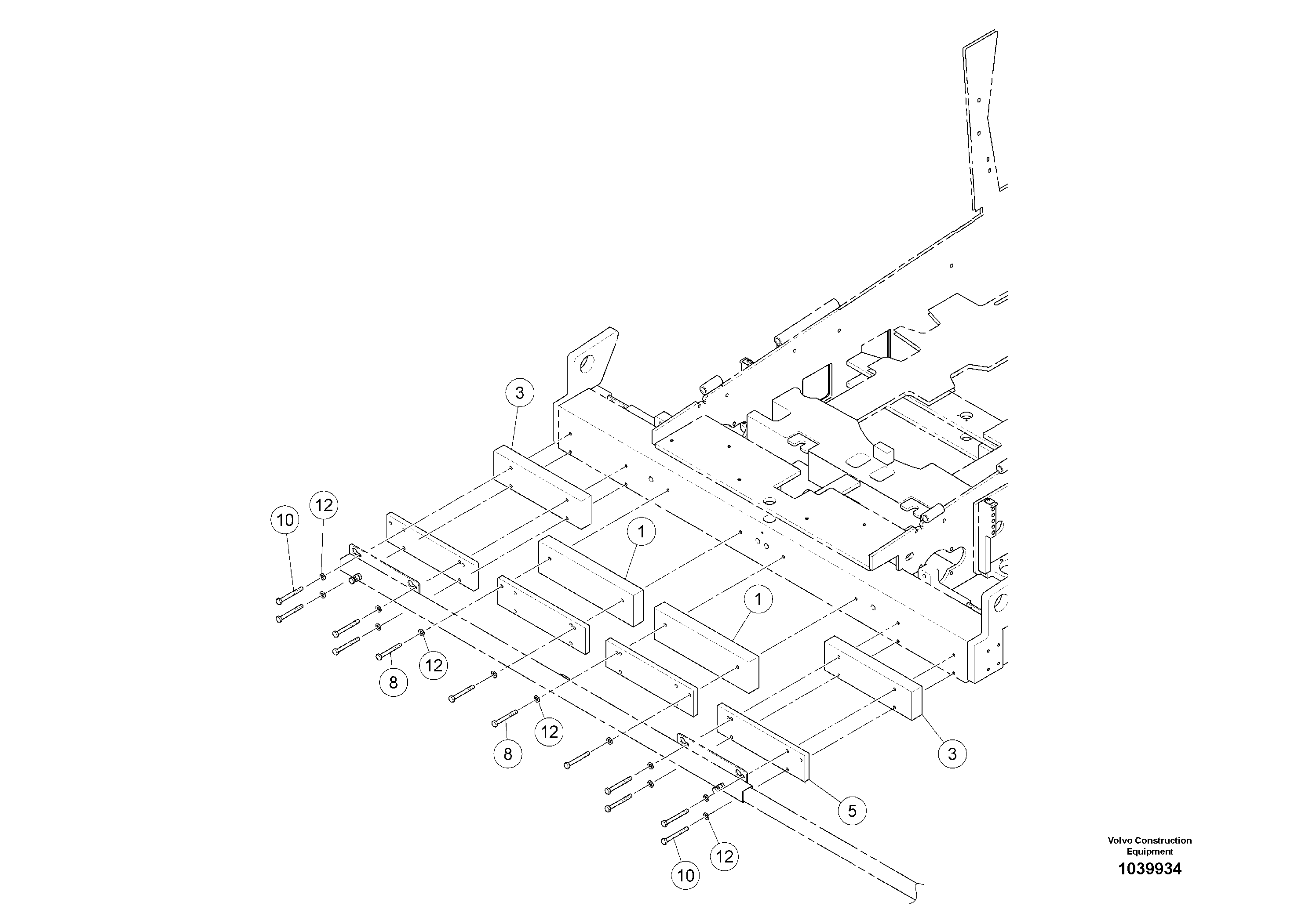
Запчасти Volvo ABG5870 79483 Ballast VB 78 ETC ATT. SCREED 2,5 - 9,0 M ABG5770, ABG5870, ABG6870

Схема запчастей Volvo ABG5870 - 79483 Ballast VB 78 ETC ATT. SCREED 2,5 - 9,0 M ABG5770, ABG5870, ABG6870
FIT
1:1
100%

Артикул

Название

Примечание

Количество

1

RM 80821572

Balancing Weight

1шт.

10

RM 96721527

Винт шестигранник

1шт.

10

RM 96721527

Винт шестигранник

1шт.

12

RM 14261002

Стопорная шайба (кольцо)

1шт.

12

RM 14261002

Стопорная шайба (кольцо)

1шт.

3

RM 80821580

Корпус клапана

1шт.

5

RM 80828197

Balancing Weight

1шт.

8

RM 96721519

Винт шестигранник

1шт.

8

RM 96721519

Винт шестигранник

1шт.

Выбрано товаров: 9