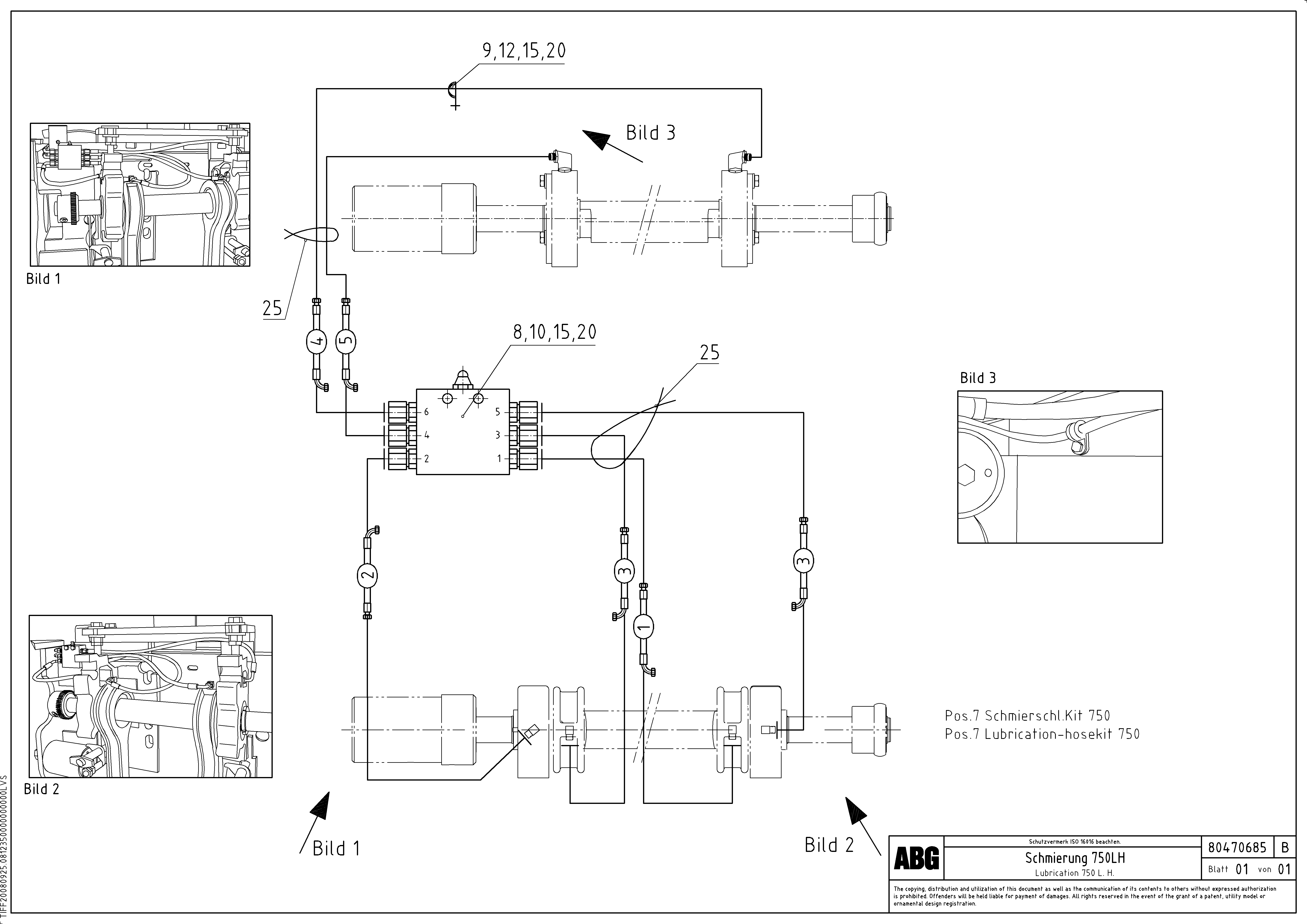
Запчасти Volvo ABG5870 80854 Lubrication for extension VB 78 ETC ATT. SCREED 2,5 - 9,0 M ABG5770, ABG5870, ABG6870

Схема запчастей Volvo ABG5870 - 80854 Lubrication for extension VB 78 ETC ATT. SCREED 2,5 - 9,0 M ABG5770, ABG5870, ABG6870
FIT
1:1
100%

Артикул

Название

Примечание

Количество

1

RM 54507736

Шланг

L = 380

1шт.

10

RM 96714134

Винт шестигранник

1шт.

10

RM 96714134

Винт шестигранник

1шт.

12

RM 96714241

Винт шестигранник

1шт.

12

RM 96714241

Винт шестигранник

1шт.

15

RM 14083448

Hexagon nut

1шт.

15

RM 14083448

Hexagon nut

1шт.

2

RM 54511852

Шланг

L = 270

1шт.

20

RM 96712880

Шайба

1шт.

20

RM 96712880

Шайба

1шт.

25

RM 13909932

Tape

1шт.

25

RM 13909932

Tape

1шт.

3

RM 54507710

Шланг

L = 500

1шт.

4

RM 87974333

Шланг

L = 1000

1шт.

5

RM 54589510

Шланг

L = 450

1шт.

7

RM 80470677

Hose Kit

1шт.

8

RM 54495247

Корпус клапана (коллектор)

1шт.

9

RM 13938337

Зажим

1шт.

9

RM 13938337

Зажим

1шт.

Выбрано товаров: 19