Запчасти Volvo ABG6870 76884 Extension VB 78 GTC ATT. SCREEDS 2,5 - 9,0M ABG5770, ABG5870, ABG6870

Схема запчастей Volvo ABG6870 - 76884 Extension VB 78 GTC ATT. SCREEDS 2,5 - 9,0M ABG5770, ABG5870, ABG6870
FIT
1:1
100%

Артикул

Название

Примечание

Количество

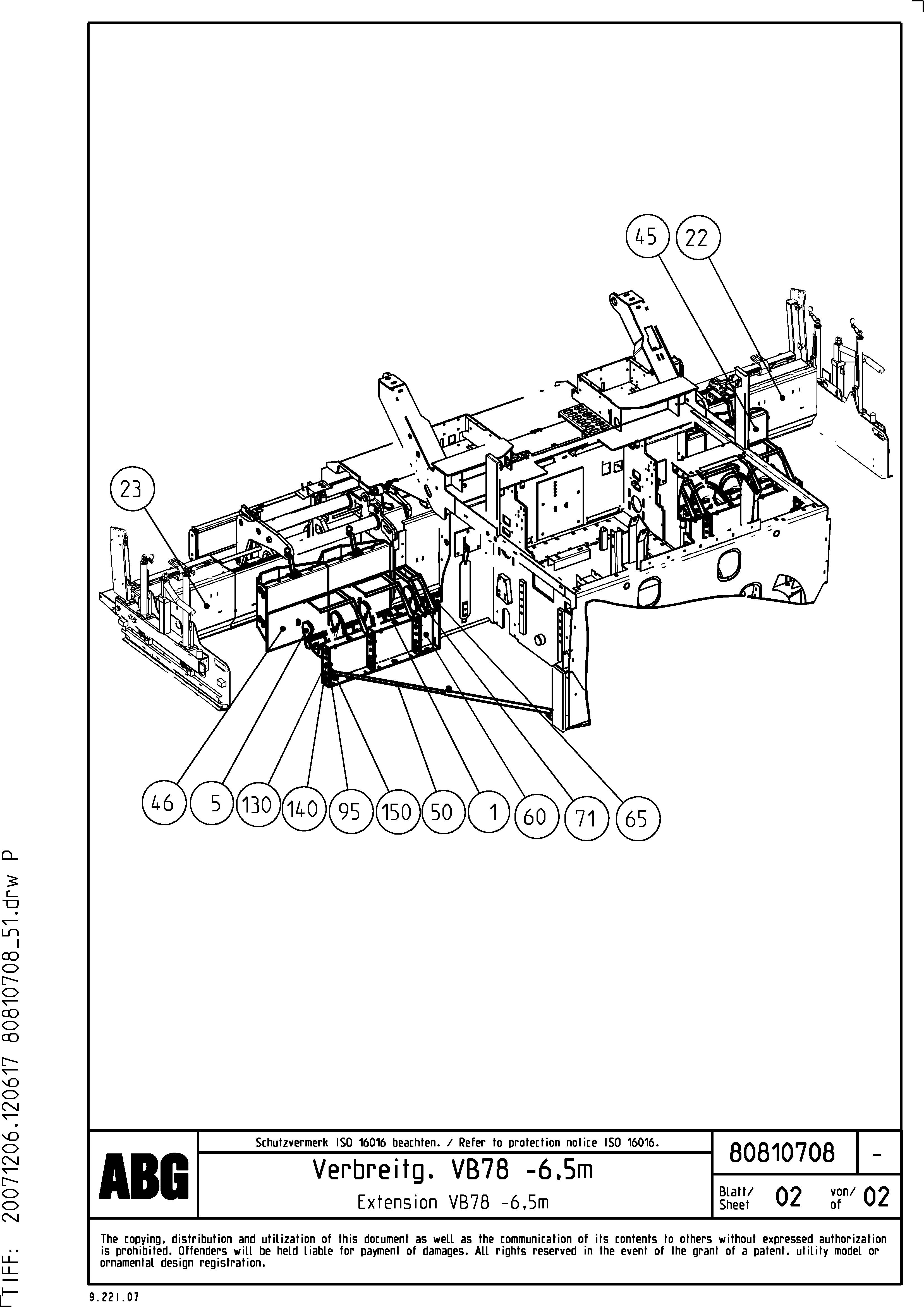
130

RM 96722236

Винт шестигранник

1шт.

130

RM 96722236

Винт шестигранник

1шт.

140

RM 14261028

Стопорная шайба (кольцо)

1шт.

140

RM 14261028

Стопорная шайба (кольцо)

1шт.

150

RM 96719182

Hexagon nut

1шт.

150

RM 96719182

Hexagon nut

1шт.

47

RM 14324453

Шланг

1шт.

60

RM 80809973

Support Plate

1шт.

65

RM 80810096

Locking Pin

1шт.

71

RM 56264559

Пластина

1шт.

95

RM 80807555

Тарелка клапана

1шт.

Выбрано товаров: 11