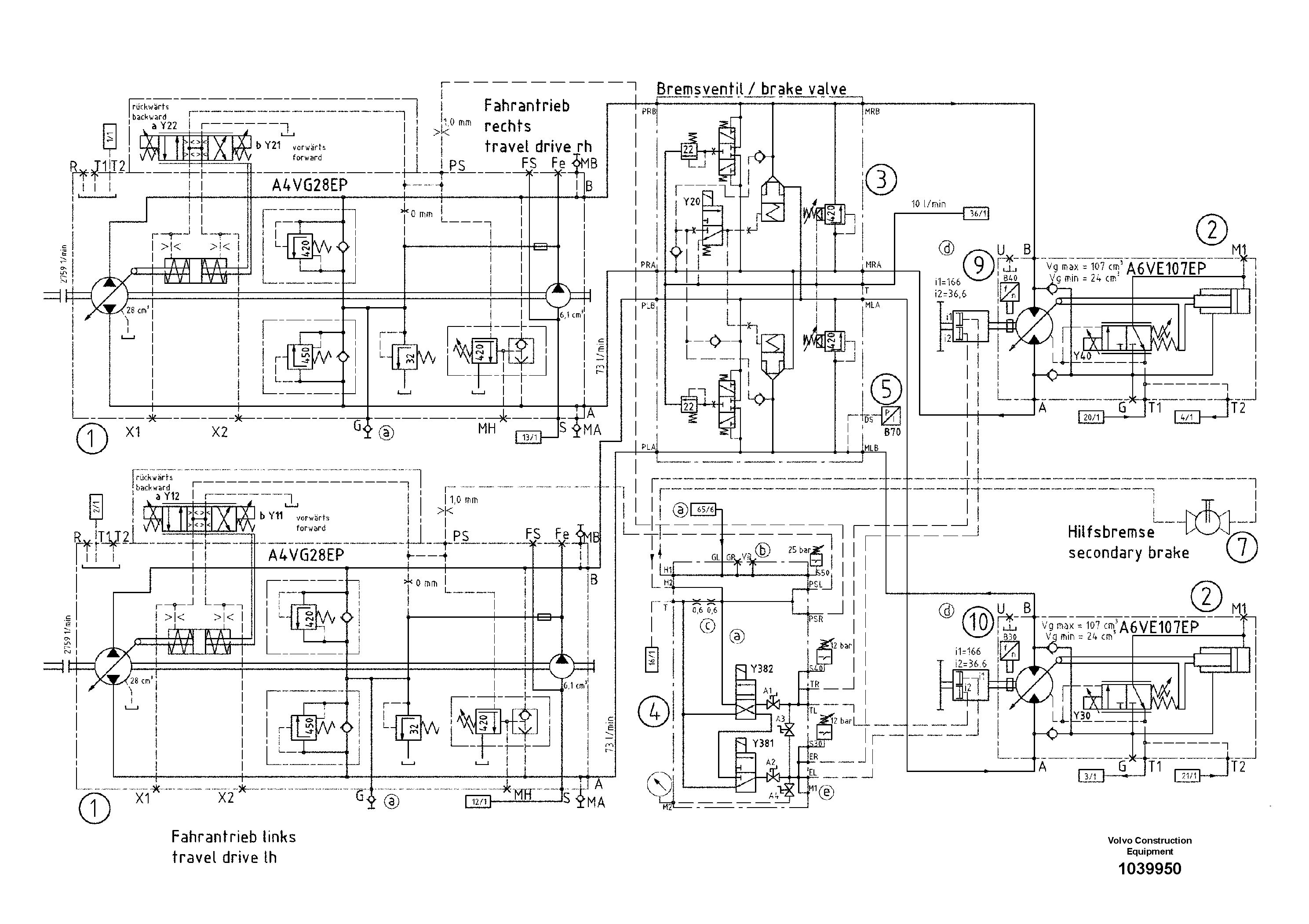
Запчасти Volvo ABG6870 57036 Hydraulic diagram ABG6870 S/N 20735 -

Схема запчастей Volvo ABG6870 - 57036 Hydraulic diagram ABG6870 S/N 20735 -
FIT
1:1
100%

Артикул

Название

Примечание

Количество

1

RM 80790058

Гидронасос (основной насос)

1шт.

1

RM 80790058

Гидронасос (основной насос)

1шт.

10

RM 80812134

SPEED SENSOR

S/N 21000-

1шт.

10

RM 80812134

SPEED SENSOR

S/N 21000-

1шт.

2

RM 80778426

Гидромотор

1шт.

2

RM 80778426

Гидромотор

1шт.

3

RM 80821333

Connection block

1шт.

3

RM 80821333

Connection block

1шт.

4

RM 80819865

Valve block

1шт.

4

RM 80819865

Valve block

1шт.

5

RM 54465414

Transducer

PRESSURE MEASURING

1шт.

5

RM 54465414

Transducer

PRESSURE MEASURING

1шт.

6

RM 80666837

SPEED SENSOR

S/N -29999

1шт.

6

RM 80666837

SPEED SENSOR

S/N -29999

1шт.

7

RM 80807670

Shut-off Cock

1шт.

7

RM 80807670

Shut-off Cock

1шт.

8

RM 80840085

Valve Kit

S/N -21266

1шт.

8

RM 80840085

Valve Kit

S/N -21266

1шт.

9

RM 80812142

SPEED SENSOR

S/N 21000-

1шт.

9

RM 80812142

SPEED SENSOR

S/N 21000-

1шт.

Выбрано товаров: 20