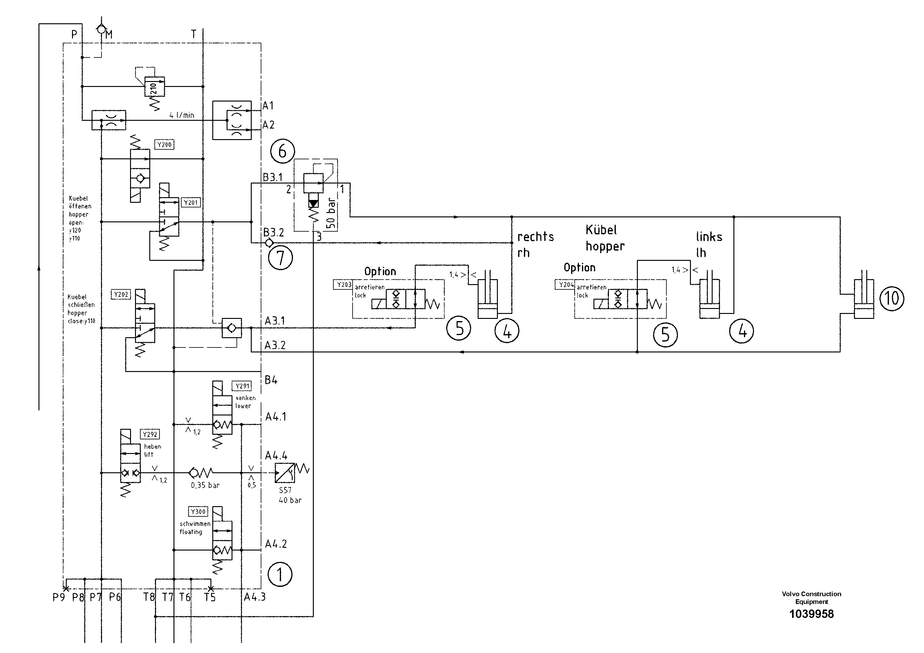
Запчасти Volvo ABG6870 57046 Hydraulic diagram ABG6870 S/N 20735 -

Схема запчастей Volvo ABG6870 - 57046 Hydraulic diagram ABG6870 S/N 20735 -
FIT
1:1
100%

Артикул

Название

Примечание

Количество

1

RM 80613920

Valve block

CYL./LEV

1шт.

1

RM 80613920

Valve block

CYL./LEV

1шт.

10

RM 80808272

Гидроцилиндр

1шт.

10

RM 80808272

Гидроцилиндр

1шт.

4

RM 80670185

Гидроцилиндр

1шт.

4

RM 80670185

Гидроцилиндр

1шт.

5

RM 80702137

Клапан

1шт.

5

RM 80702137

Клапан

1шт.

6

RM 80710155

Pressure Reducing Valve

1шт.

6

RM 80710155

Pressure Reducing Valve

1шт.

7

RM 54530696

Клапан

NON-RETURN

1шт.

7

RM 54530696

Клапан

NON-RETURN

1шт.

Выбрано товаров: 12