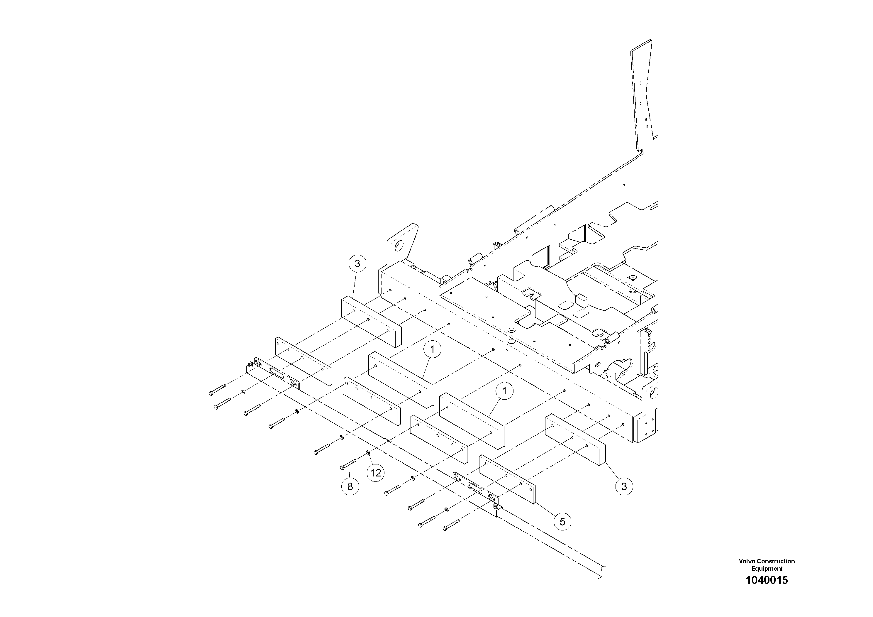
Запчасти Volvo ABG6870 78173 Ballast VB 78 ETC ATT. SCREED 2,5 - 9,0 M ABG5770, ABG5870, ABG6870

Схема запчастей Volvo ABG6870 - 78173 Ballast VB 78 ETC ATT. SCREED 2,5 - 9,0 M ABG5770, ABG5870, ABG6870
FIT
1:1
100%

Артикул

Название

Примечание

Количество

1

RM 80831878

Корпус клапана

1шт.

1

RM 80831878

Корпус клапана

1шт.

12

RM 14261028

Стопорная шайба (кольцо)

1шт.

12

RM 14261028

Стопорная шайба (кольцо)

1шт.

3

RM 80831886

Balancing weight

1шт.

3

RM 80831886

Balancing weight

1шт.

5

RM 80831894

Balancing weight

1шт.

5

RM 80831894

Balancing weight

1шт.

8

RM 96720693

Винт шестигранник

1шт.

8

RM 96720693

Винт шестигранник

1шт.

Выбрано товаров: 10