Запчасти Volvo PF161 87073 Blaw-control Ii Electrical System AGS 7.5 ATT. BLAW KONTROL II PF161, PF2181, PF4410

Схема запчастей Volvo PF161 - 87073 Blaw-control Ii Electrical System AGS 7.5 ATT. BLAW KONTROL II PF161, PF2181, PF4410
FIT
1:1
100%

Артикул

Название

Примечание

Количество

RM 20302360

Cable kit

NOT ILLUSTRATED

1шт.

RM 20940656

Splice

NOT ILLUSTRATED

1шт.

RM 15633977

Ремкомплект

PF-171

1шт.

RM 21143136

Крышка

NOT ILLUSTRATED

1шт.

RM 20163234

Cable

NOT ILLUSTRATED

1шт.

RM 21144209

Kit

1шт.

RM 20301354

Blaw-control Electrical K

1шт.

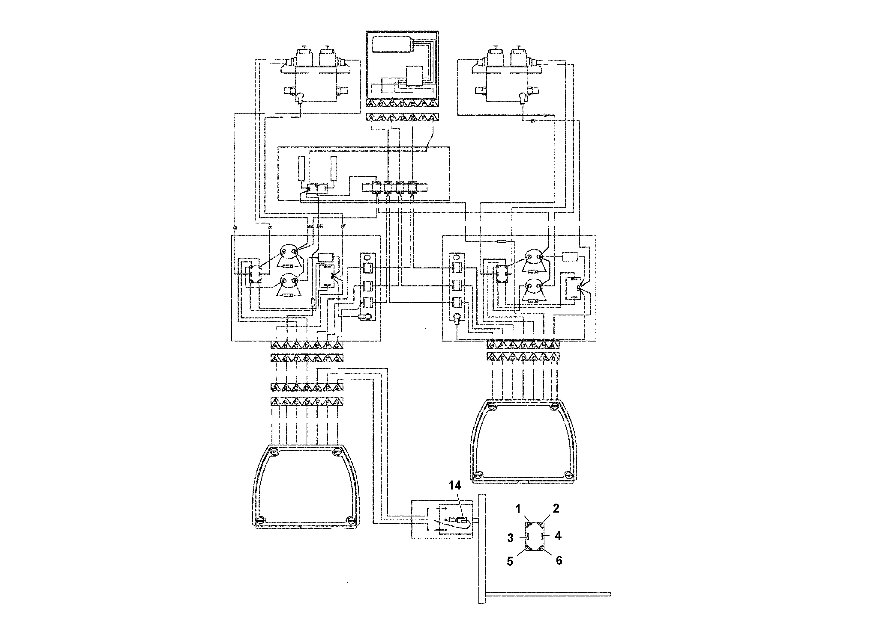
1

RM 21144217

Control box

1шт.

1A

RM 20302345

Электроника (электрооборудование )

PF-171

1шт.

1B

RM 20252805

Control unit

1шт.

2

RM 21144068

Switch box

BLAW KONTROL POWER SWITCH

1шт.

3

RM 43908698

Sensor kit

GRADE

1шт.

4

RM 20330551

Micro controller

GRADE/SLOPE

1шт.

5

RM 21143540

Sensor

SLOPE

1шт.

5

RM 21143540

Sensor

SLOPE

1шт.

6

RM 20297149

Рукоять

1шт.

7

RM 21143953

Mounting kit

1шт.

Выбрано товаров: 17