Запчасти Volvo PF2181 95383 Bogie Steering Assemblies PF2181 S/N 197473-

Схема запчастей Volvo PF2181 - 95383 Bogie Steering Assemblies PF2181 S/N 197473-
FIT
1:1
100%

Артикул

Название

Примечание

Количество

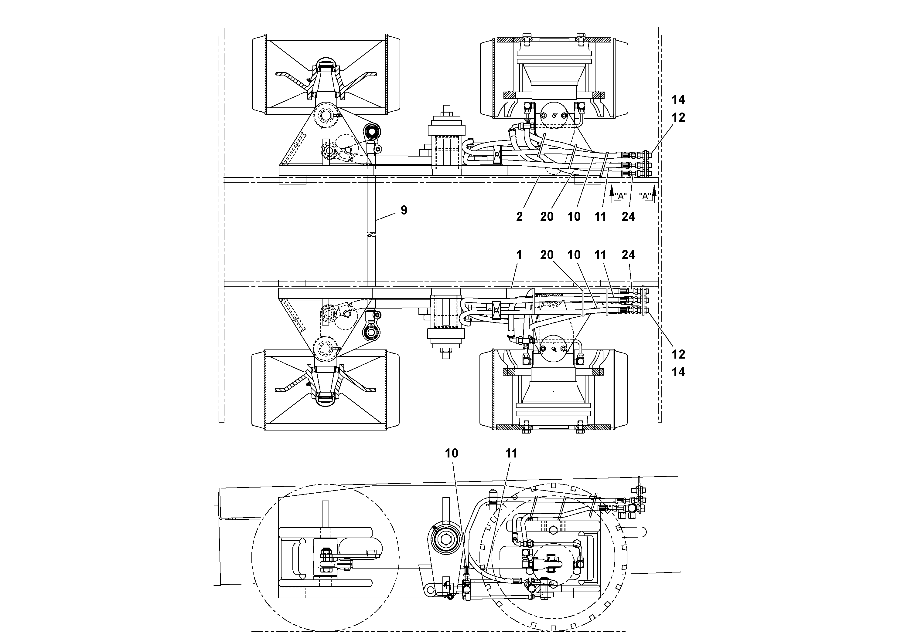
1

RM 15594526

Bogie

LH

1шт.

10

RM 20949855

Hose assembly

1шт.

11

RM 20949186

Hose assembly

1шт.

12

RM 59961839

Адаптер

1шт.

12

RM 59961839

Адаптер

1шт.

14

RM 96747522

Шайба

1шт.

2

RM 15594534

Bogie

RH

1шт.

20

RM 20933685

Cable tie

1шт.

20

RM 20933685

Cable tie

1шт.

24

RM 20366167

Фиттинг

1шт.

9

RM 20309928

Track rod

1шт.

Выбрано товаров: 11