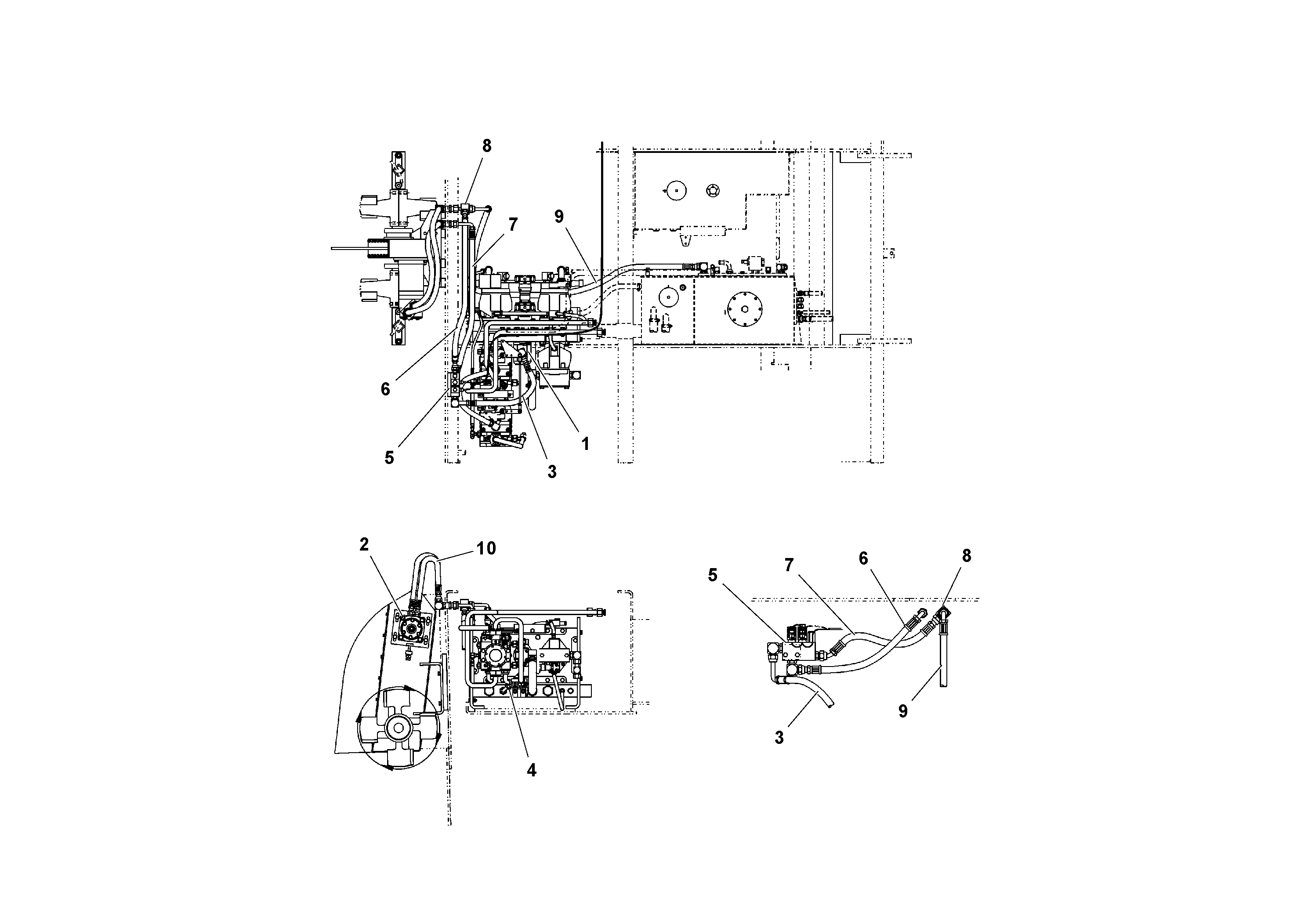
Запчасти Volvo PF2181 91697 Гидравлическая система PF2181 S/N 197473-

Схема запчастей Volvo PF2181 - 91697 Гидравлическая система PF2181 S/N 197473-
FIT
1:1
100%

Артикул

Название

Примечание

Количество

RM 20951158

Гайка

1шт.

RM 59922591

Адаптер

1шт.

RM 59922591

Адаптер

1шт.

RM 20946265

Elbow

1шт.

RM 59922971

Фиттинг

1шт.

RM 59922971

Фиттинг

1шт.

RM 95941100

Винт шестигранник

1шт.

RM 15509029

Cap

1шт.

RM 59962332

Адаптер

1шт.

RM 59962332

Адаптер

1шт.

RM 95920674

Винт шестигранник

1шт.

RM 95920674

Винт шестигранник

1шт.

RM 20259214

Зажим

1шт.

RM 59922971

Фиттинг

1шт.

RM 59922971

Фиттинг

1шт.

10

RM 20201620

Hose assembly

1шт.

3

RM 15512205

Шланг

1шт.

4

RM 20289526

Suction hose

1шт.

6

RM 20949293

Hose assembly

1шт.

7

RM 20203063

Hose assembly

1шт.

7

RM 20203063

Hose assembly

1шт.

8

RM 59903161

T-nipple

1шт.

9

RM 15511702

Шланг

1шт.

Выбрано товаров: 23