Запчасти Volvo PF2181 94461 Auger and Tunnel / Guard Arrangement PF2181 S/N 197473-

Схема запчастей Volvo PF2181 - 94461 Auger and Tunnel / Guard Arrangement PF2181 S/N 197473-
FIT
1:1
100%

Артикул

Название

Примечание

Количество

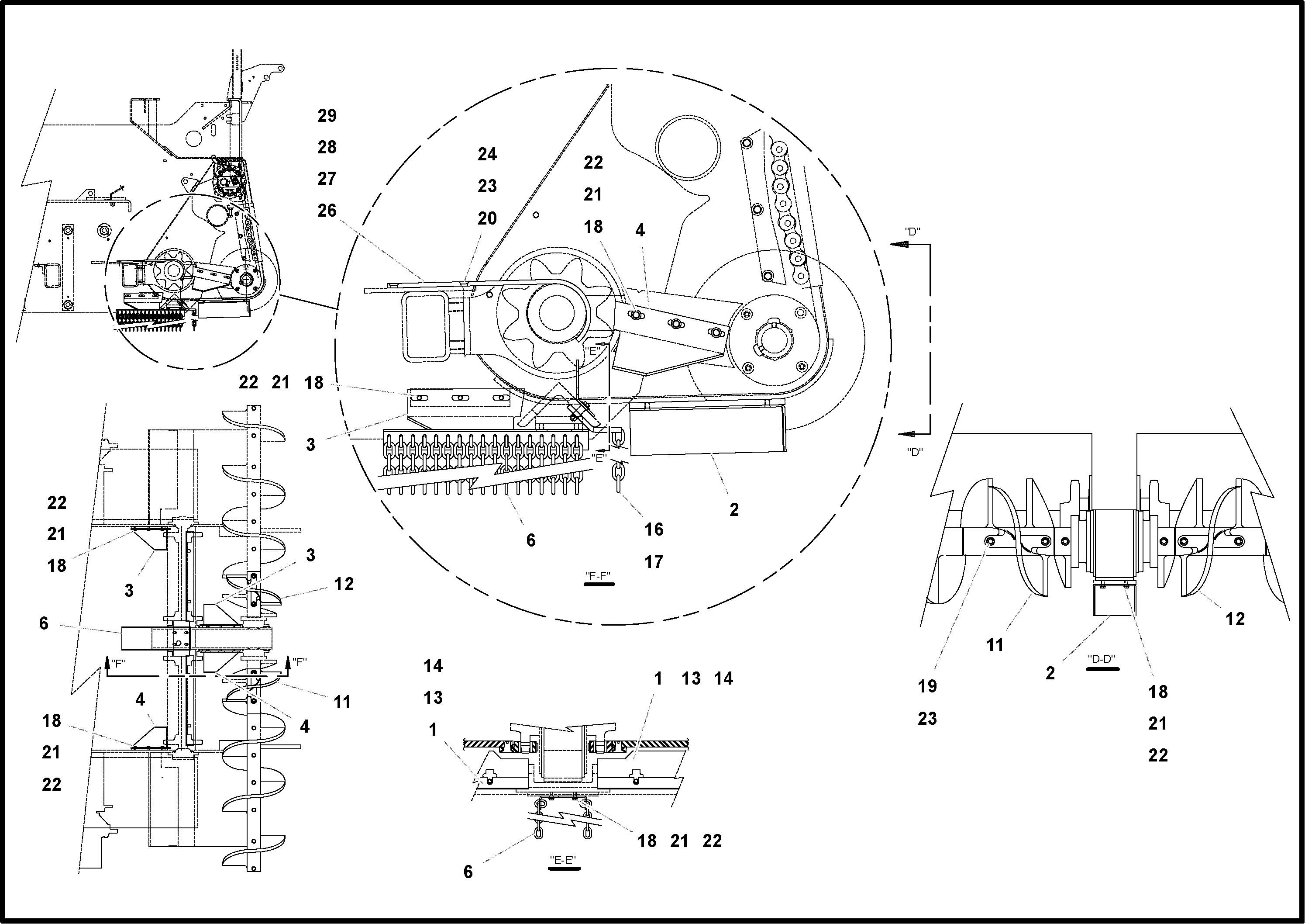
11

RM 20341095

Kit

1шт.

12

RM 95934550

Винт шестигранник

1шт.

12

RM 95934550

Винт шестигранник

1шт.

13

RM 95055117

Болт

1шт.

13

RM 95055117

Болт

1шт.

14

RM 95931432

Стопорная шайба (кольцо)

1шт.

14

RM 95931432

Стопорная шайба (кольцо)

1шт.

16

RM 95943080

Lock nut

1шт.

16

RM 95943080

Lock nut

1шт.

2

RM 20373874

Guard

1шт.

3

RM 20373882

Deflector

1шт.

4

RM 20373890

Deflector

1шт.

6

RM 20955035

Casting

1шт.

Выбрано товаров: 13