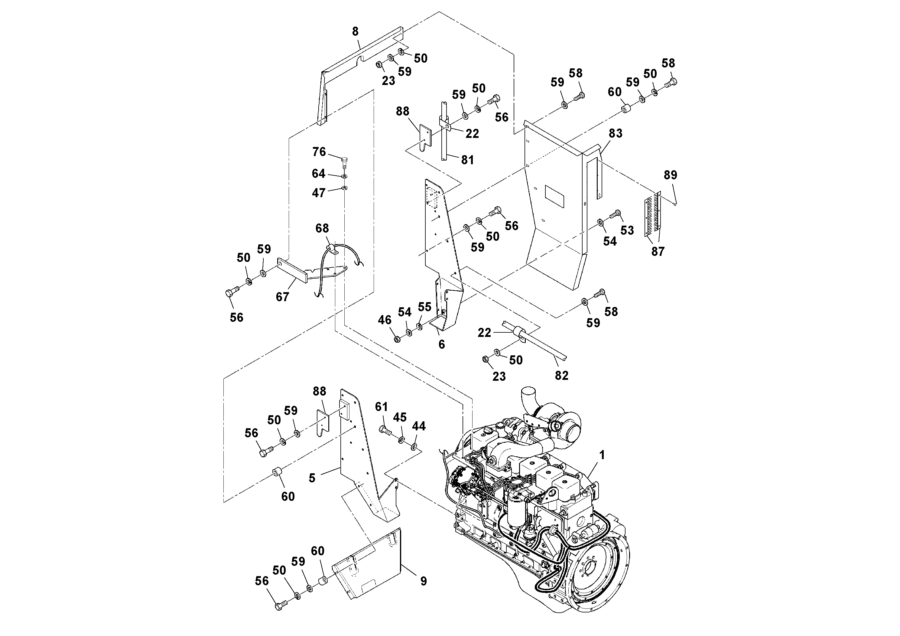
Запчасти Volvo PF2181 91753 Двигатель в сборе PF2181 S/N 197473-

Схема запчастей Volvo PF2181 - 91753 Двигатель в сборе PF2181 S/N 197473-
FIT
1:1
100%

Артикул

Название

Примечание

Количество

1

RM 20358255

Двигатель в сборе

QSB5.9-30-T

1шт.

22

RM 20938320

Hose clamp

1шт.

23

RM 95922894

Hexagon nut

1шт.

23

RM 95922894

Hexagon nut

1шт.

44

RM 96711767

Плоская шайба

1шт.

45

RM 59510073

Стопорная шайба (кольцо)

1шт.

46

RM 95931564

Гайка

1шт.

46

RM 95931564

Гайка

1шт.

47

RM 59510065

Стопорная шайба (кольцо)

1шт.

5

RM 13625710

Engine anchorage

LH

1шт.

50

RM 95931432

Стопорная шайба (кольцо)

1шт.

50

RM 95931432

Стопорная шайба (кольцо)

1шт.

53

RM 95934816

Винт шестигранник

1шт.

53

RM 95934816

Винт шестигранник

1шт.

54

RM 95922183

Плоская шайба

1шт.

54

RM 95922183

Плоская шайба

1шт.

55

RM 95931382

Стопорная шайба (кольцо)

1шт.

55

RM 95931382

Стопорная шайба (кольцо)

1шт.

56

RM 95920682

Винт шестигранник

1шт.

56

RM 95920682

Винт шестигранник

1шт.

58

RM 95920674

Винт шестигранник

1шт.

58

RM 95920674

Винт шестигранник

1шт.

59

RM 95922373

Плоская шайба

1шт.

59

RM 95922373

Плоская шайба

1шт.

6

RM 13626148

Engine anchorage

RH

1шт.

60

RM 20260196

Вставка

1шт.

61

RM 96702329

Винт шестигранник

1шт.

64

RM 96738588

Плоская шайба

1шт.

67

RM 13627112

Кронштейн

1шт.

68

RM 95301826

Зажим

1шт.

68

RM 95301826

Зажим

1шт.

76

RM 96702287

Винт шестигранник

1шт.

76

RM 96702287

Винт шестигранник

1шт.

8

RM 13627054

Baffle Plate

1шт.

81

RM 20330163

Return hose

1шт.

82

RM 20947461

Шланг

1шт.

83

RM 20364253

Shield

1шт.

87

RM 13627062

Sealing

1шт.

88

RM 13627088

Кронштейн

1шт.

89

RM 20335329

Pop rivet

1шт.

9

RM 13626817

Шайба

1шт.

Выбрано товаров: 41