Запчасти Volvo PF3172/PF3200 S/N 197507- 67637 Traction Drive Motor

Схема запчастей Volvo PF3172/PF3200 S/N 197507- - 67637 Traction Drive Motor
FIT
1:1
100%

Артикул

Название

Примечание

Количество

RM 43909951

Variable Motor

TRACTION, LH

1шт.

RM 43909969

Variable Motor

RH

1шт.

RM 20328571

Sealing kit

NOT ILLUSTRATED

1шт.

RM 43909969

Variable Motor

TRACTION, RH

1шт.

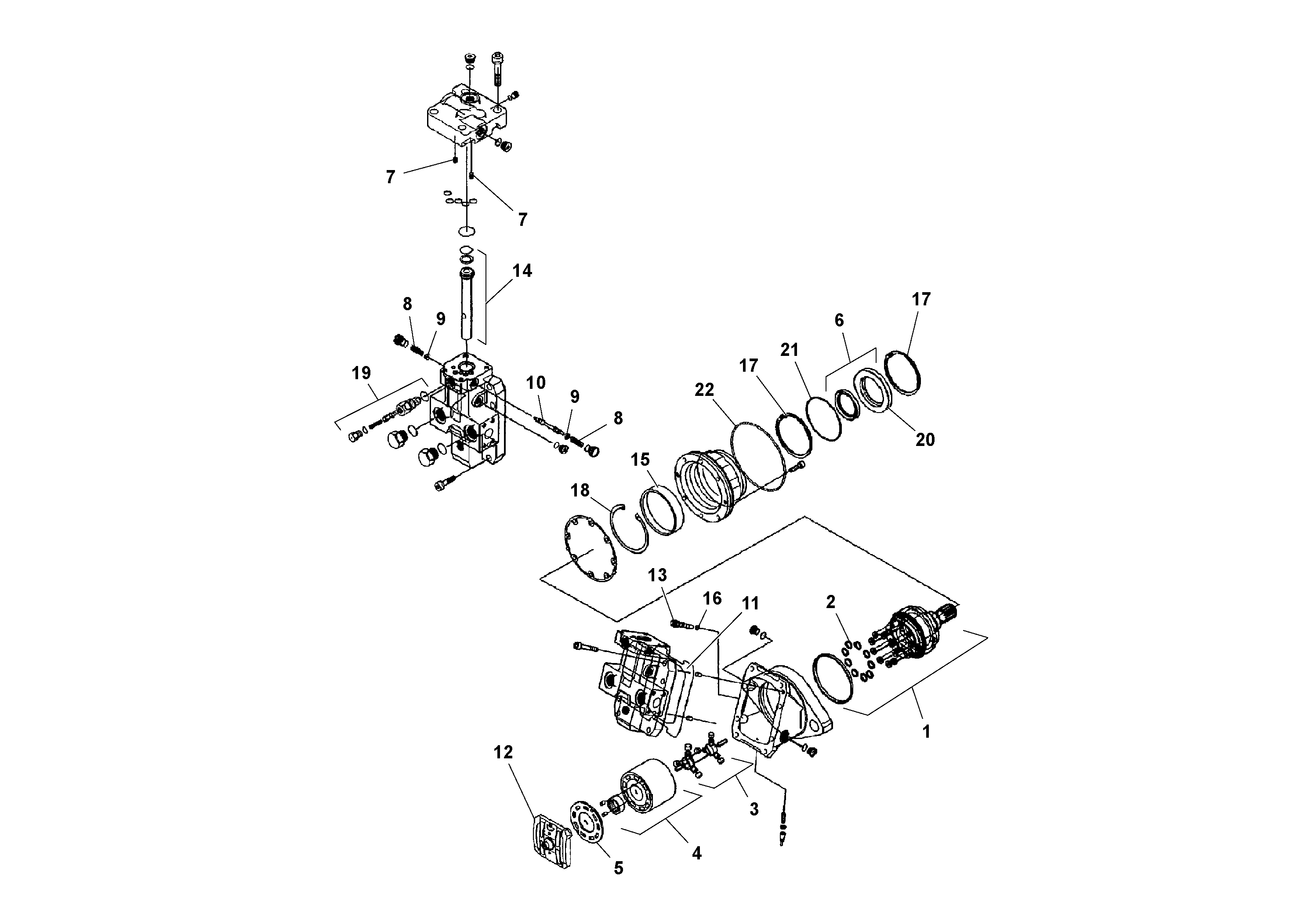
1

RM 20328522

Shaft set

W/ SPEED RING, LH

1шт.

10

RM 13791488

Соленоид (электромагнитная катушка)

1шт.

10

RM 13791488

Соленоид (электромагнитная катушка)

1шт.

11

RM 20328597

Прокладка

1шт.

12

RM 20328605

Segment

1шт.

13

RM 20258315

Speed monitor

LH, SPEED SENSOR

1шт.

14

RM 20328613

Ремкоплект поршня

1шт.

15

RM 20328621

Вставка

1шт.

16

RM 20328639

Кольцо уплотнительное (О-кольцо)

1шт.

17

RM 20328647

Retaining ring

1шт.

18

RM 20328654

Retaining ring

1шт.

19

RM 20328662

Valve kit

CARTRIDGE

1шт.

19

RM 20328662

Valve kit

CARTRIDGE

1шт.

2

RM 20328530

Комплект поршневых колец

1шт.

20

RM 20328670

Lip seal

1шт.

21

RM 20328688

Кольцо уплотнительное (О-кольцо)

1шт.

22

RM 20328696

Кольцо уплотнительное (О-кольцо)

1шт.

3

RM 20328548

Shaft set

SYNCH SHAFT

1шт.

4

RM 20328555

Блок цилиндров

1шт.

5

RM 20328563

Bearing plate

1шт.

6

RM 20328589

Sealing kit

1шт.

7

RM 13790597

Фиттинг

1шт.

7

RM 13790597

Фиттинг

1шт.

8

RM 13791496

Пружина

1шт.

8

RM 13791496

Пружина

1шт.

9

RM 13366604

Spring guide

1шт.

9

RM 13366604

Spring guide

1шт.

Выбрано товаров: 31