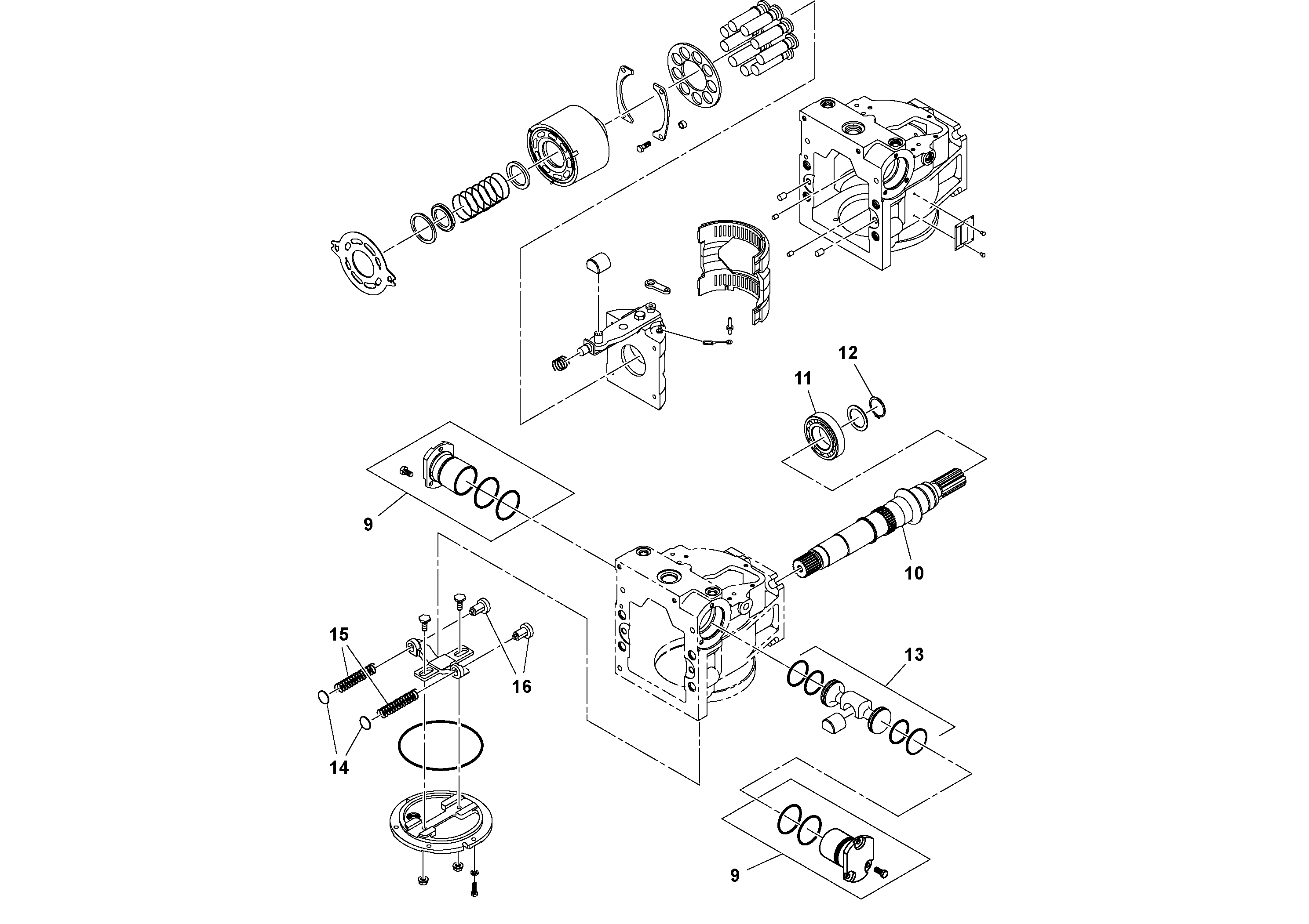
Запчасти Volvo PF3172/PF3200 S/N 197507- 53473 Гидронасос (основной насос)

Схема запчастей Volvo PF3172/PF3200 S/N 197507- - 53473 Гидронасос (основной насос)
FIT
1:1
100%

Артикул

Название

Примечание

Количество

RM 13792973

Вал

Front

1шт.

10

RM 13790969

Вал насоса

Rear

1шт.

11

RM 59067538

Bearing roller

1шт.

11

RM 59067538

Bearing roller

1шт.

12

RM 59785519

Кольцо

1шт.

12

RM 59785519

Кольцо

1шт.

13

RM 59399279

Ремкоплект поршня

1шт.

14

RM 58763475

Прокладка

1шт.

15

RM 59395970

Пружина

1шт.

16

RM 58891946

Spring seat

1шт.

9

RM 13791140

Kit

1шт.

Выбрано товаров: 11