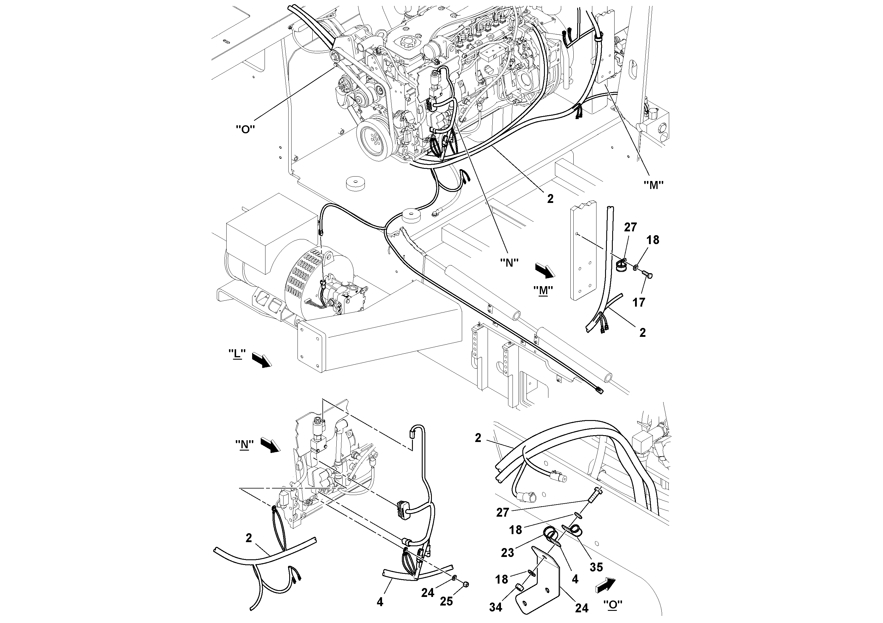
Запчасти Volvo PF6160 92961 Harness Installation PF6160/PF6170

Схема запчастей Volvo PF6160 - 92961 Harness Installation PF6160/PF6170
FIT
1:1
100%

Артикул

Название

Примечание

Количество

17

RM 96701917

Винт шестигранник

1шт.

17

RM 96701917

Винт шестигранник

1шт.

18

RM 96741046

Плоская шайба

1шт.

18

RM 96741046

Плоская шайба

1шт.

2

RM 43899343

Cable harness

FRONT

1шт.

2

RM 43899343

Cable harness

FRONT

1шт.

23

RM 59462945

Зажим

1шт.

23

RM 59462945

Зажим

1шт.

24

RM 43832823

Dust cap

1шт.

24

RM 43832823

Dust cap

1шт.

25

RM 96704606

Lock nut

1шт.

25

RM 96704606

Lock nut

1шт.

27

RM 96702279

Винт шестигранник

1шт.

27

RM 96702279

Винт шестигранник

1шт.

4

RM 13490024

Cable harness

ENGINE

1шт.

4

RM 13490024

Cable harness

ENGINE

1шт.

Выбрано товаров: 16