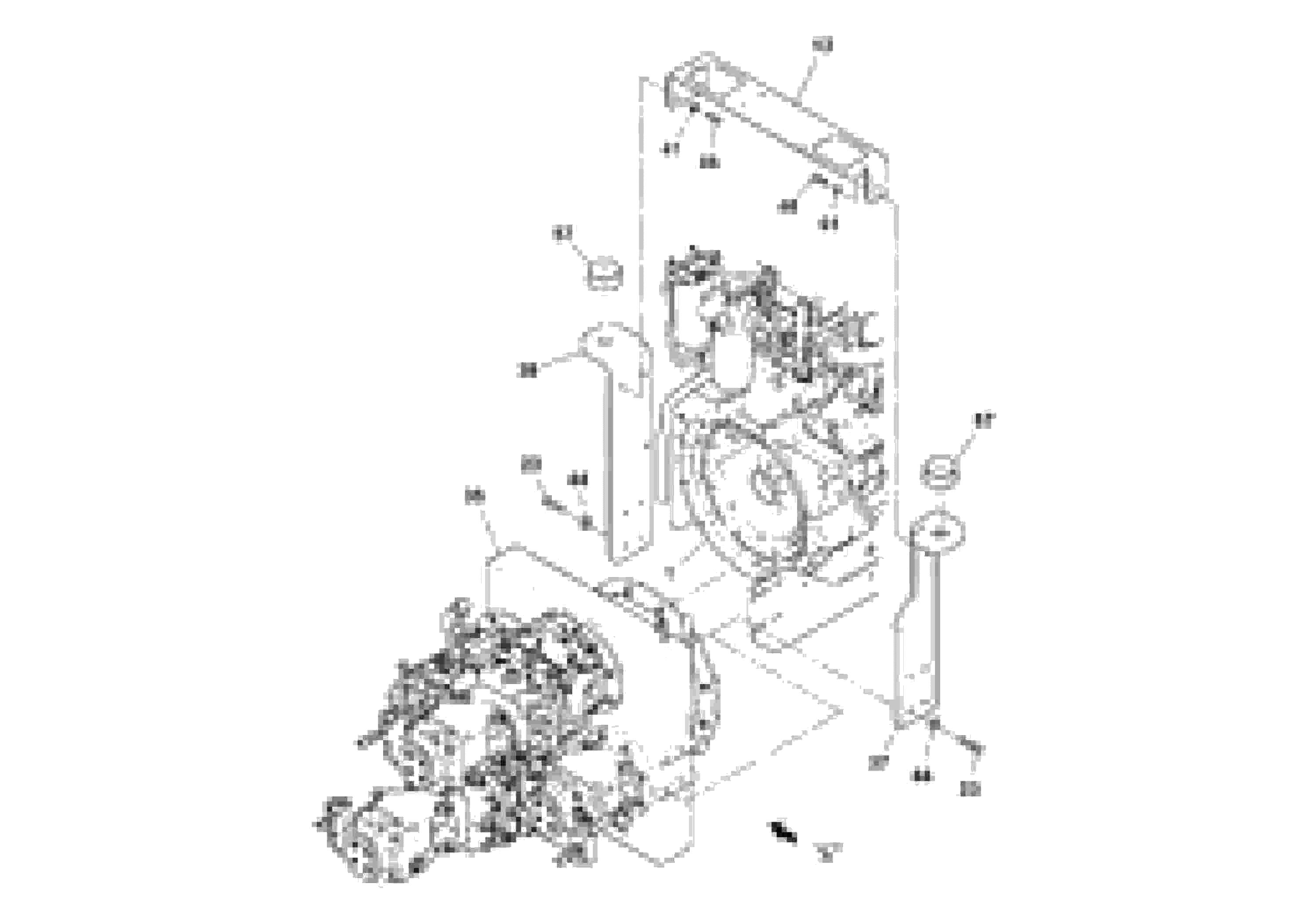
Запчасти Volvo PF6160 93423 Двигатель в сборе PF6160/PF6170

Схема запчастей Volvo PF6160 - 93423 Двигатель в сборе PF6160/PF6170
FIT
1:1
100%

Артикул

Название

Примечание

Количество

RM 43810043

Ремень

1шт.

RM 43802263

Фильтр топливный

1шт.

RM 43830777

Starter motor

1шт.

RM 43810027

Alternator

1шт.

RM 13284617

Фильтр масляный

1шт.

RM 13284617

Фильтр топливный

1шт.

RM 19295872

Фильтр топливный

1шт.

1

RM 13478821

Двигатель в сборе

1шт.

13

RM 13339296

Brace

1шт.

23

RM 96702667

Винт шестигранник

1шт.

37

RM 13867775

Engine anchorage

1шт.

38

RM 13867783

Engine anchorage

1шт.

41

RM 96741046

Плоская шайба

1шт.

41

RM 96741046

Плоская шайба

1шт.

44

RM 96712237

Плоская шайба

1шт.

44

RM 96712237

Плоская шайба

1шт.

46

RM 96705066

Винт шестигранник

1шт.

57

RM 13092929

Rubber damper

1шт.

57

RM 13092929

Rubber damper

1шт.

61

RM 43813575

Sealing

1шт.

61

RM 43813575

Sealing

1шт.

Выбрано товаров: 21