Запчасти Volvo PF6160 93081 Propulsion Installation PF6160/PF6170

Схема запчастей Volvo PF6160 - 93081 Propulsion Installation PF6160/PF6170
FIT
1:1
100%

Артикул

Название

Примечание

Количество

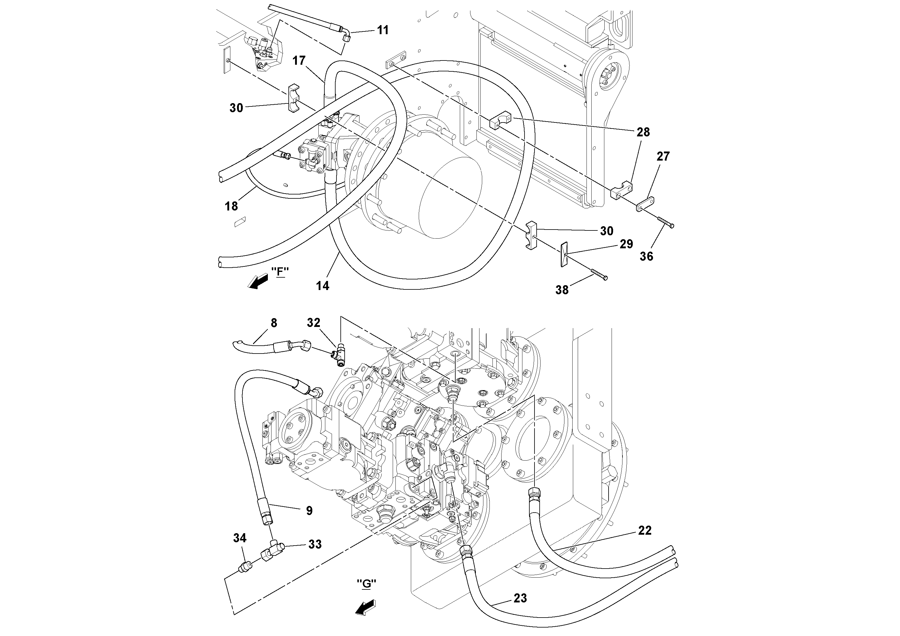
11

RM 13529359

Hose assembly

1шт.

14

RM 13846555

Hose assembly

1шт.

17

RM 13846589

Hose assembly

1шт.

18

RM 13846597

Hydraulic hose

1шт.

22

RM 43930627

Шланг

1шт.

23

RM 43930635

Шланг

1шт.

27

RM 59583658

Шайба

1шт.

28

RM 59583674

Зажим

1шт.

29

RM 59656322

Шайба

1шт.

29

RM 59656322

Шайба

1шт.

30

RM 59812594

Зажим

1шт.

32

RM 59918532

Адаптер

1шт.

33

RM 59918540

Адаптер

1шт.

33

RM 59918540

Адаптер

1шт.

34

RM 59919670

Соединитель

1шт.

34

RM 59919670

Адаптер

1шт.

36

RM 95103859

Винт шестигранник

1шт.

38

RM 95920567

Винт шестигранник

1шт.

38

RM 95920567

Винт шестигранник

1шт.

8

RM 13519830

Hose assembly

1шт.

9

RM 13519848

Hose assembly

1шт.

Выбрано товаров: 21