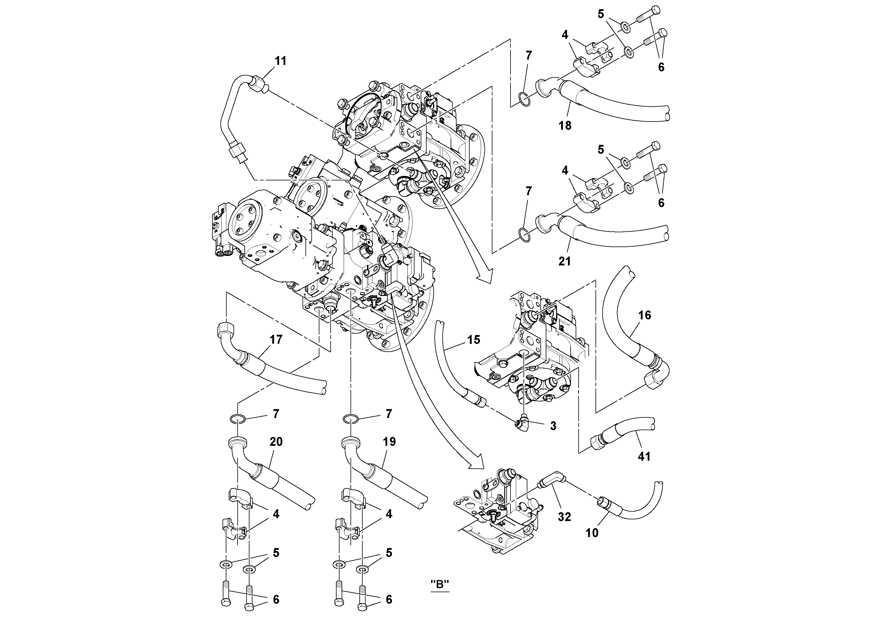
Запчасти Volvo PF6160 106713 Propulsion Installation PF6160/PF6170

Схема запчастей Volvo PF6160 - 106713 Propulsion Installation PF6160/PF6170
FIT
1:1
100%

Артикул

Название

Примечание

Количество

10

RM 13519848

Hose assembly

1шт.

11

RM 43899129

Трубка

1шт.

11

RM 43899129

Трубка

1шт.

15

RM 13519830

Hose assembly

1шт.

16

RM 19284314

Hydraulic hose

1шт.

16

RM 19284314

Hydraulic hose

1шт.

17

RM 13846530

Hydraulic hose

1шт.

17

RM 13846530

Hydraulic hose

1шт.

18

RM 13846555

Hose assembly

1шт.

19

RM 13846563

Hose assembly

1шт.

20

RM 13846571

Hose assembly

1шт.

21

RM 13846589

Hose assembly

1шт.

3

RM 59919670

Соединитель

NOT SHOWN

1шт.

3

RM 59919670

Адаптер

NOT SHOWN

1шт.

32

RM 59918557

T-nipple

1шт.

4

RM 58901653

Зажим

1шт.

4

RM 58901653

Зажим

1шт.

41

RM 13846613

Hydraulic hose

1шт.

41

RM 13846613

Hydraulic hose

1шт.

5

RM 96738596

Шайба

1шт.

6

RM 95939922

Винт шестигранник

1шт.

6

RM 95939922

Винт шестигранник

1шт.

7

RM 59993881

Кольцо уплотнительное (О-кольцо)

1шт.

7

RM 59993881

Кольцо уплотнительное (О-кольцо)

1шт.

Выбрано товаров: 24