Запчасти Volvo PF6160 87186 Fwa Hydraulic Installation PF6160/PF6170

Схема запчастей Volvo PF6160 - 87186 Fwa Hydraulic Installation PF6160/PF6170
FIT
1:1
100%

Артикул

Название

Примечание

Количество

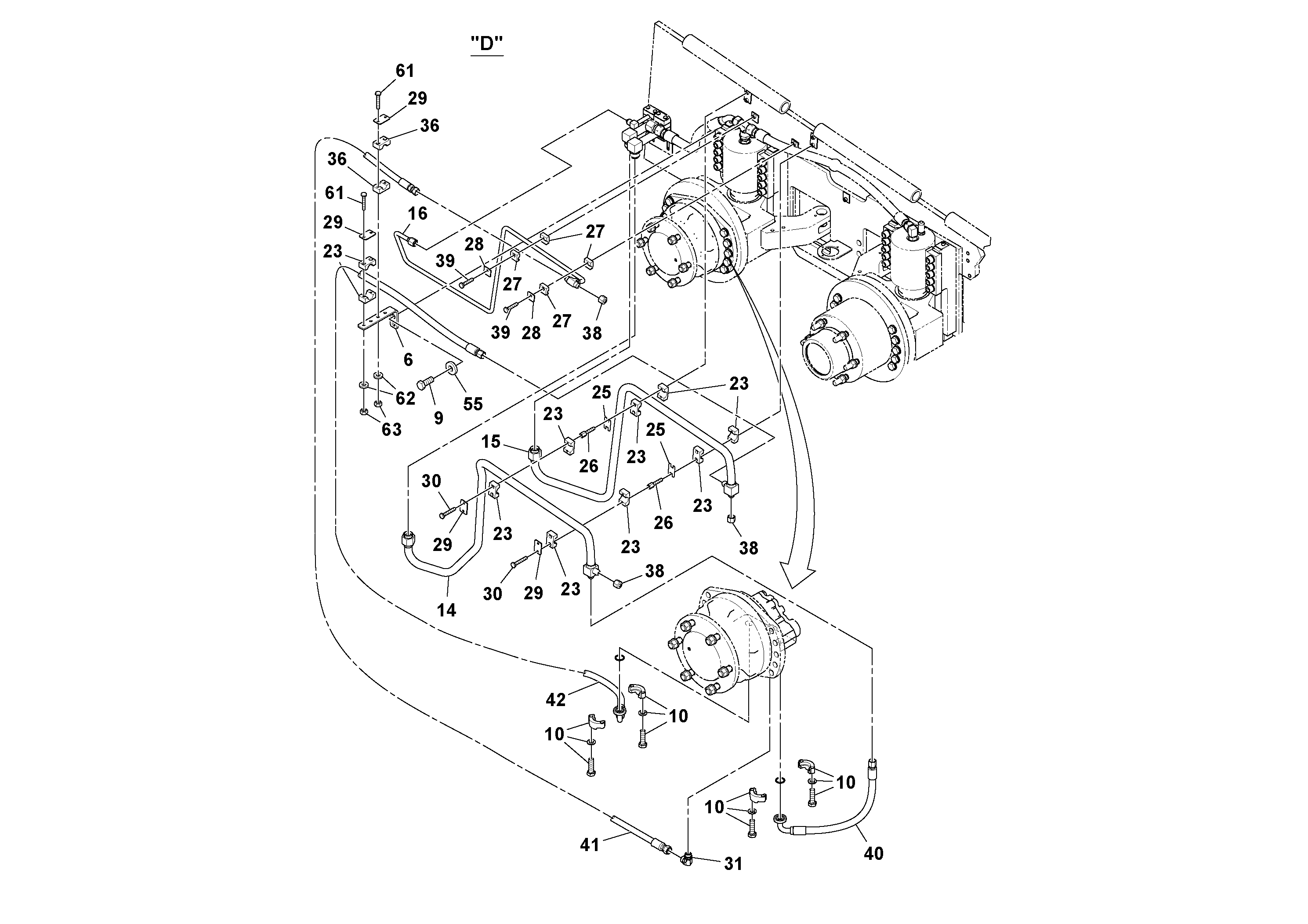
14

RM 19297019

Трубка

1шт.

15

RM 19297001

Трубка

1шт.

16

RM 19297027

Трубка

1шт.

23

RM 59637793

Зажим

1шт.

23

RM 59637793

Зажим

1шт.

25

RM 59691907

Safety plate

1шт.

26

RM 59590026

Болт

1шт.

27

RM 13833843

Зажим

1шт.

28

RM 13833868

Зажим

1шт.

29

RM 59587816

Шайба

1шт.

29

RM 59587816

Шайба

1шт.

30

RM 95920724

Винт шестигранник

1шт.

30

RM 95920724

Винт шестигранник

1шт.

31

RM 96741772

Elbow

1шт.

36

RM 13251004

Зажим

1шт.

38

RM 95257325

Гайка

1шт.

38

RM 95257325

Гайка

1шт.

39

RM 95920609

Болт

1шт.

40

RM 19298025

Hose assembly

1шт.

41

RM 19298033

Hose assembly

1шт.

42

RM 43820687

Hose assembly

1шт.

55

RM 96712237

Плоская шайба

1шт.

55

RM 96712237

Плоская шайба

1шт.

6

RM 13833611

Кронштейн

1шт.

61

RM 95919304

Болт

1шт.

62

RM 95935029

Плоская шайба

1шт.

63

RM 95993564

Lock nut

1шт.

9

RM 96702311

Винт шестигранник

1шт.

9

RM 96702311

Винт шестигранник

1шт.

Выбрано товаров: 29