Запчасти Volvo PF6160 92835 Screed Lock Installation PF6160/PF6170

Схема запчастей Volvo PF6160 - 92835 Screed Lock Installation PF6160/PF6170
FIT
1:1
100%

Артикул

Название

Примечание

Количество

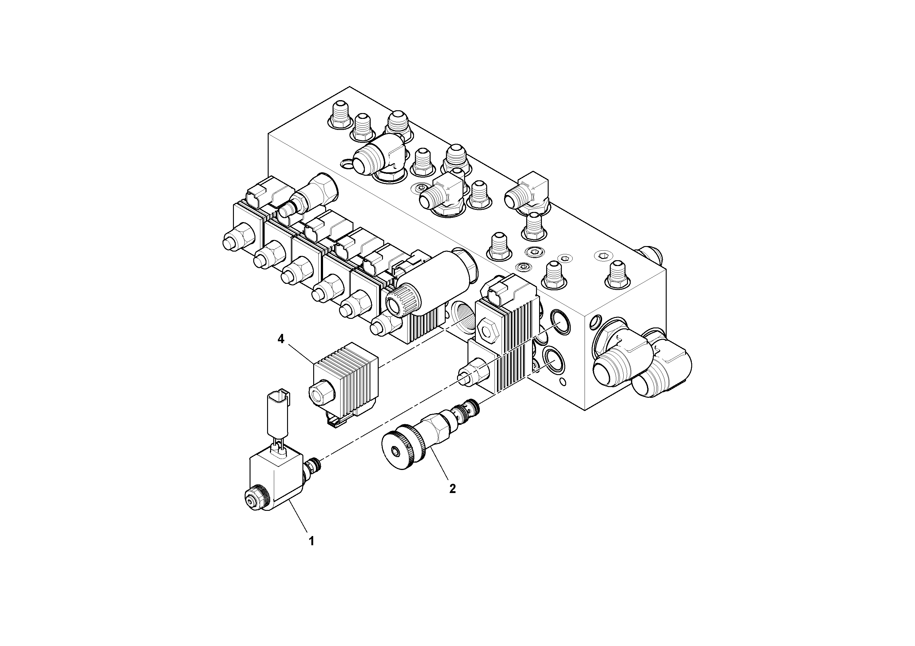
1

RM 13423165

Клапан

TWO-WAY CARTRIDGE

1шт.

2

RM 13423173

Клапан

REDUCING CARTRIDGE

1шт.

3

RM 13424247

Переключатель

NOT SHOWN

1шт.

4

RM 13423157

Клапан

CARTRIDGE 2POS/WAY

1шт.

Выбрано товаров: 4