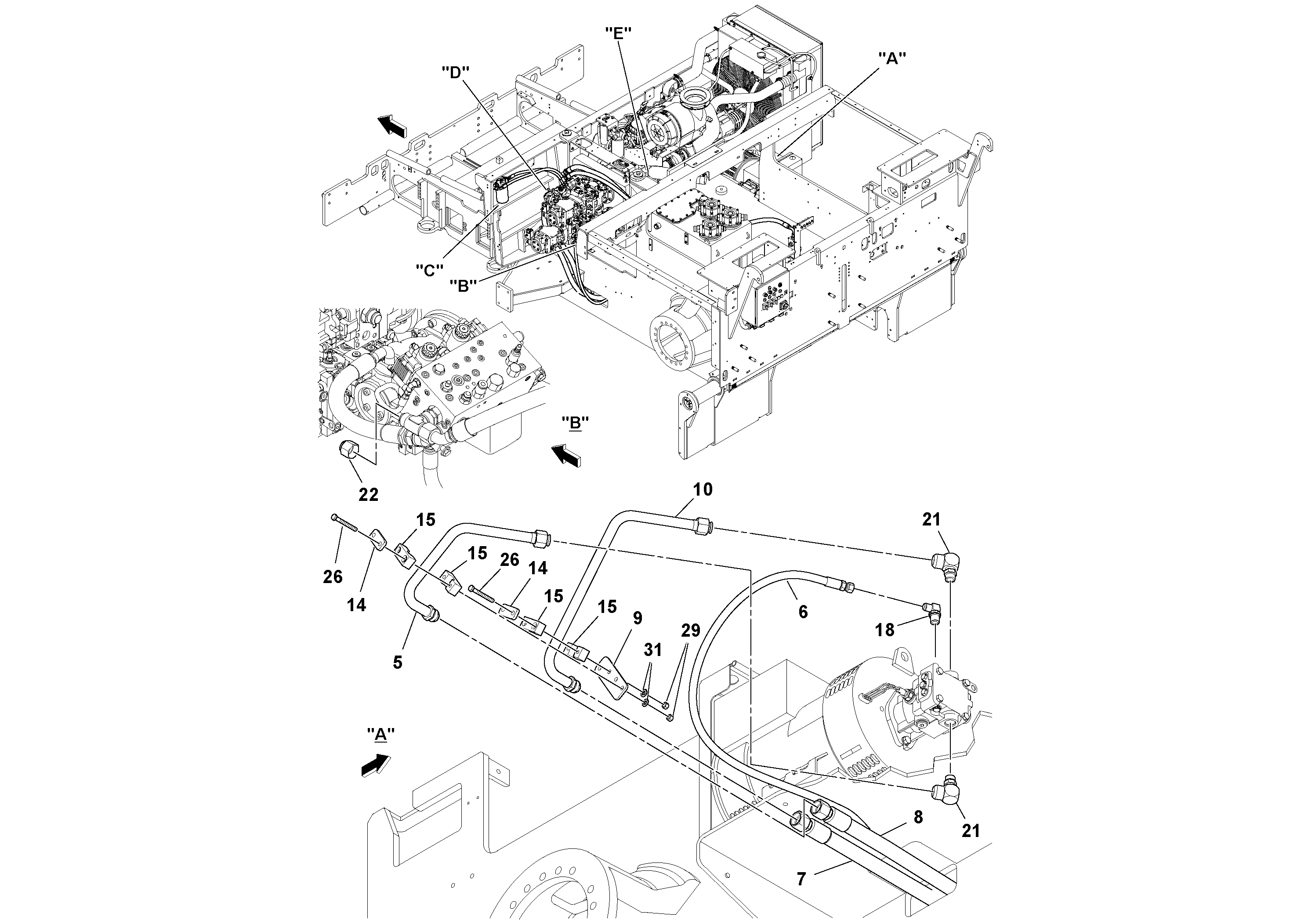
Запчасти Volvo PF6160 92440 Hydraulic Generator Installation PF6160/PF6170

Схема запчастей Volvo PF6160 - 92440 Hydraulic Generator Installation PF6160/PF6170
FIT
1:1
100%

Артикул

Название

Примечание

Количество

10

RM 43860766

Трубка

1шт.

14

RM 59583609

Шайба

1шт.

14

RM 59583609

Шайба

1шт.

15

RM 59607432

Зажим

1шт.

15

RM 59607432

Зажим

1шт.

18

RM 95303350

Адаптер

1шт.

18

RM 95303350

Адаптер

1шт.

21

RM 95368890

Адаптер

1шт.

21

RM 95368890

Адаптер

1шт.

22

RM 95387924

Cap

1шт.

22

RM 95387924

Cap

1шт.

26

RM 95935144

Винт шестигранник

1шт.

29

RM 95943254

Lock nut

1шт.

29

RM 95943254

Lock nut

1шт.

31

RM 96714399

Плоская шайба

1шт.

31

RM 96714399

Плоская шайба

1шт.

33

RM 43878412

Strap

1шт.

5

RM 43824267

Трубка

1шт.

6

RM 43824408

Hose assembly

1шт.

7

RM 43824440

Hose assembly

1шт.

8

RM 43824465

Hose assembly

1шт.

9

RM 43824499

Кронштейн

1шт.

Выбрано товаров: 22