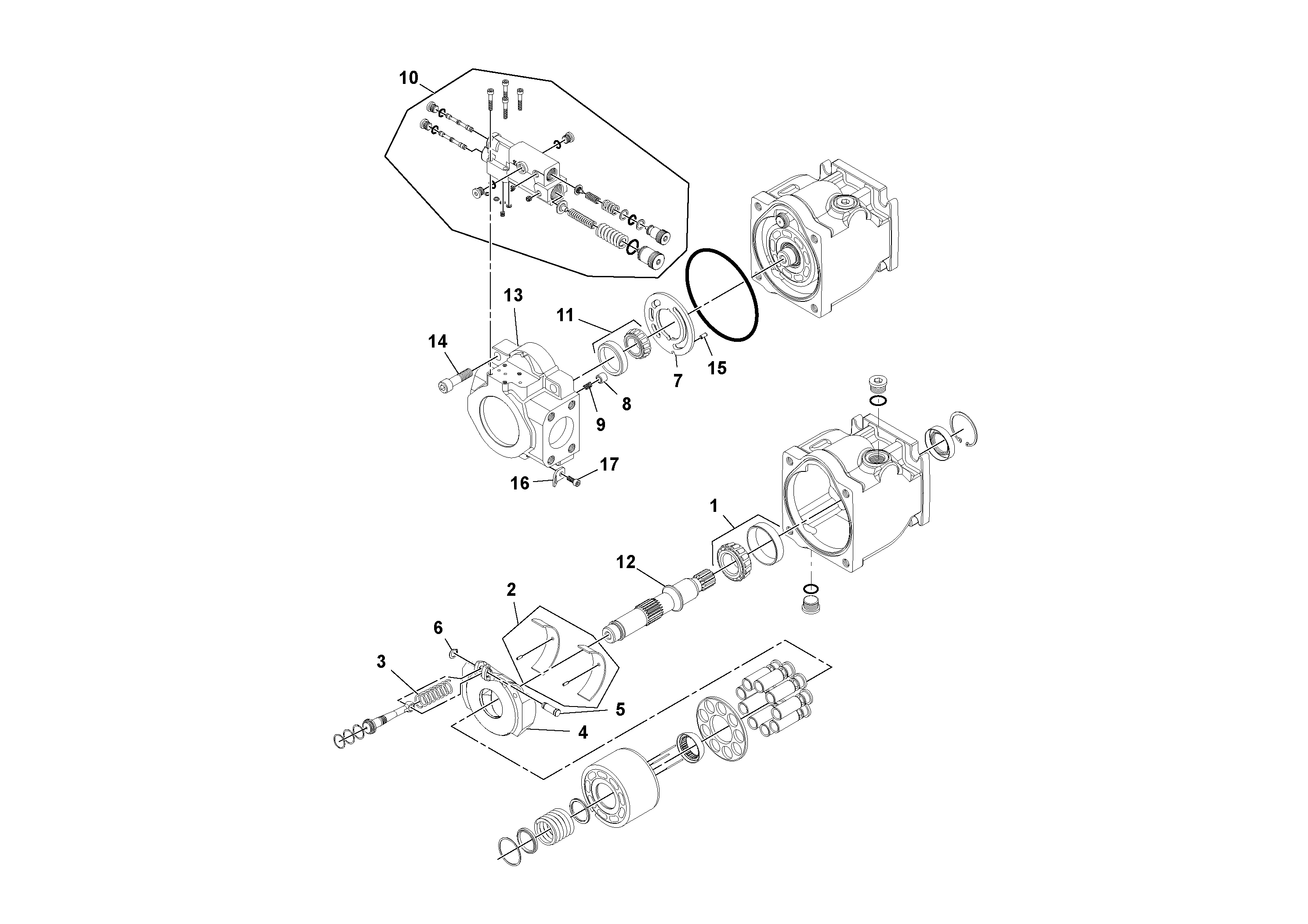
Запчасти Volvo PF6160 94802 Mixer Tub Pump PF6160/PF6170

Схема запчастей Volvo PF6160 - 94802 Mixer Tub Pump PF6160/PF6170
FIT
1:1
100%

Артикул

Название

Примечание

Количество

RM 19330588

Кольцо

1шт.

RM 19330588

Кольцо

1шт.

RM 19313865

Кольцо уплотнительное

1шт.

RM 19313865

Кольцо уплотнительное

1шт.

RM 59360610

Кольцо уплотнительное (О-кольцо)

1шт.

RM 59360610

Кольцо уплотнительное (О-кольцо)

1шт.

RM 58881863

Кольцо уплотнительное (О-кольцо)

1шт.

RM 58881863

Кольцо уплотнительное (О-кольцо)

1шт.

RM 58941998

Кольцо уплотнительное (О-кольцо)

1шт.

RM 58941998

Кольцо уплотнительное (О-кольцо)

1шт.

RM 59888214

Кольцо уплотнительное (О-кольцо)

1шт.

RM 59888214

Кольцо уплотнительное (О-кольцо)

1шт.

25

RM 43907252

Блок цилиндров

NOT SHOWN

1шт.

26

RM 43907260

Spring seat

NOT SHOWN

1шт.

27

RM 43907286

Пружина

NOT SHOWN

1шт.

28

RM 43907294

Spring seat

NOT SHOWN

1шт.

29

RM 58799982

Ring retainer

NOT SHOWN

1шт.

30

RM 19313881

Палец

NOT SHOWN

1шт.

30

RM 19313881

Палец

NOT SHOWN

1шт.

31

RM 43907302

Guide

NOT SHOWN

1шт.

32

RM 43907310

Тарелка клапана

NOT SHOWN

1шт.

33

RM 19313899

Поршень

NOT SHOWN

1шт.

33

RM 19313899

Поршень

NOT SHOWN

1шт.

34

RM 43907328

Поршень

NOT SHOWN

1шт.

35

RM 43907336

Piston ring

NOT SHOWN

1шт.

36

RM 19313907

Sealing kit

NOT SHOWN

1шт.

36

RM 19313907

Sealing kit

NOT SHOWN

1шт.

Выбрано товаров: 27