Запчасти Volvo PF6170 92385 Fwa Installation PF6160/PF6170

Схема запчастей Volvo PF6170 - 92385 Fwa Installation PF6160/PF6170
FIT
1:1
100%

Артикул

Название

Примечание

Количество

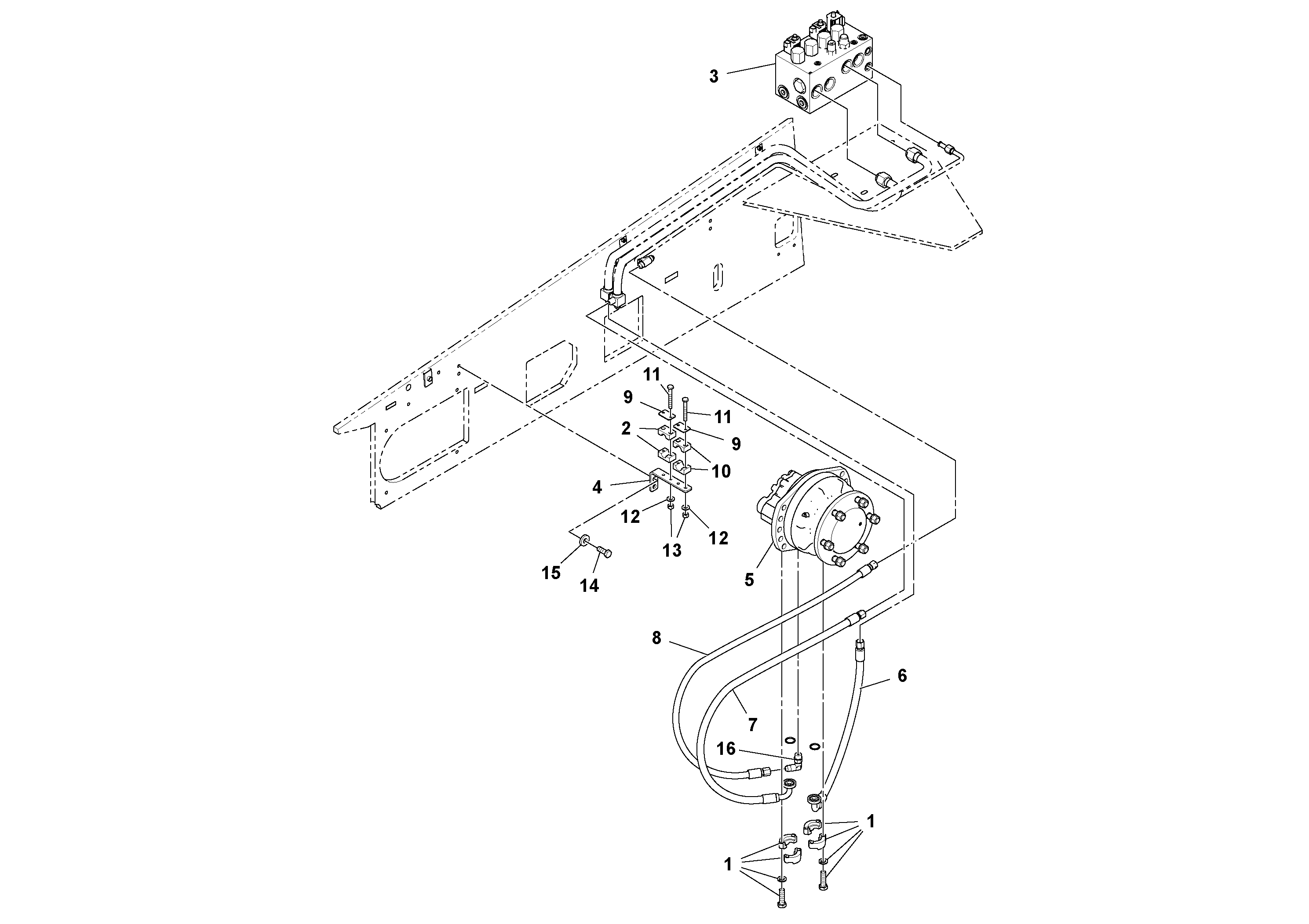
10

RM 59637793

Зажим

1шт.

10

RM 59637793

Зажим

1шт.

11

RM 95919304

Болт

1шт.

12

RM 95935029

Плоская шайба

1шт.

13

RM 95993564

Lock nut

1шт.

14

RM 96702311

Винт шестигранник

1шт.

14

RM 96702311

Винт шестигранник

1шт.

15

RM 96712237

Плоская шайба

1шт.

15

RM 96712237

Плоская шайба

1шт.

16

RM 96741772

Elbow

1шт.

2

RM 13251004

Зажим

1шт.

3

RM 43909266

Клапан

1шт.

4

RM 13833611

Кронштейн

1шт.

5

RM 14069264

Гидромотор

1шт.

5

RM 14069264

Гидромотор

1шт.

6

RM 19298025

Hose assembly

1шт.

7

RM 19298033

Hose assembly

1шт.

8

RM 43873546

Hose assembly

1шт.

9

RM 59587816

Шайба

1шт.

9

RM 59587816

Шайба

1шт.

Выбрано товаров: 20