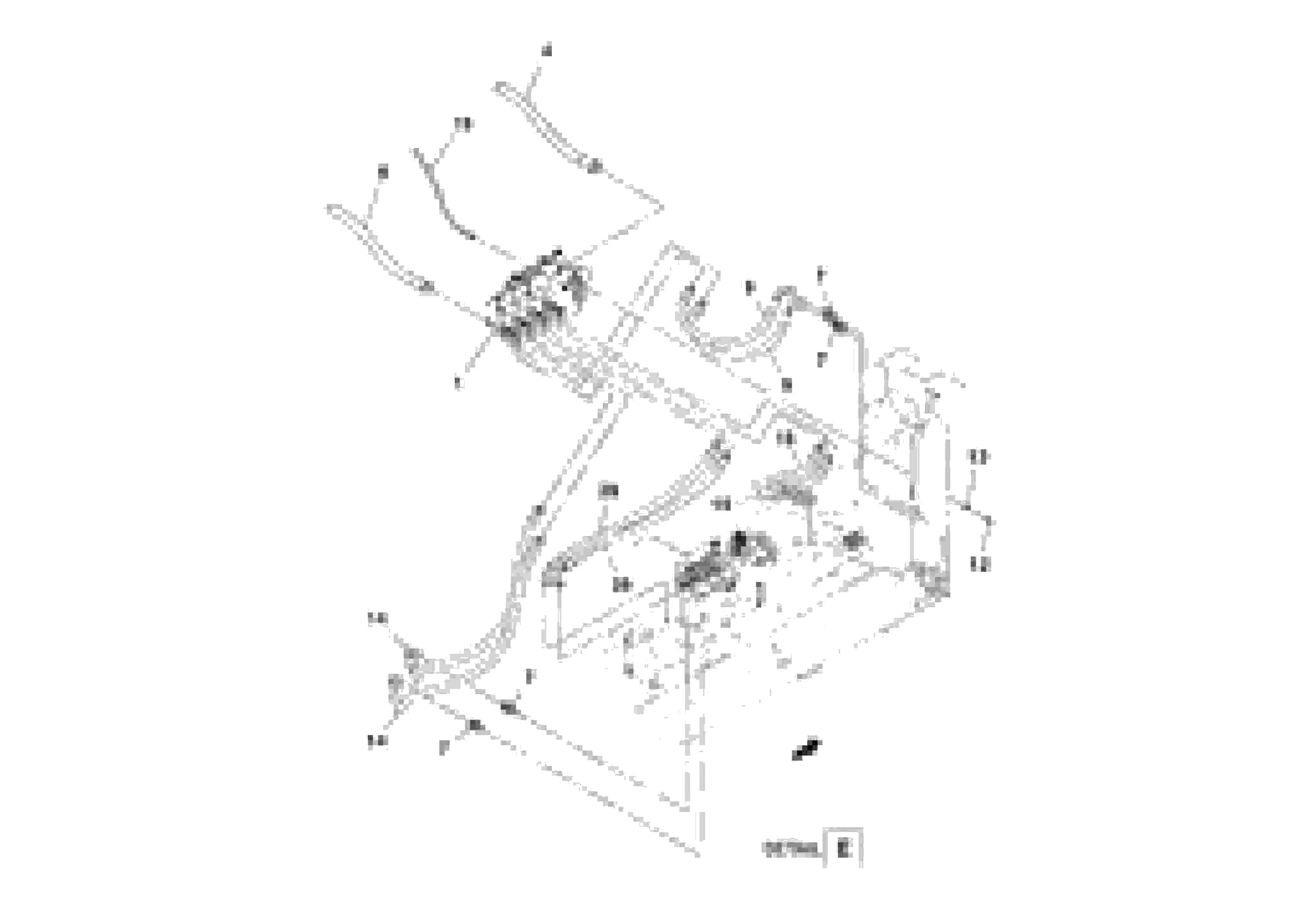
Запчасти Volvo PF6170 91486 Hydraulic Feeder Installation PF6160/PF6170

Схема запчастей Volvo PF6170 - 91486 Hydraulic Feeder Installation PF6160/PF6170
FIT
1:1
100%

Артикул

Название

Примечание

Количество

12

RM 96701917

Винт шестигранник

1шт.

12

RM 96701917

Винт шестигранник

1шт.

13

RM 59565036

Шайба

1шт.

14

RM 13491352

Hose assembly

1шт.

15

RM 13491329

Hose assembly

1шт.

19

RM 13846746

Hose assembly

1шт.

19

RM 13846746

Hose assembly

1шт.

39

RM 43828730

Hose assembly

1шт.

4

RM 13846738

Hose assembly

1шт.

5

RM 13846720

Hose assembly

1шт.

5

RM 13846720

Hose assembly

1шт.

7

RM 95332599

Адаптер

1шт.

9

RM 13491337

Hose assembly

1шт.

Выбрано товаров: 0