Запчасти Volvo PF6170 96384 Hydraulic Feeder Installation PF6160/PF6170

Схема запчастей Volvo PF6170 - 96384 Hydraulic Feeder Installation PF6160/PF6170
FIT
1:1
100%

Артикул

Название

Примечание

Количество

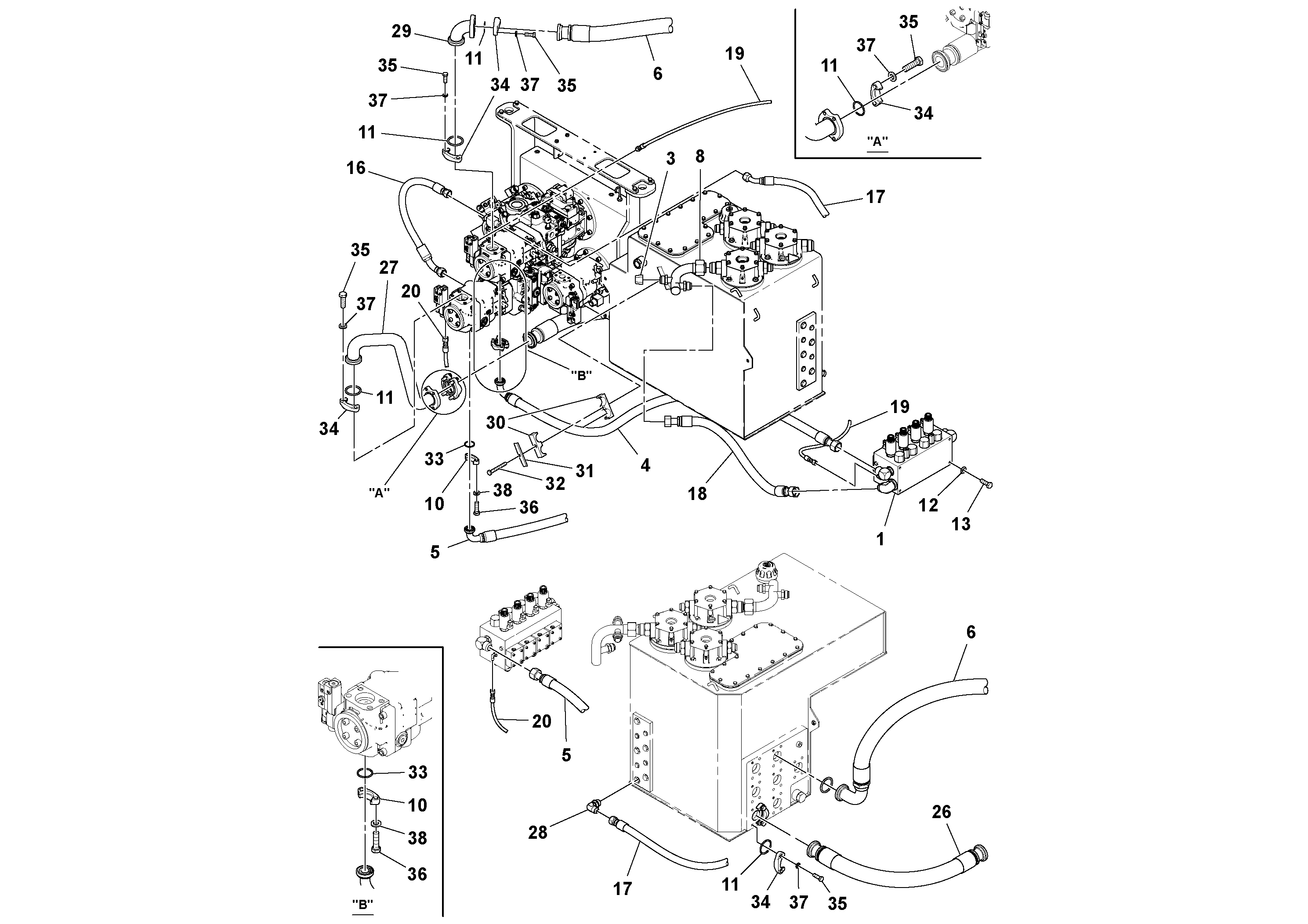
10

RM 95390860

Фланец

1шт.

11

RM 59990051

Кольцо уплотнительное (О-кольцо)

1шт.

12

RM 96701917

Винт шестигранник

1шт.

12

RM 96701917

Винт шестигранник

1шт.

13

RM 59565036

Шайба

1шт.

16

RM 43930395

Hose assembly

1шт.

17

RM 13524863

Hose assembly

1шт.

18

RM 19287499

Hose assembly

1шт.

19

RM 13846746

Hose assembly

1шт.

19

RM 13846746

Hose assembly

1шт.

20

RM 13846712

Hose assembly

1шт.

20

RM 13846712

Hose assembly

1шт.

26

RM 13842117

Hose assembly

1шт.

27

RM 13527486

Трубка

1шт.

29

RM 13831292

Фиттинг

1шт.

3

RM 95387924

Cap

1шт.

3

RM 95387924

Cap

1шт.

30

RM 59583674

Зажим

1шт.

31

RM 59583658

Шайба

1шт.

32

RM 95919312

Болт

1шт.

33

RM 59993881

Кольцо уплотнительное (О-кольцо)

1шт.

33

RM 59993881

Кольцо уплотнительное (О-кольцо)

1шт.

34

RM 95706222

Зажим

1шт.

35

RM 95920708

Винт шестигранник

1шт.

35

RM 95920708

Винт шестигранник

1шт.

36

RM 95920682

Винт шестигранник

1шт.

36

RM 95920682

Винт шестигранник

1шт.

37

RM 96738596

Шайба

1шт.

38

RM 96741046

Плоская шайба

1шт.

38

RM 96741046

Плоская шайба

1шт.

4

RM 13846738

Hose assembly

1шт.

5

RM 13846720

Hose assembly

1шт.

5

RM 13846720

Hose assembly

1шт.

6

RM 13527221

Hose assembly

1шт.

8

RM 19287507

Трубка

LH

1шт.

Выбрано товаров: 35