Запчасти Volvo PF6170 95142 Насос PF6160/PF6170

Схема запчастей Volvo PF6170 - 95142 Насос PF6160/PF6170
FIT
1:1
100%

Артикул

Название

Примечание

Количество

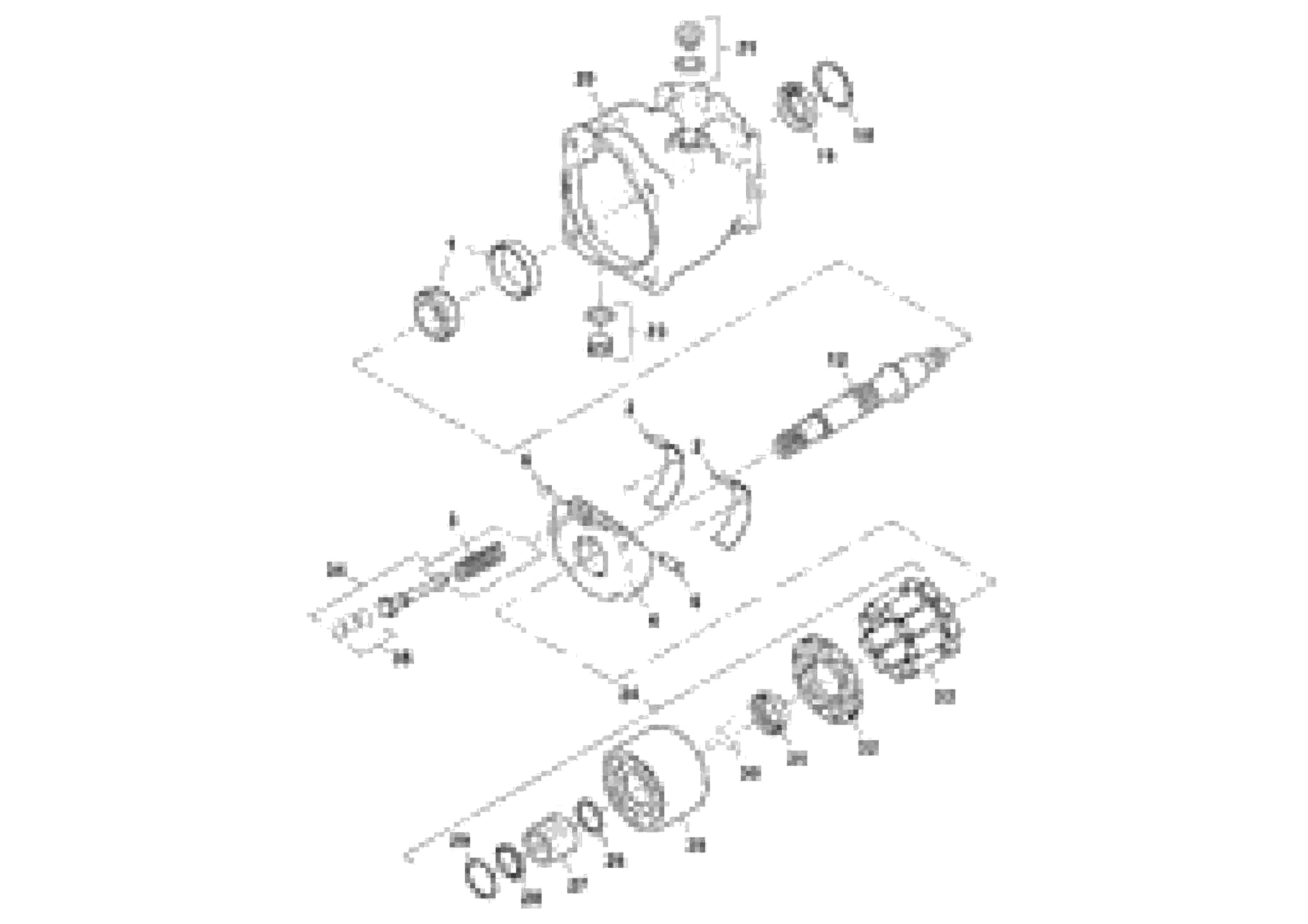
RM 59360610

Кольцо уплотнительное (О-кольцо)

1шт.

RM 59360610

Кольцо уплотнительное (О-кольцо)

1шт.

RM 59360610

Кольцо уплотнительное (О-кольцо)

1шт.

RM 59360610

Кольцо уплотнительное (О-кольцо)

1шт.

1

RM 59154211

Комплект подшипника

1шт.

1

RM 59154211

Комплект подшипника

1шт.

12

RM 43907161

Вал

1шт.

18

RM 13269451

Retaining ring

1шт.

19

RM 43907211

Lip seal

1шт.

2

RM 19313816

Комплект подшипника

1шт.

2

RM 19313816

Комплект подшипника

1шт.

20

RM 43907229

Картер (корпус)

1шт.

21

RM 43907278

Пробка (заглушка)

1шт.

23

RM 58891540

Пробка (заглушка)

1шт.

24

RM 43907245

Блок цилиндров

1шт.

25

RM 43907252

Блок цилиндров

1шт.

26

RM 43907260

Spring seat

1шт.

27

RM 43907286

Пружина

1шт.

28

RM 43907294

Spring seat

1шт.

29

RM 58799982

Ring retainer

1шт.

3

RM 43907013

Пружина

1шт.

30

RM 19313881

Палец

1шт.

30

RM 19313881

Палец

1шт.

31

RM 43907302

Guide

1шт.

32

RM 43907310

Тарелка клапана

1шт.

33

RM 19313899

Поршень

1шт.

33

RM 19313899

Поршень

1шт.

34

RM 43907328

Поршень

1шт.

35

RM 43907336

Piston ring

1шт.

4

RM 19313824

Подшипник

1шт.

4

RM 19313824

Подшипник

1шт.

5

RM 43907021

Вал

1шт.

6

RM 43907039

Retaining ring

1шт.

Выбрано товаров: 33