Запчасти Volvo PF6170 87656 Wheel Wash-down Installation PF6160/PF6170

Схема запчастей Volvo PF6170 - 87656 Wheel Wash-down Installation PF6160/PF6170
FIT
1:1
100%

Артикул

Название

Примечание

Количество

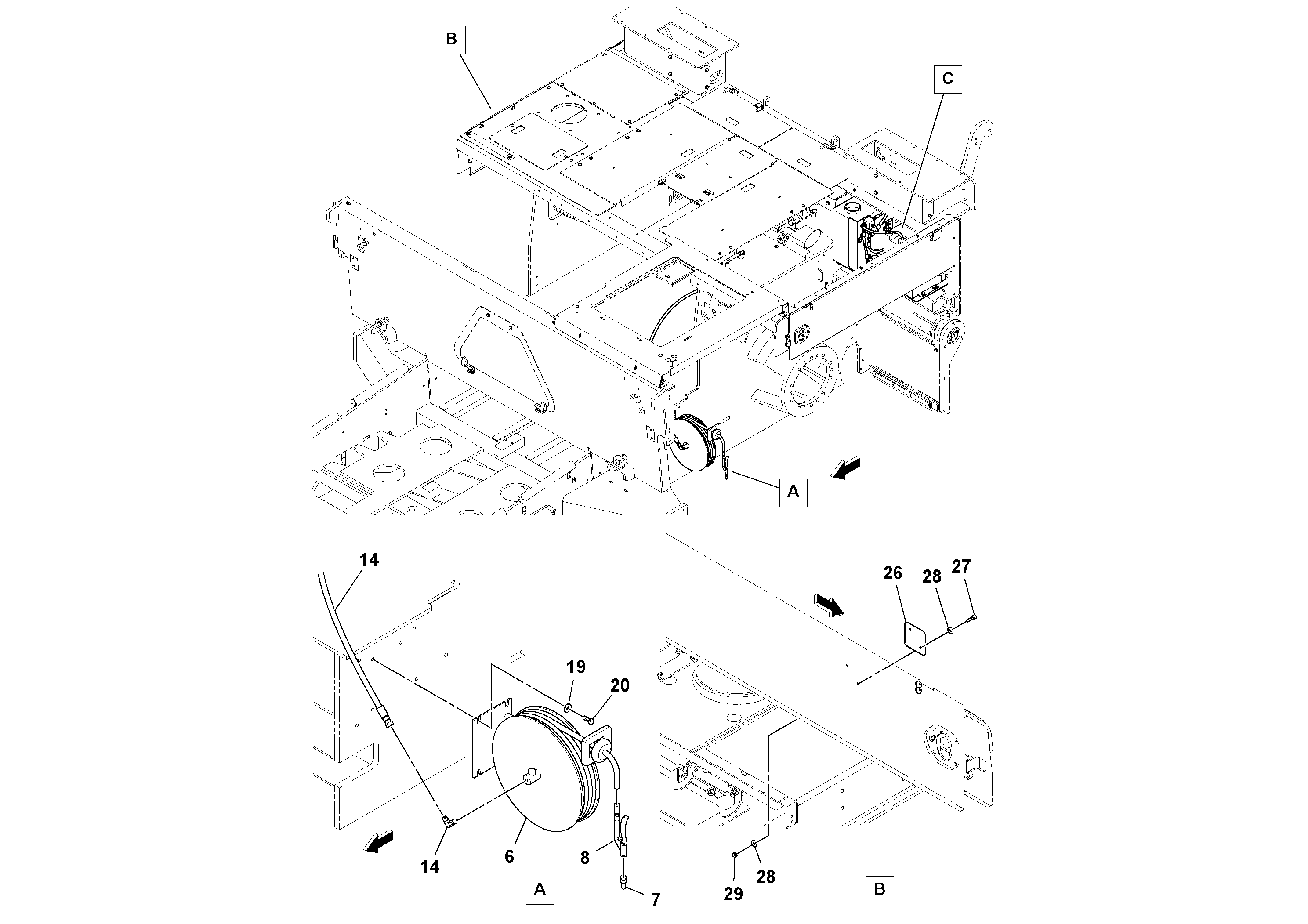
14

RM 95209094

Elbow

1шт.

14

RM 95209094

Elbow

1шт.

19

RM 96711833

Шайба

1шт.

19

RM 96711833

Шайба

1шт.

20

RM 96702287

Винт шестигранник

1шт.

20

RM 96702287

Винт шестигранник

1шт.

26

RM 43936863

Шайба

1шт.

27

RM 96705736

Винт шестигранник

1шт.

27

RM 96705736

Винт шестигранник

1шт.

28

RM 96718598

Шайба

1шт.

28

RM 96718598

Шайба

1шт.

29

RM 96704580

Lock nut

1шт.

29

RM 96704580

Lock nut

1шт.

6

RM 13434683

Hose assembly

1шт.

6

RM 13434683

Hose assembly

1шт.

7

RM 20942793

Nozzle

1шт.

7

RM 20942793

Nozzle

1шт.

Выбрано товаров: 17