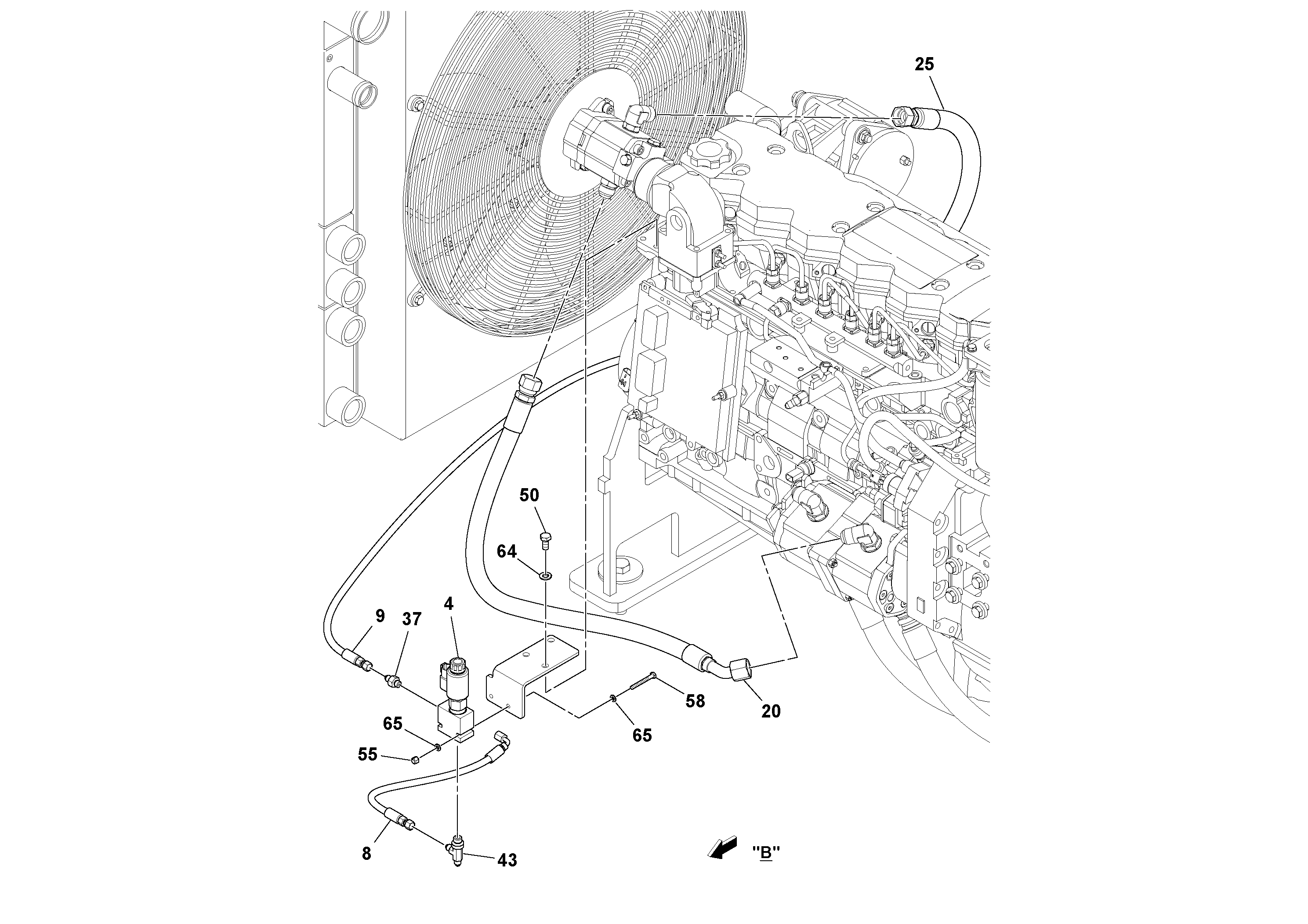
Запчасти Volvo PF6170 100073 Hydraulic Cooler Installation PF6160/PF6170

Схема запчастей Volvo PF6170 - 100073 Hydraulic Cooler Installation PF6160/PF6170
FIT
1:1
100%

Артикул

Название

Примечание

Количество

RM 13866405

Sealing kit

1шт.

RM 13866413

Kit

1шт.

RM 13866439

Соленоид (электромагнитная катушка)

1шт.

RM 13866116

Body

1шт.

RM 13866124

Клапан

1шт.

20

RM 43930890

Шланг

1шт.

25

RM 59844241

Шланг

1шт.

37

RM 95371258

Адаптер

1шт.

4

RM 13862750

Клапан регулирующий (распределительный)

1шт.

43

RM 95838231

Tee

1шт.

50

RM 96702279

Винт шестигранник

1шт.

50

RM 96702279

Винт шестигранник

1шт.

55

RM 96704598

Lock nut

1шт.

55

RM 96704598

Lock nut

1шт.

58

RM 96714134

Винт шестигранник

1шт.

58

RM 96714134

Винт шестигранник

1шт.

64

RM 96741046

Плоская шайба

1шт.

64

RM 96741046

Плоская шайба

1шт.

65

RM 96738596

Шайба

1шт.

8

RM 19296292

Hose assembly

1шт.

9

RM 19297720

Hose assembly

1шт.

9

RM 19297720

Hose assembly

1шт.

Выбрано товаров: 22