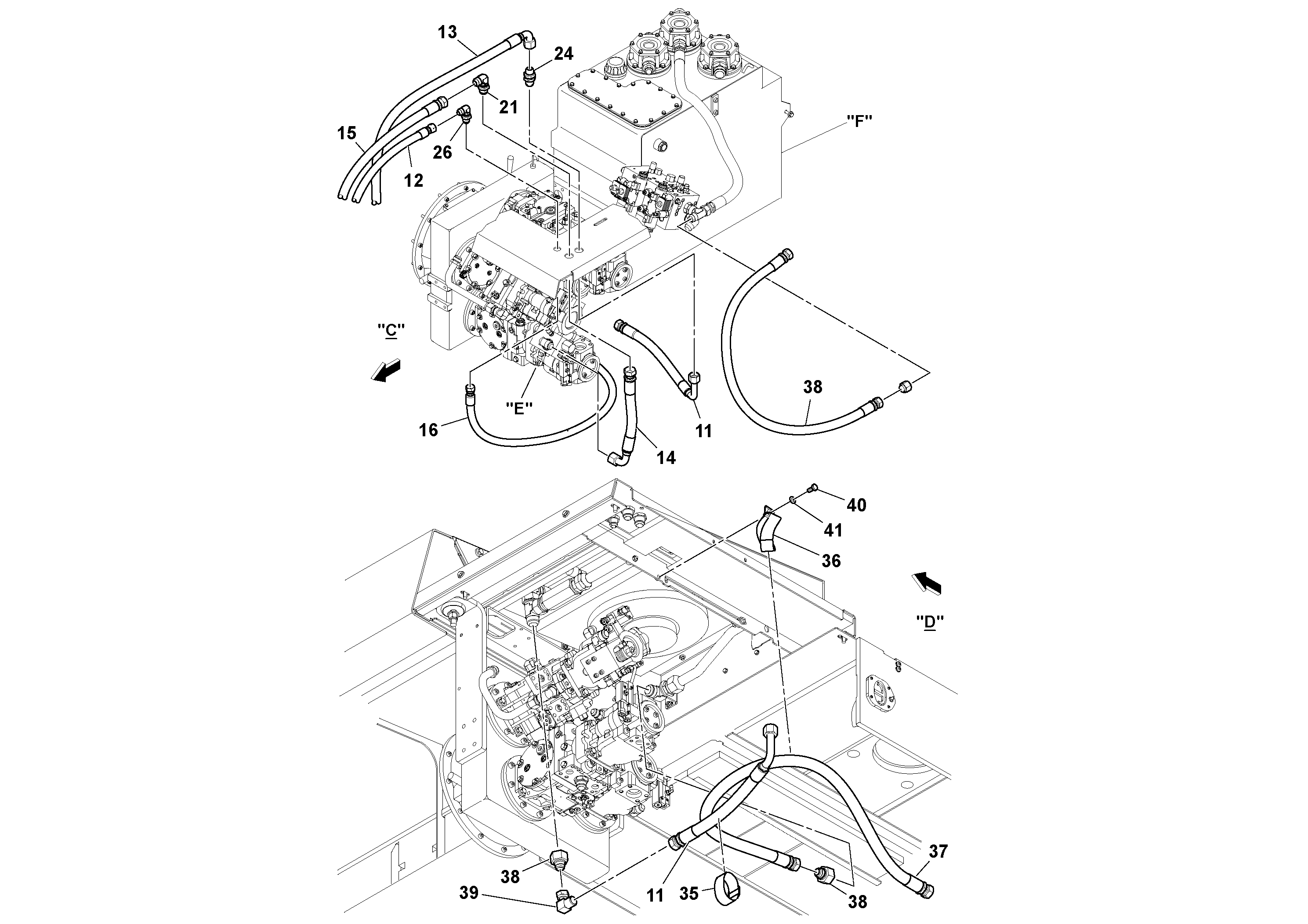
Запчасти Volvo PF6170 98819 Mixer Tub Hydraulic Installation PF6160/PF6170

Схема запчастей Volvo PF6170 - 98819 Mixer Tub Hydraulic Installation PF6160/PF6170
FIT
1:1
100%

Артикул

Название

Примечание

Количество

11

RM 43951730

Hose assembly

1шт.

12

RM 43890938

Hose assembly

1шт.

13

RM 43890946

Hose assembly

1шт.

14

RM 43890953

Hose assembly

1шт.

15

RM 43892355

Hose assembly

1шт.

16

RM 43897115

Hose assembly

1шт.

21

RM 95278974

Elbow

1шт.

24

RM 95328753

Фиттинг

1шт.

26

RM 95338018

Адаптер

1шт.

35

RM 43878396

Strap

1шт.

35

RM 43878396

Strap

1шт.

36

RM 43878420

Strap

1шт.

37

RM 43951714

Hose assembly

1шт.

38

RM 59792960

Reducer

1шт.

39

RM 95278990

Адаптер

1шт.

39

RM 95278990

Адаптер

1шт.

40

RM 96702279

Винт шестигранник

1шт.

40

RM 96702279

Винт шестигранник

1шт.

41

RM 96741046

Плоская шайба

1шт.

41

RM 96741046

Плоская шайба

1шт.

Выбрано товаров: 20