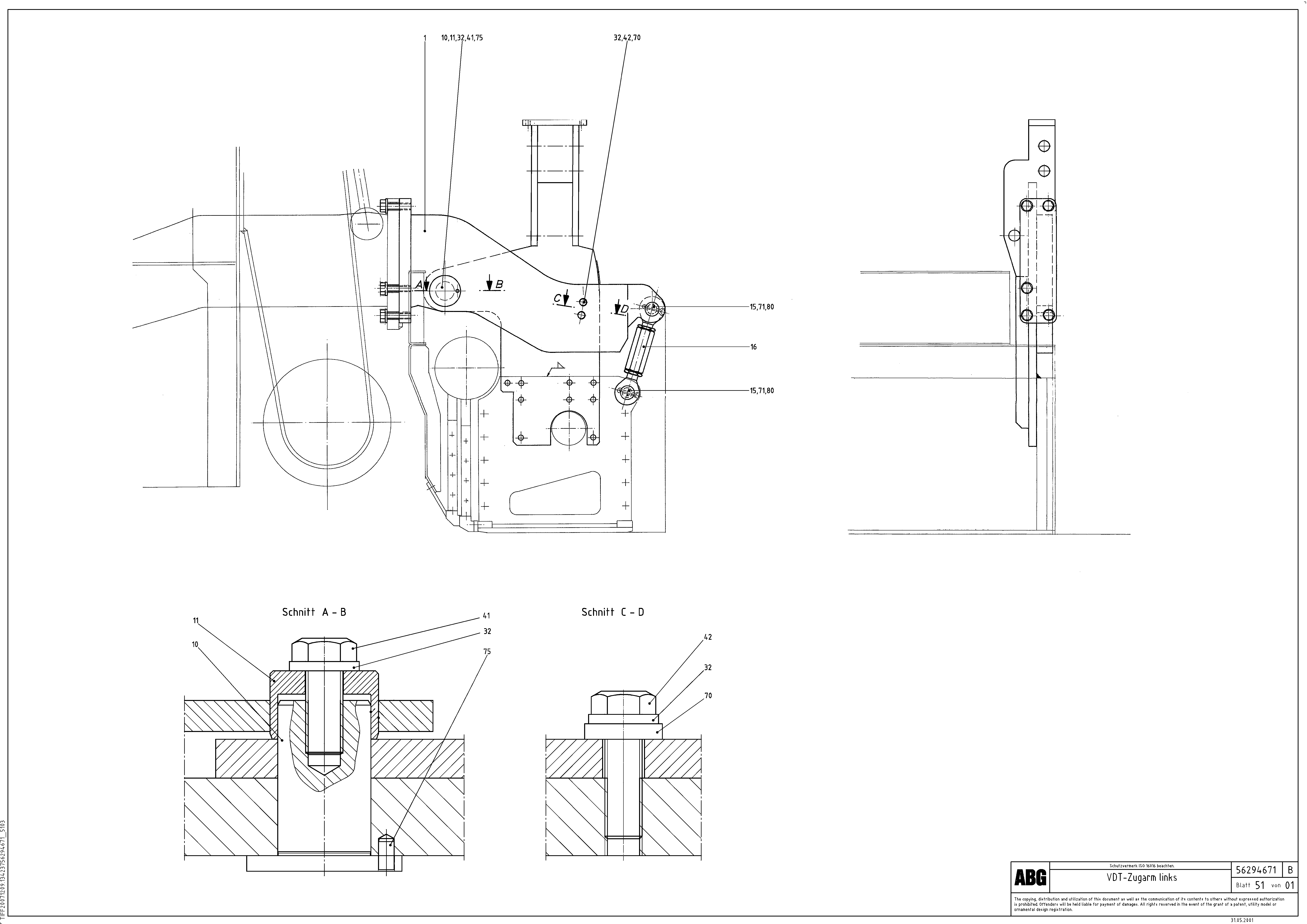
Запчасти Volvo MB 120 ATT. SCREEDS 3,0 -16,0M ABG9820 67066 Towing arms rear

Схема запчастей Volvo MB 120 ATT. SCREEDS 3,0 -16,0M ABG9820 - 67066 Towing arms rear
FIT
1:1
100%

Артикул

Название

Примечание

Количество

1

RM 14318547

Towing Arm

1шт.

1

RM 14318554

Towing Arm

1шт.

10

RM 56286107

Hole Plate

1шт.

11

RM 56286073

Hole Plate

1шт.

15

RM 13916515

Болт

1шт.

16

RM 56281488

Joint

1шт.

32

RM 14261044

Стопорная шайба (кольцо)

1шт.

32

RM 14261044

Стопорная шайба (кольцо)

1шт.

41

RM 96722475

Винт шестигранник

1шт.

41

RM 96722475

Винт шестигранник

1шт.

42

RM 96722491

Винт шестигранник

1шт.

42

RM 96722491

Винт шестигранник

1шт.

70

RM 96726161

Шайба

1шт.

70

RM 96726161

Шайба

1шт.

71

RM 96726088

Шайба

1шт.

75

RM 14085435

Палец

1шт.

80

RM 58853193

Split Pin

1шт.

Выбрано товаров: 17