Запчасти Volvo OMNI 318 SCREED PF6110, PF6160, PF6170 95325 Trim Kit

Схема запчастей Volvo OMNI 318 SCREED PF6110, PF6160, PF6170 - 95325 Trim Kit
FIT
1:1
100%

Артикул

Название

Примечание

Количество

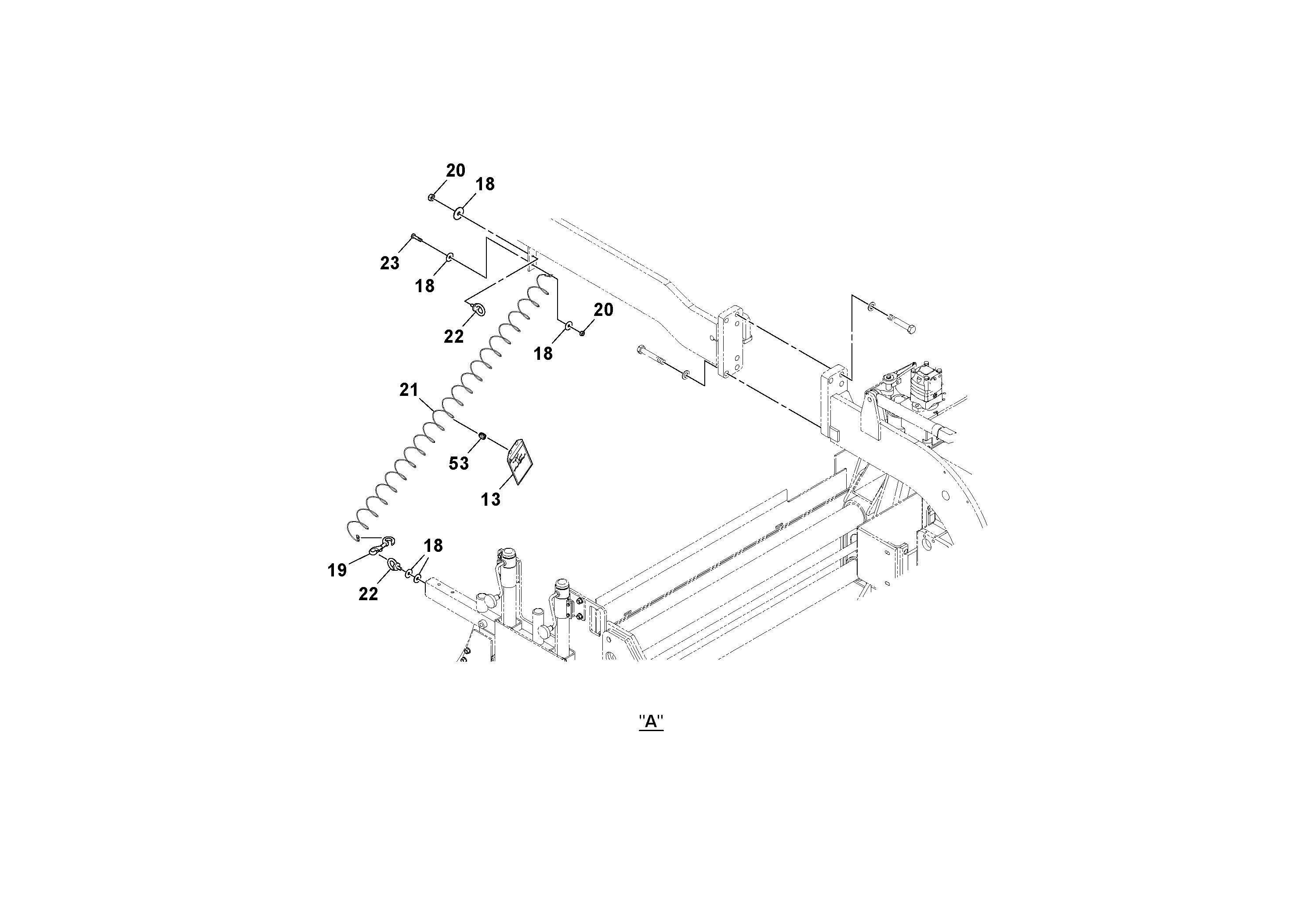
13

RM 43921998

Decal

Warning

1шт.

18

RM 59889162

Шайба

1шт.

19

RM 15500549

Spring hook

1шт.

19

RM 15500549

Spring hook

1шт.

20

RM 96704234

Гайка

1шт.

20

RM 96704234

Гайка

1шт.

21

RM 43920594

Cable

1шт.

22

RM 43920602

Болт

1шт.

23

RM 96701461

Винт шестигранник

1шт.

23

RM 96701461

Винт шестигранник

1шт.

53

RM 58880303

Кольцо

1шт.

Выбрано товаров: 11