Запчасти Volvo OMNI IIIE 32456 Edger Guide Assembly

Схема запчастей Volvo OMNI IIIE - 32456 Edger Guide Assembly
FIT
1:1
100%

Артикул

Название

Примечание

Количество

RM 15566680

Пластина

1шт.

RM 15566680

Plate

1шт.

RM 95953980

Винт шестигранник

1шт.

RM 95997706

Стопорная шайба (кольцо)

1шт.

RM 95997706

Стопорная шайба (кольцо)

1шт.

RM 20287975

Edge plate

1шт.

RM 20226213

Пластина

1шт.

RM 20226247

Bevel Edg Asy L

1шт.

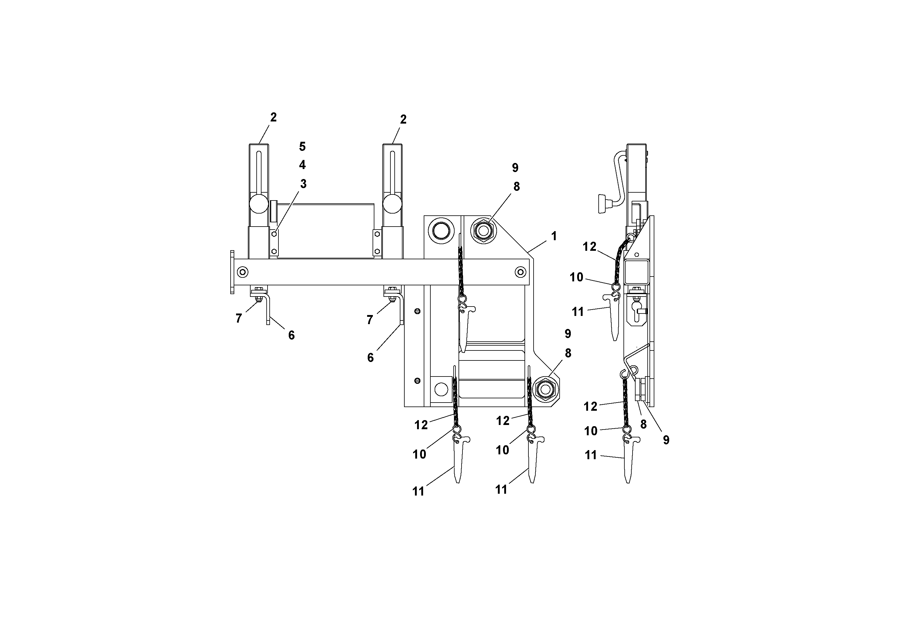
1

RM 20263463

Guide

LH EDGER GUIDE

1шт.

10

RM 20938635

S-hook

1шт.

10

RM 20938635

S-hook

1шт.

11

RM 20987244

Wedge

1шт.

11

RM 20987244

Wedge

1шт.

12

RM 20289187

Chain

1шт.

12

RM 20289187

Chain

1шт.

2

RM 20221503

Jack

1шт.

2

RM 20221503

Jack

1шт.

3

RM 95935227

Винт шестигранник

1шт.

3

RM 95935227

Винт шестигранник

1шт.

4

RM 95931408

Стопорная шайба (кольцо)

1шт.

4

RM 95931408

Стопорная шайба (кольцо)

1шт.

5

RM 20922076

Hexagon nut

1шт.

6

RM 20221511

Кронштейн

1шт.

6

RM 20221511

Кронштейн

1шт.

7

RM 20944609

Гайка

1шт.

8

RM 20987194

Гайка

1шт.

8

RM 20987194

Гайка

1шт.

9

RM 20987202

Гайка

1шт.

9

RM 20987202

Гайка

1шт.

Выбрано товаров: 29