Запчасти Volvo OMNI V S/N 0847508049 - 71287 Tamper Drive - Main Screed Assembly

Схема запчастей Volvo OMNI V S/N 0847508049 - - 71287 Tamper Drive - Main Screed Assembly
FIT
1:1
100%

Артикул

Название

Примечание

Количество

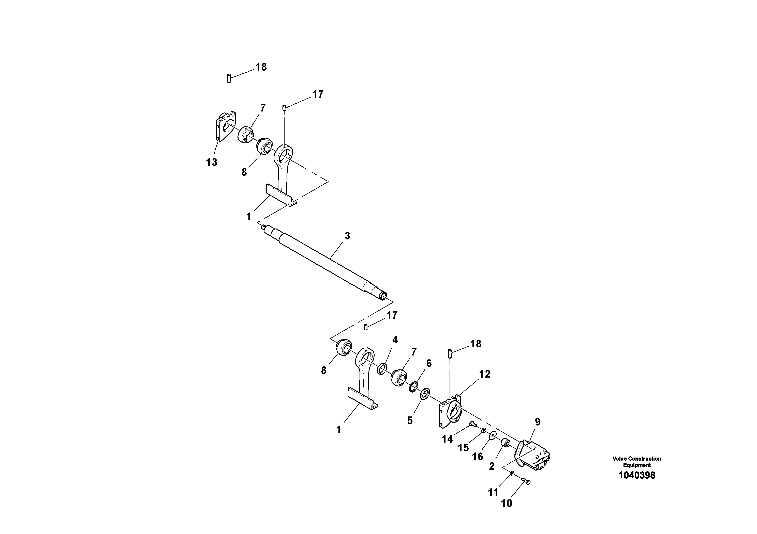
1

RM 70854500

Кронштейн

1шт.

10

RM 96716774

Винт шестигранник (торцевой ключ)

1шт.

11

RM 96741046

Плоская шайба

1шт.

11

RM 96741046

Плоская шайба

1шт.

12

RM 70855309

Mounting plate

RH

1шт.

13

RM 70855333

Mounting plate

1шт.

14

RM 96714233

Винт шестигранник

1шт.

14

RM 96714233

Винт шестигранник

1шт.

15

RM 58832916

Стопорная шайба (кольцо)

1шт.

15

RM 58832916

Стопорная шайба (кольцо)

1шт.

16

RM 70155726

Шайба

1шт.

17

RM 70632757

Палец

1шт.

18

RM 70632575

Палец

1шт.

2

RM 70854534

Coupling piece

1шт.

3

RM 70854617

Вал

1шт.

4

RM 70910088

Spacer ring

1шт.

5

RM 70855416

Гайка

1шт.

6

RM 70855457

Стопорная шайба (кольцо)

1шт.

7

RM 20321162

Ball bearing

1шт.

8

RM 43876630

Ball Bearing

1шт.

9

RM 20321147

Гидромотор

1шт.

Выбрано товаров: 21