Запчасти Volvo OMNI V S/N 0847508049 - 55219 Hydraulic Piping

Схема запчастей Volvo OMNI V S/N 0847508049 - - 55219 Hydraulic Piping
FIT
1:1
100%

Артикул

Название

Примечание

Количество

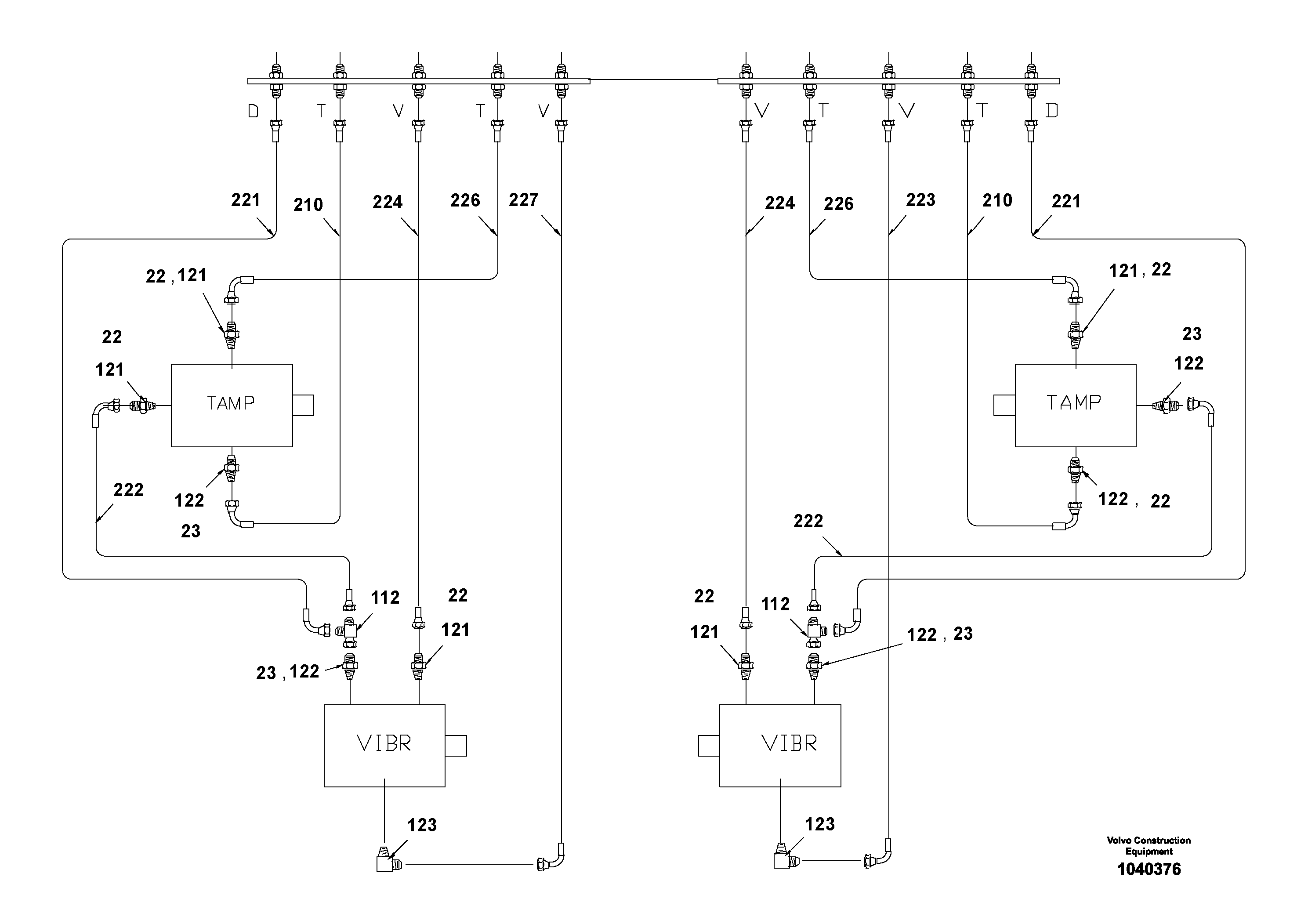
121

RM 97116081

Адаптер

1шт.

121

RM 97116081

Адаптер

1шт.

122

RM 94052594

Адаптер

1шт.

122

RM 94052594

Адаптер

1шт.

123

RM 95303350

Адаптер

1шт.

123

RM 95303350

Адаптер

1шт.

210

RM 70627435

Hydraulic Hose

1шт.

22

RM 95209888

Кольцо уплотнительное (О-кольцо)

1шт.

22

RM 95209888

Кольцо уплотнительное (О-кольцо)

1шт.

221

RM 97113484

Hydraulic Hose

1шт.

221

RM 97113484

Hydraulic Hose

1шт.

222

RM 70627526

Hydraulic Hose

1шт.

223

RM 70627872

Hydraulic Hose

1шт.

224

RM 70627492

Hydraulic Hose

1шт.

226

RM 97126163

Hydraulic Hose

1шт.

227

RM 70630439

Hydraulic Hose

1шт.

23

RM 95266425

Кольцо уплотнительное (О-кольцо)

1шт.

23

RM 95266425

Кольцо уплотнительное (О-кольцо)

1шт.

Выбрано товаров: 18