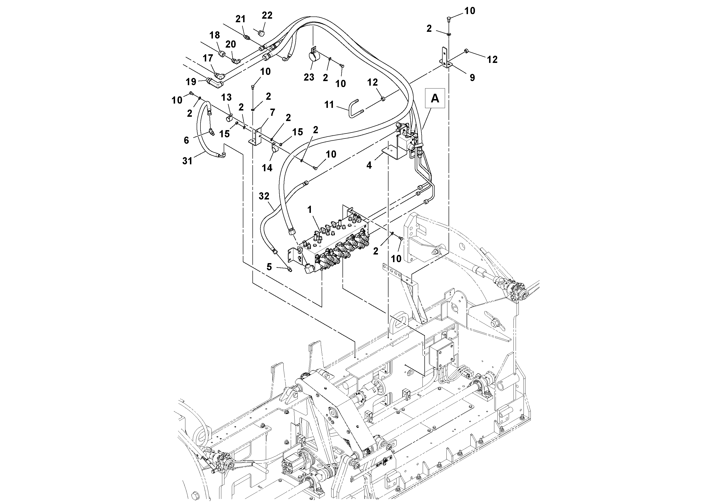
Запчасти Volvo Ultimat 80461 Hydraulic valve Assembly ULTIMAT 200

Схема запчастей Volvo Ultimat - 80461 Hydraulic valve Assembly ULTIMAT 200
FIT
1:1
100%

Артикул

Название

Примечание

Количество

10

RM 96702279

Винт шестигранник

1шт.

10

RM 96702279

Винт шестигранник

1шт.

11

RM 43961432

Bar

1шт.

12

RM 96719174

Hexagon nut

1шт.

12

RM 96719174

Hexagon nut

1шт.

13

RM 95396776

Hose clamp

1шт.

14

RM 95457586

Зажим

1шт.

15

RM 96704812

Hexagon nut

1шт.

15

RM 96704812

Hexagon nut

1шт.

17

RM 59922906

Адаптер

1шт.

18

RM 59924423

Boss

1шт.

19

RM 59408567

Адаптер

1шт.

2

RM 96741046

Плоская шайба

1шт.

2

RM 96741046

Плоская шайба

1шт.

20

RM 59922898

Адаптер

1шт.

20

RM 59922898

Адаптер

1шт.

21

RM 95364972

Переходник масляного фильтра

1шт.

21

RM 95364972

Переходник масляного фильтра

1шт.

22

RM 95938981

Пробка (заглушка)

1шт.

22

RM 95938981

Пробка (заглушка)

1шт.

23

RM 43878404

Bundling Strap

1шт.

24

RM 43899947

Трубка

1шт.

25

RM 43899996

Трубка

1шт.

26

RM 43899970

Трубка

1шт.

31

RM 43976455

Шланг

1шт.

32

RM 43976463

Шланг

1шт.

5

RM 59919670

Соединитель

1шт.

5

RM 59919670

Адаптер

1шт.

6

RM 59918441

Адаптер

1шт.

6

RM 59918441

Адаптер

1шт.

7

RM 43957695

Кронштейн

1шт.

9

RM 43941798

Кронштейн

1шт.

Выбрано товаров: 32