Запчасти Volvo Ultimat 51302 No Berm Attachment ULTIMAT 200

Схема запчастей Volvo Ultimat - 51302 No Berm Attachment ULTIMAT 200
FIT
1:1
100%

Артикул

Название

Примечание

Количество

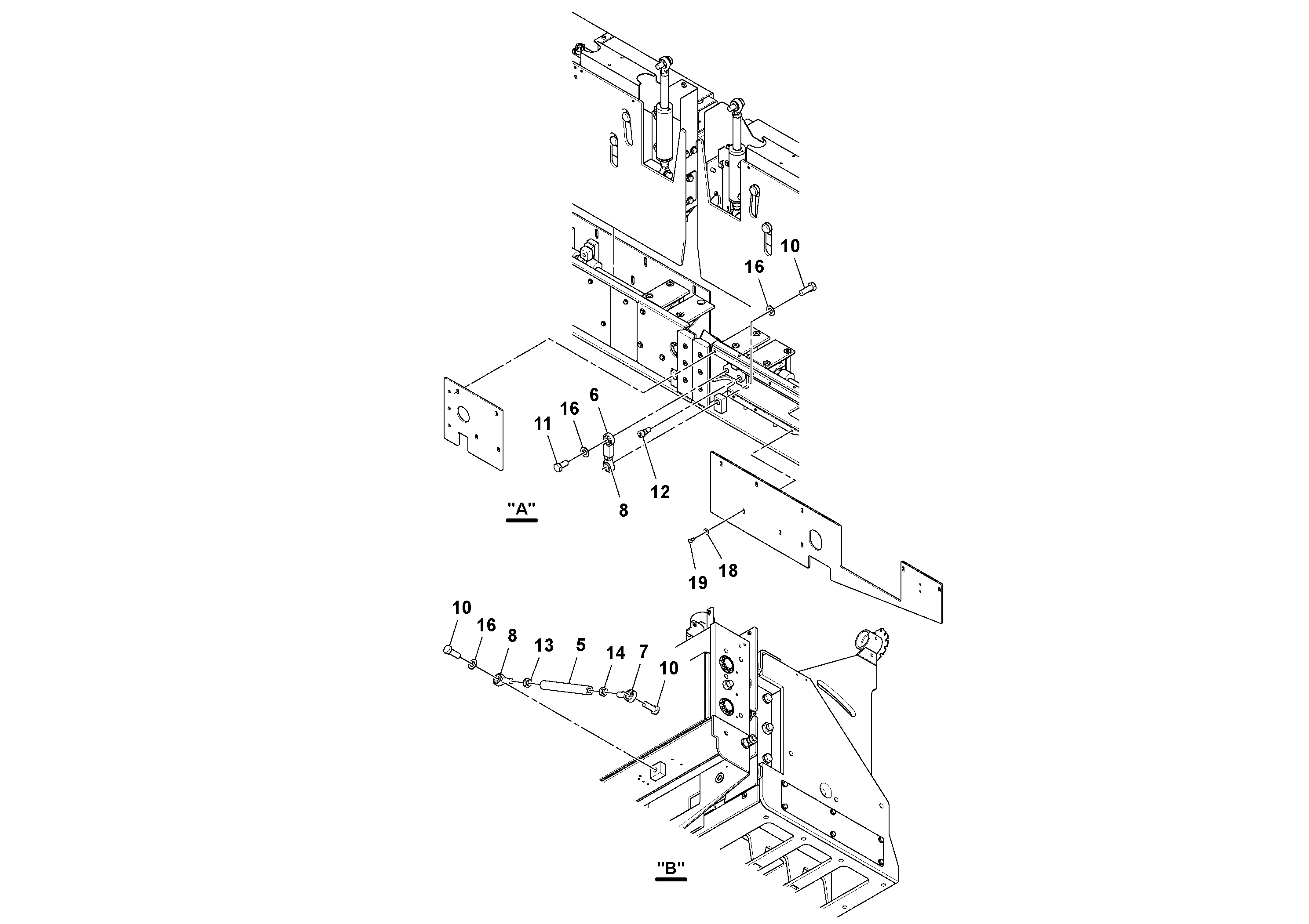
10

RM 95934378

Винт шестигранник

1шт.

10

RM 95934378

Винт шестигранник

1шт.

11

RM 95654307

Hhcs .750-16x1

1шт.

11

RM 95654307

Винт шестигранник

1шт.

12

RM 20338026

Shoulder screw

1шт.

13

RM 95923108

Hexagon nut

1шт.

14

RM 95997425

Гайка

1шт.

16

RM 95922423

Шайба

1шт.

16

RM 95922423

Шайба

1шт.

17

RM 43953777

Крышка

1шт.

18

RM 95928990

Винт шестигранник

1шт.

19

RM 95922225

Шайба

1шт.

19

RM 95922225

Шайба

1шт.

5

RM 20318150

Brace

1шт.

6

RM 20340204

Rod end

1шт.

7

RM 20318135

Rod end

1шт.

8

RM 20327623

Rod end

1шт.

Выбрано товаров: 17